GM Service Manual Online
For 1990-2009 cars only
Makes
🢒
Chevrolet
🢒
2002
🢒
Chevrolet C-Series Medium Duty Truck B7
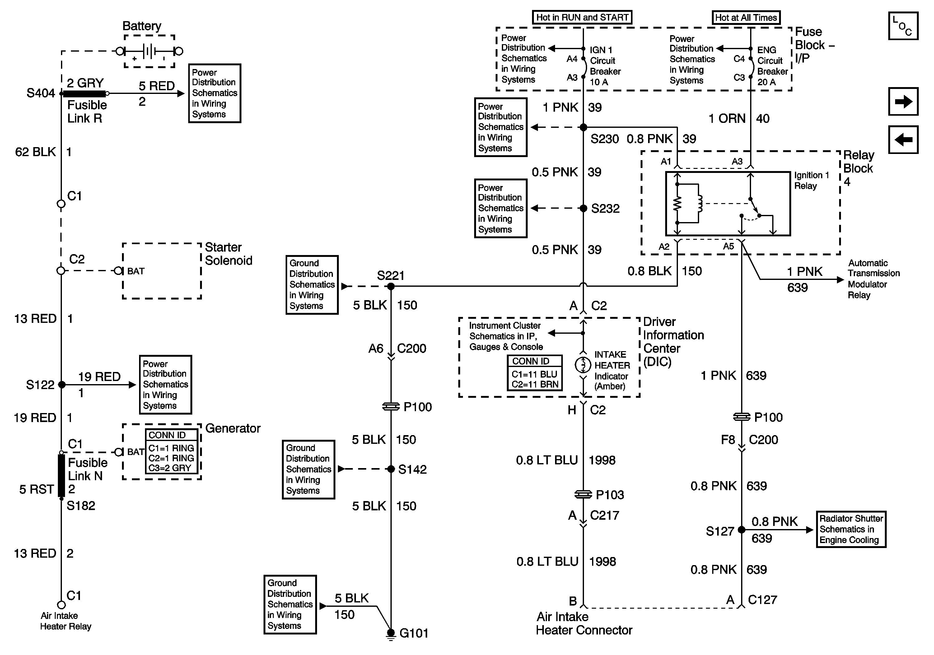
🢒 Air (IA) Heater, INTAKE HEATER Indicator, Connector C127 and Ignition1 Relay
Air (IA) Heater, INTAKE HEATER Indicator, Connector C127 and Ignition1 Relay
Air (IA) Heater, INTAKE HEATER Indicator, Connector C127 and Ignition 1 Relay
Master Electrical Component List
Powertrain Control Module (PCM), Speedometer Adapter, Speedometer and Vehicle Speed Sensor (VSS)
Power and Ground, Ignition 3 Relay and Fuel Heater
Battery and BRK, HORNS and STOP LP Circuit Breakers, HD LP SW, HORN/STOP and IGN SW 1 Fuses
Battery and BRK, HORNS and STOP LP Circuit Breakers, HD LP SW, HORN/STOP and IGN SW 1 Fuses
G108, G207, G208 and S221 (LG5)
S142 and S241 (LG5)
G101, S138, and S405 (LG5)
ACC, B/U, CHASSIS, IGN 1, IGN 3 and START Circuit Breakers
IGN 1 Circuit Breaker, S225, S226, S230
IGN 1 Circuit Breaker, S232, S243
Driver Information Center (DIC), ABS, CHANGE OIL, DRL, ENGINE OVERSPEED, HIGH IDLE, INTAKE HEATER, LOW AIR, LOW COOLANT, PRIMARY BRAKE and SERVICE ENGINE SOON Indicators
AUX 1, AUX 2, ECM, ENG, ETM and FUEL Circuit Breakers, AUX, BODY POWER1 and ENGINE Fuses
Automatic Transmission Modulator, Relay and Shift Lever, Ignition 1Relay and PCM
Radiator Shutter