GM Service Manual Online
For 1990-2009 cars only
Makes
🢒
Chevrolet
🢒
2002
🢒
Chevrolet C-Series Medium Duty Truck B7
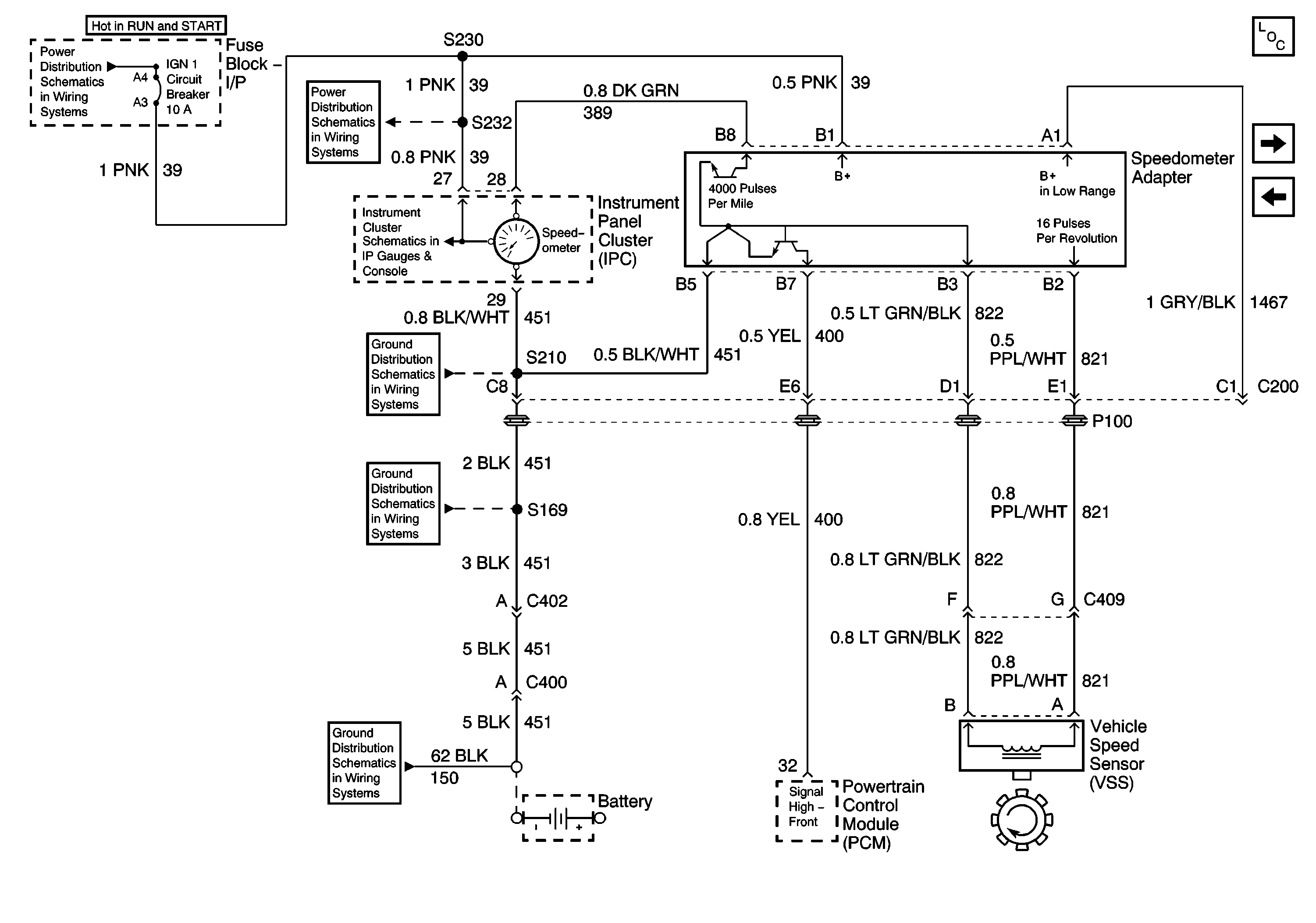
🢒 Powertrain Control Module (PCM), Speedometer Adapter, Speedometer and Vehicle Speed Sensor (VSS)
Powertrain Control Module (PCM), Speedometer Adapter, Speedometer and Vehicle Speed Sensor (VSS)
Powertrain Control Module (PCM), Speedometer Adapter, Speedometer and Vehicle Speed Sensor (VSS)
Master Electrical Component List
Vehicle Speed Sensor (VSS) (Late)
Air (IA) Heater, INTAKE HEATER Indicator, Connector C127 and Ignition1 Relay
ACC, B/U, CHASSIS, IGN 1, IGN 3 and START Circuit Breakers
IGN 1 Circuit Breaker, S232, S243
Instrument Panel Cluster (IPC), Fuel Gauge, Generator Charge Indicator, Speedometer and Tachometer
S169, S210, S411 and S 414 (LG5)
S169, S210, S411 and S 414 (LG5)
G100, G101, G103, G107, G117, G119, G120, G121, G124, G400, G401, G405,G412, G413 and G414, S170