GM Service Manual Online
For 1990-2009 cars only
Makes
🢒
Chevrolet
🢒
2002
🢒
Chevrolet C-Series Medium Duty Truck B7
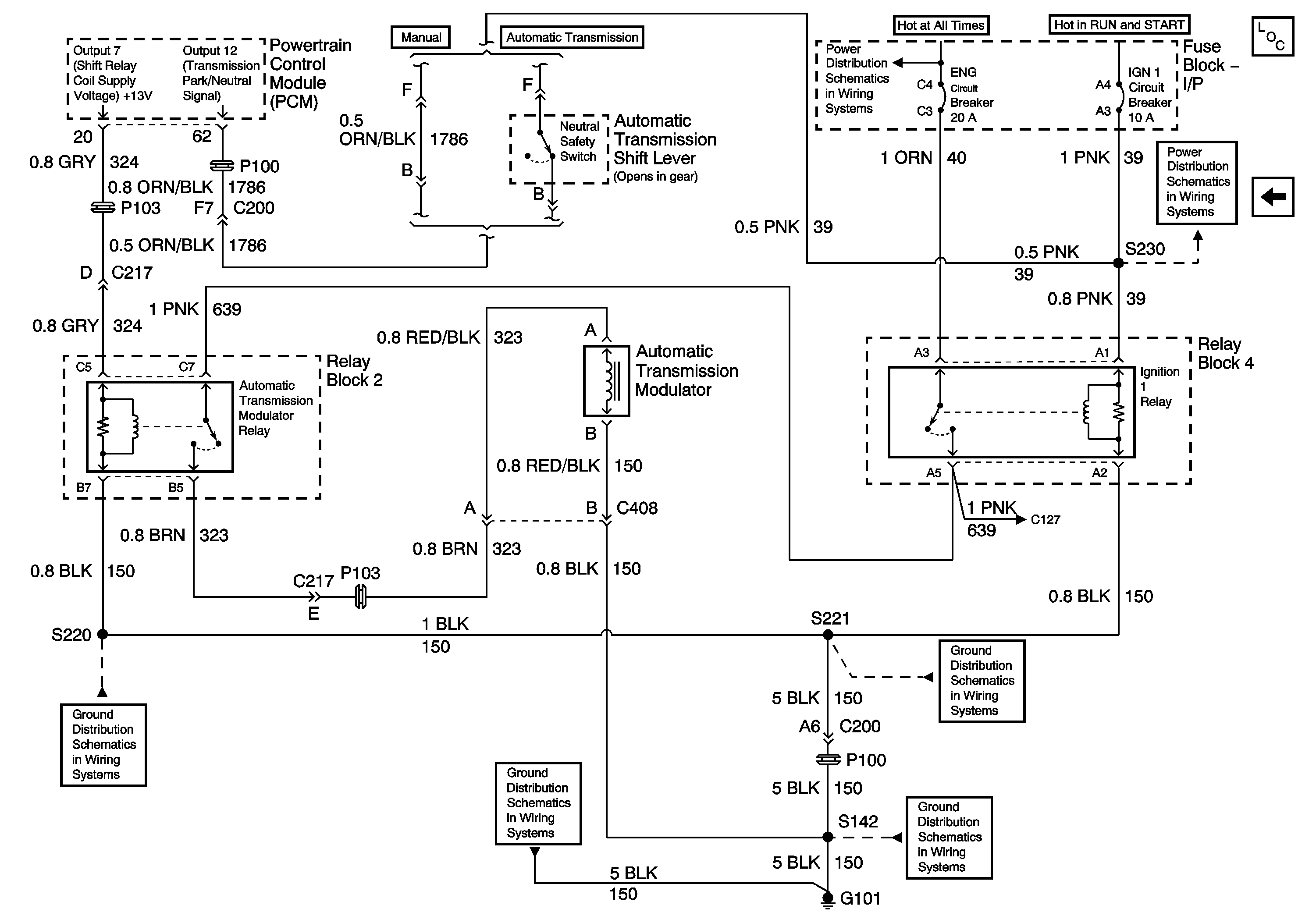
🢒 Automatic Transmission Modulator, Relay and Shift Lever, Ignition 1Relay and PCM
Automatic Transmission Modulator, Relay and Shift Lever, Ignition 1Relay and PCM
Automatic Transmission Modulator, Relay and Shift Lever, Ignition 1 Relay and PCM
Master Electrical Component List
Accelerator Pedal Position (APP) Sensor, Clutch Pedal Position (CPP),Turn Signal/Multifunction , High Idle and Stoplamp Switches, EBCM and PCM
S220, S229 (LG5 - Late)
ECM, ENG and FUEL Circuit Breakers
G101, S138, and S405 (LG5)
IGN 1 Circuit Breaker, S225, S226, S230
Air (IA) Heater, INTAKE HEATER Indicator, Connector C127 and Ignition1 Relay
G108, G207, G208 and S221 (LG5)
S142 and S241 (LG5)