GM Service Manual Online
For 1990-2009 cars only
Makes
🢒
Chevrolet
🢒
2002
🢒
Chevrolet C-Series Medium Duty Truck B7
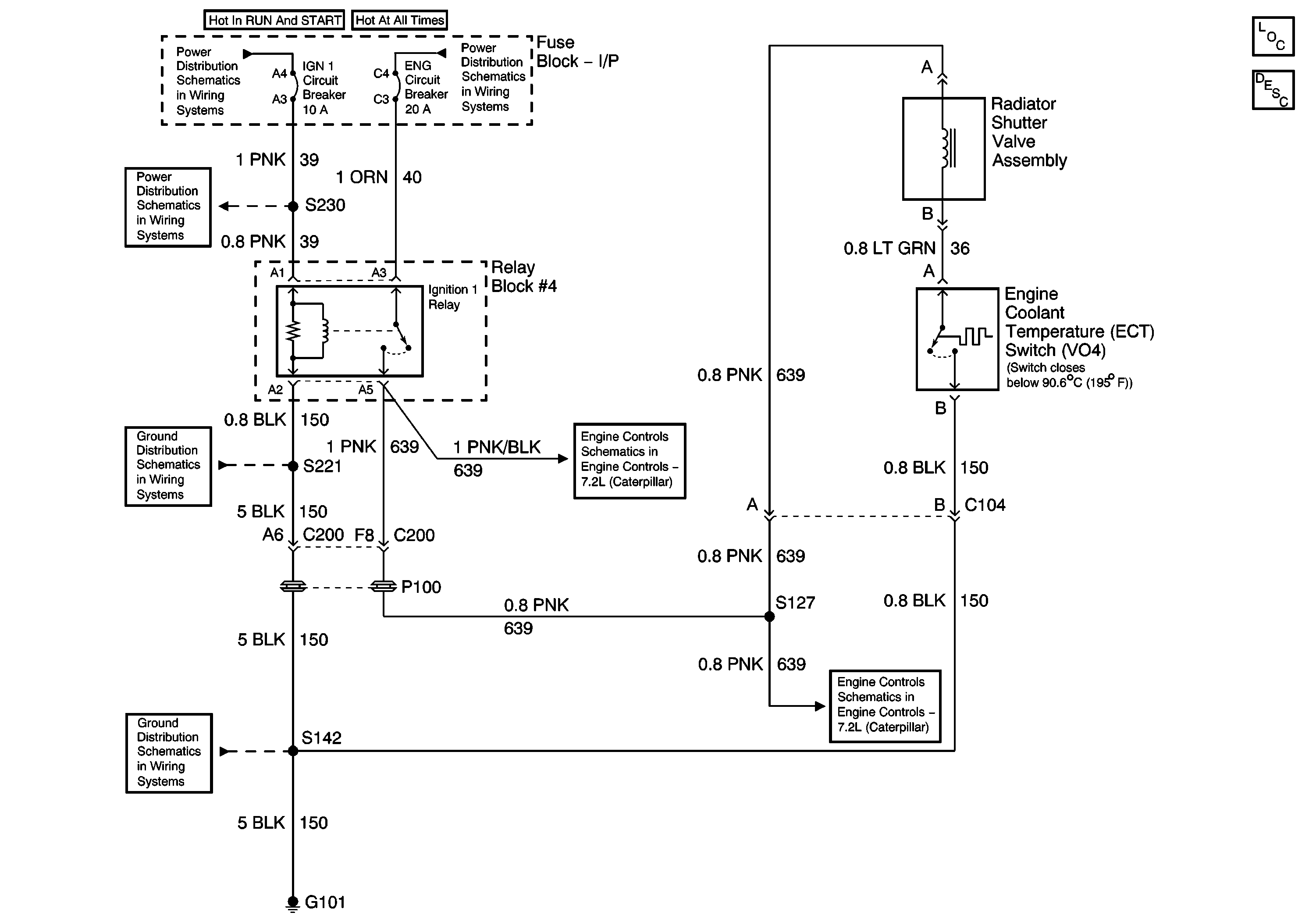
🢒 Radiator Shutter
Radiator Shutter
Master Electrical Component List
Cooling System Description and Operation
IGN 1 Circuit Breaker, S225, S226, S230
IGN 1 Circuit Breaker, S225, S226, S230
G108, G207, G208 and S221 (LG5)
ECM, ENG and FUEL Circuit Breakers
S142 and S241 (LG5)
Automatic Transmission Modulator, Relay and Shift Lever, Ignition 1Relay and PCM
Air (IA) Heater, INTAKE HEATER Indicator, Connector C127 and Ignition1 Relay