GM Service Manual Online
For 1990-2009 cars only
Makes
🢒
Chevrolet
🢒
2002
🢒
Chevrolet C-Series Medium Duty Truck B7
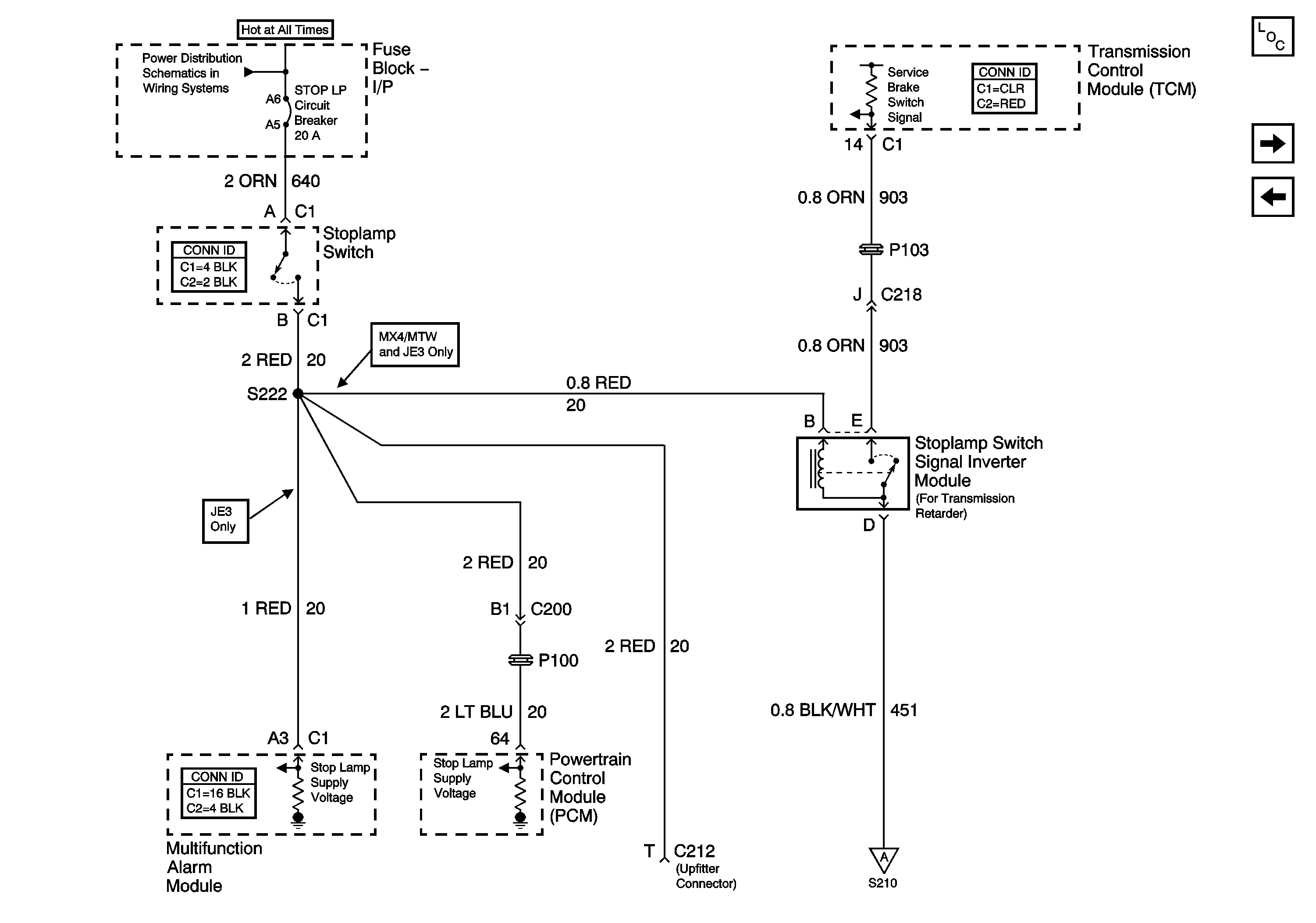
🢒 MFAM, PCM, Stoplamp Switch, and C212 (Upfitter Connector) 1 of 2
MFAM, PCM, Stoplamp Switch, and C212 (Upfitter Connector) 1 of 2
MFAM, PCM, Stoplamp Switch, and C212 (Upfitter Connector) 1 of 2
Master Electrical Component List
MFAM, PCM, Stoplamp Switch, and C212 (Upfitter Connector) 2 of 2
EBCM, Engine Brake Relay, Switch and Solenoid Valve, and PCM
HAZ, HORNS, PNL, STOP LP and TL/MKR Circuit Breakers
Data Link Connector (DLC)