GM Service Manual Online
For 1990-2009 cars only
Makes
🢒
Chevrolet
🢒
2002
🢒
Chevrolet C-Series Medium Duty Truck B7
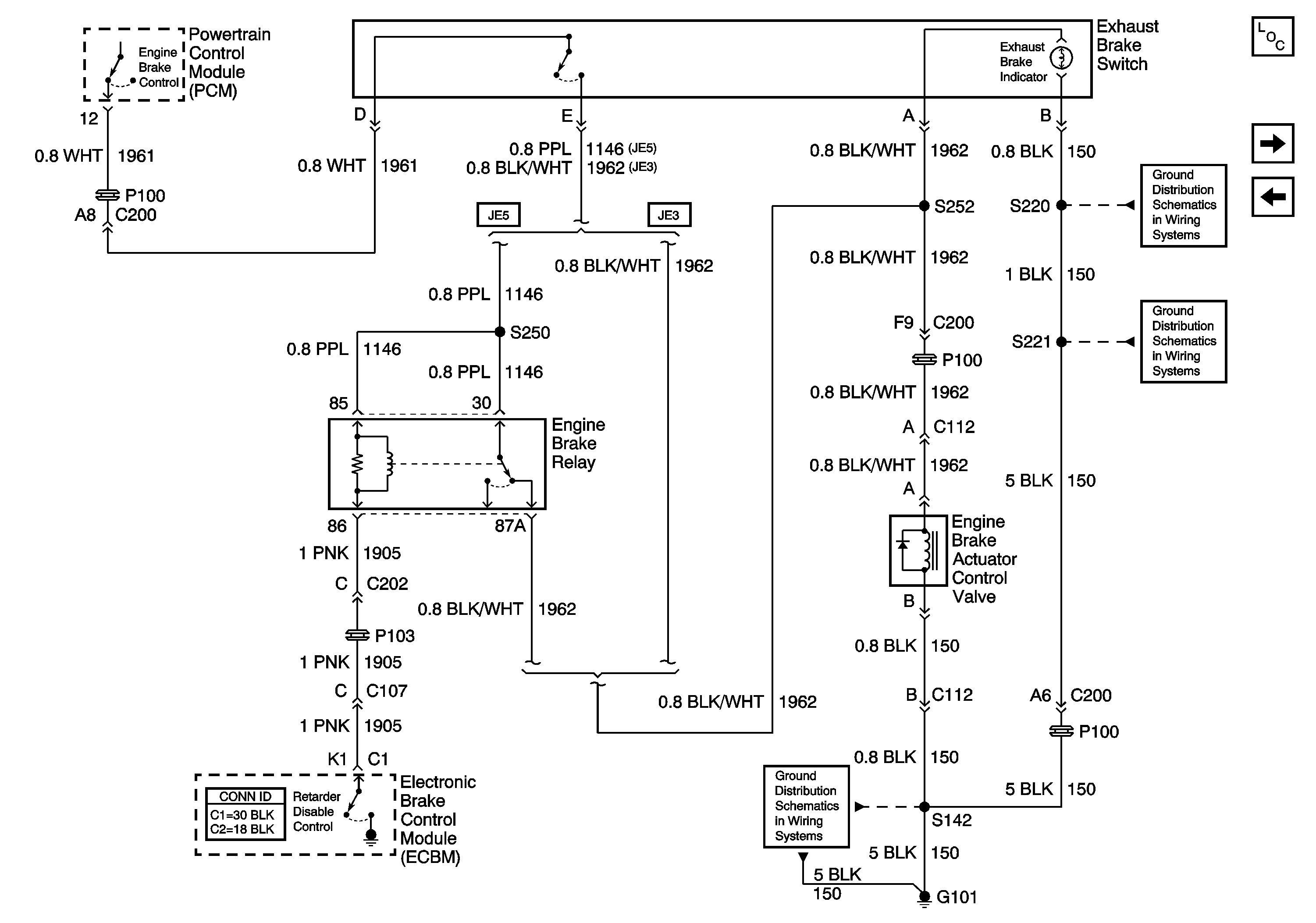
🢒 EBCM, Engine Brake Relay, Switch and Solenoid Valve, and PCM
EBCM, Engine Brake Relay, Switch and Solenoid Valve, and PCM
EBCM, Engine Brake Relay, Switch and Solenoid Valve, and PCM
Master Electrical Component List
MFAM, PCM, Stoplamp Switch, and C212 (Upfitter Connector) 1 of 2
ECT and EOP Gauges and Sensors, Generator, Generator Charge and HI IDLE Indicators and PCM
S220, S229 (LG5 - Late)
G108, G207, G208 and S221 (LG5)
S142 and S241 (LG5)