GM Service Manual Online
For 1990-2009 cars only
Makes
🢒
Chevrolet
🢒
2002
🢒
Chevrolet C-Series Medium Duty Truck B7
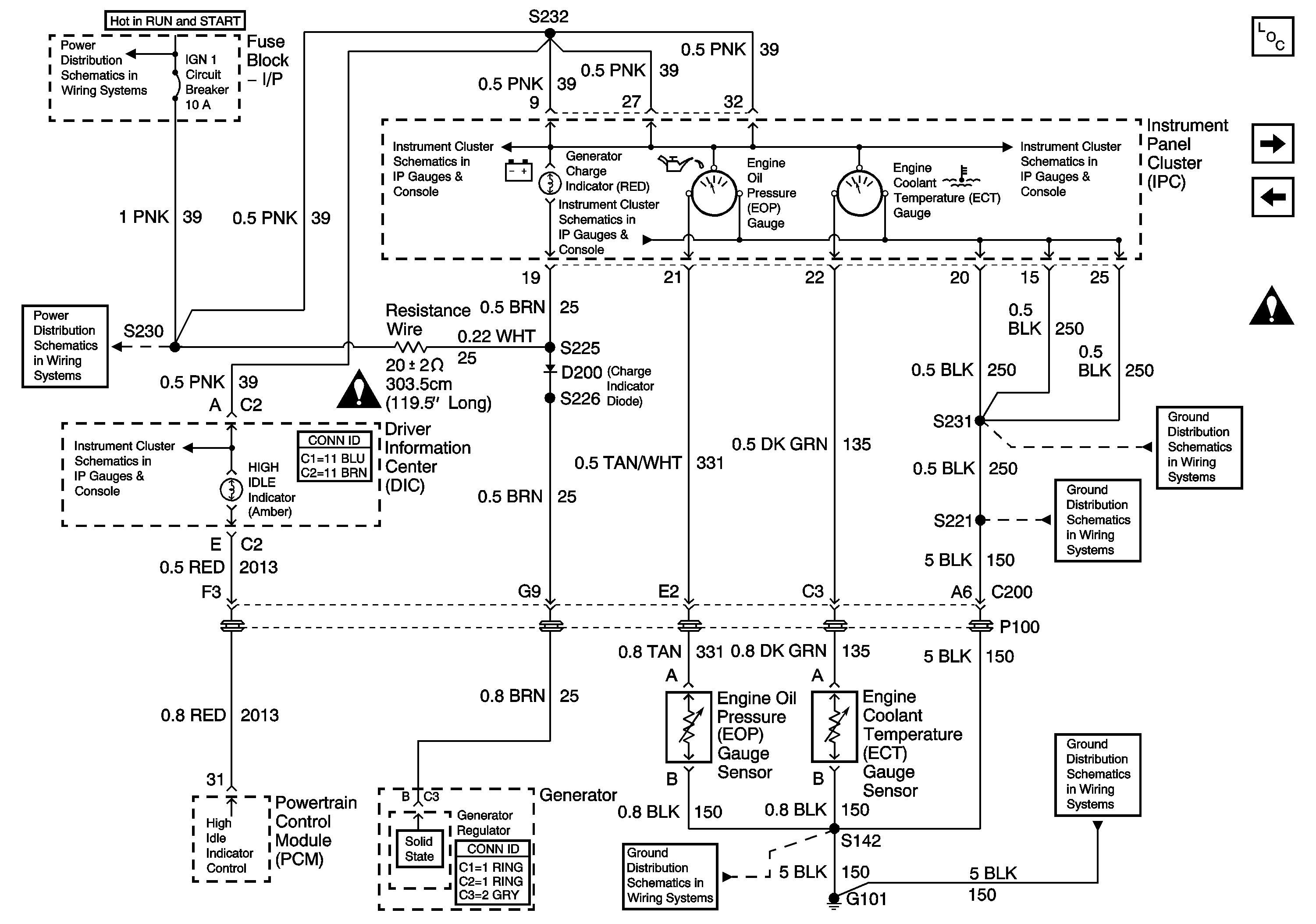
🢒 ECT and EOP Gauges and Sensors, Generator, Generator Charge and HI IDLE Indicators and PCM
ECT and EOP Gauges and Sensors, Generator, Generator Charge and HI IDLE Indicators and PCM
ECT and EOP Gauges and Sensors, Generator, Generator Charge and HI IDLE Indicators and PCM
Master Electrical Component List
EBCM, Engine Brake Relay, Switch and Solenoid Valve, and PCM
Vehicle Speed Sensor (VSS) (Late)
IGN 1 Circuit Breaker, S225, S226, S230
Driver Information Center (DIC), ABS, CHANGE OIL, DRL, ENGINE OVERSPEED, HIGH IDLE, INTAKE HEATER, LOW AIR, LOW COOLANT, PRIMARY BRAKE and SERVICE ENGINE SOON Indicators
Instrument Panel Cluster (IPC), Fuel Gauge, Generator Charge Indicator, Speedometer and Tachometer
ACC, B/U, CHASSIS, IGN 1, IGN 3 and START Circuit Breakers
Instrument Panel Cluster (IPC), CHECK GAUGES Indicator, Engine Coolant Temperature (ECT), and Engine Oil Pressure (EOP) Gauges and Voltmeter
G108, G207, G208 and S221 (LG5)
Instrument Panel Cluster (IPC), CHECK GAUGES Indicator, Engine Coolant Temperature (ECT), and Engine Oil Pressure (EOP) Gauges and Voltmeter
S105, S261 and S231
G101, S138, and S405 (LG5)
S142 and S241 (LG5)