GM Service Manual Online
For 1990-2009 cars only
Makes
🢒
Chevrolet
🢒
2002
🢒
Chevrolet C-Series Medium Duty Truck B7
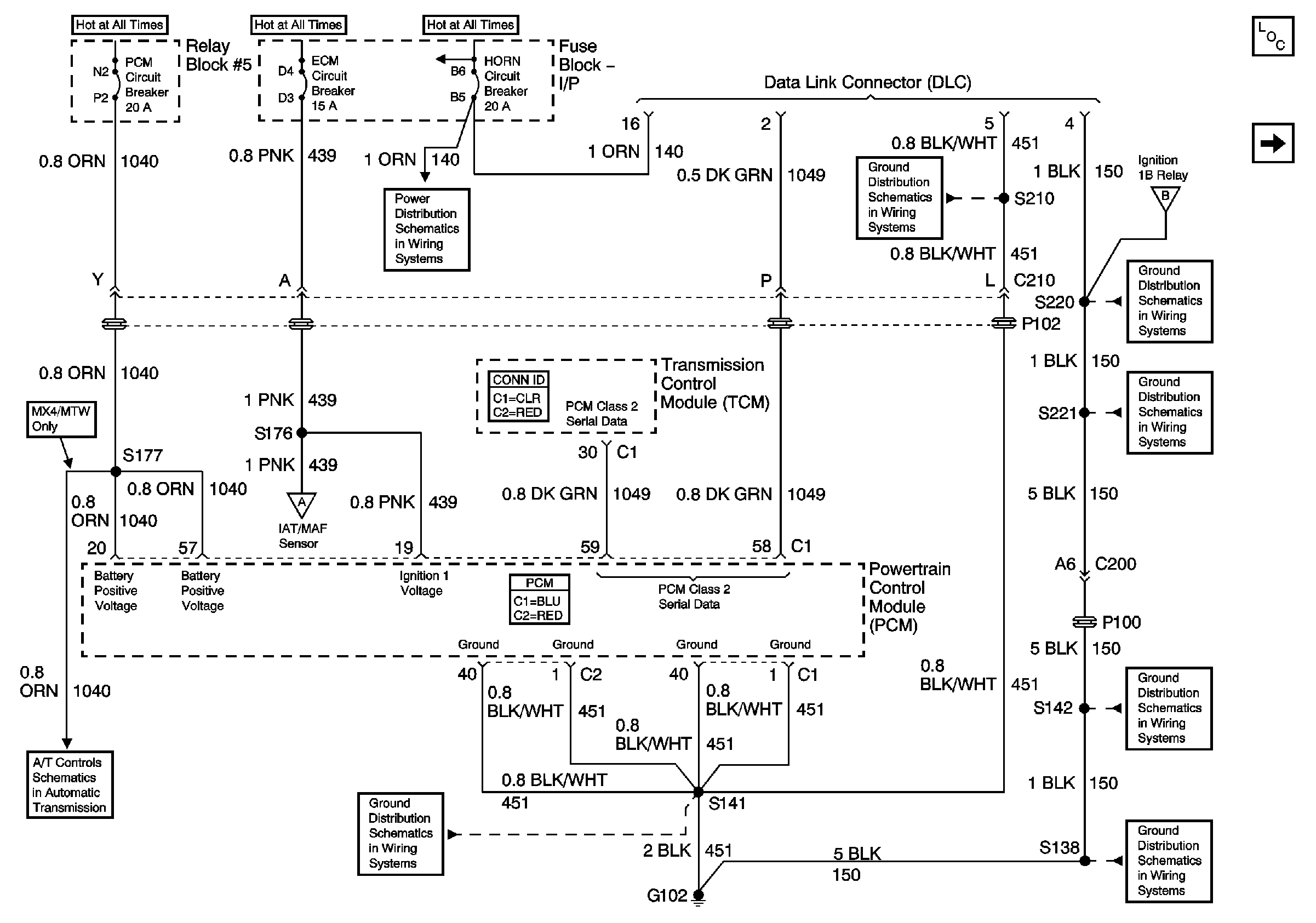
🢒 Data Link Connector (DLC), Powertrain Control Module (PCM), Power and Ground
Data Link Connector (DLC), Powertrain Control Module (PCM), Power and Ground
Data Link Connector (DLC), Powertrain Control Module (PCM), Power and Ground
Master Electrical Component List
Indicators
HAZ, HORNS, PNL, STOP LP and TL/MKR Circuit Breakers
S141 and S210 (L18)
Power Distribution for Ignition Coils and Fuel Injectors
G108 and S220 (L18)
G207, G208 and S221 (L18)
Intake Air Temperature (IAT)/Mass Air Flow (MAF) and Manifold Absolute Pressure (MAP) Sensors
Power and Ground, MIL (MX4/MTW)
S141 and S210 (L18)
S142, S178, S179, S405 and S409 (L18)
G102 and S138 (L18)