GM Service Manual Online
For 1990-2009 cars only
Makes
🢒
Chevrolet
🢒
2002
🢒
Chevrolet C-Series Medium Duty Truck B7
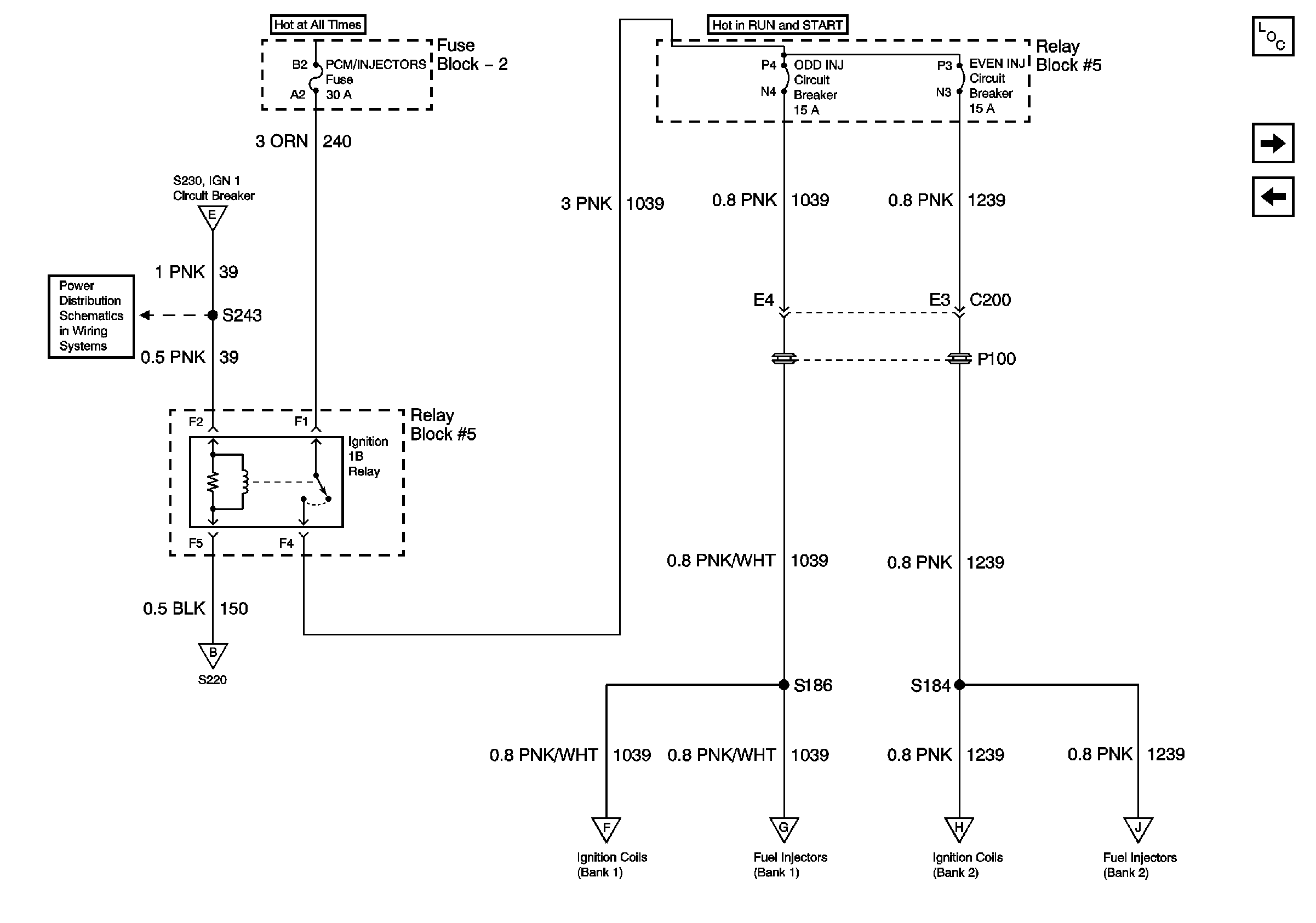
🢒 Power Distribution for Ignition Coils and Fuel Injectors
Power Distribution for Ignition Coils and Fuel Injectors
Power Distribution for Ignition Coils and Fuel Injectors
Master Electrical Component List
Ignition Coils
Indicators
Indicators
IGN 1 Circuit Breaker, S232, S243
Data Link Connector (DLC), Powertrain Control Module (PCM), Power and Ground
Ignition Coils
Fuel Enable and Fuel Injectors
Ignition Coils
Fuel Enable and Fuel Injectors