GM Service Manual Online
For 1990-2009 cars only
Makes
🢒
Chevrolet
🢒
2002
🢒
Chevrolet C-Series Medium Duty Truck B7
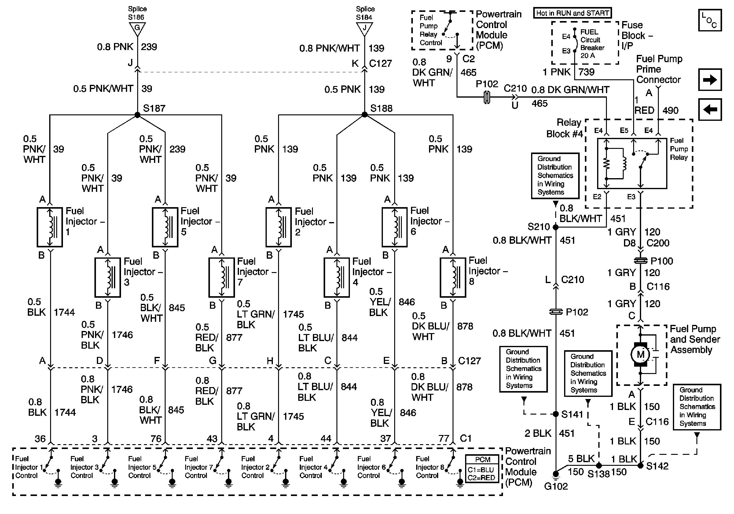
🢒 Fuel Enable and Fuel Injectors
Fuel Enable and Fuel Injectors
Fuel Enable and Fuel Injectors
Master Electrical Component List
Automatic Engine Shutdown and Warning
Camshaft Position (CMP) and Crankshaft Position (CKP) Sensors, Knock Sensors (KS) and Tachometer
Power Distribution for Ignition Coils and Fuel Injectors
Power Distribution for Ignition Coils and Fuel Injectors
S141 and S210 (L18)
S141 and S210 (L18)
S142, S178, S179, S405 and S409 (L18)
S141 and S210 (L18)
G102 and S138 (L18)