GM Service Manual Online
For 1990-2009 cars only
Makes
🢒
Chevrolet
🢒
2002
🢒
Chevrolet C-Series Medium Duty Truck B7
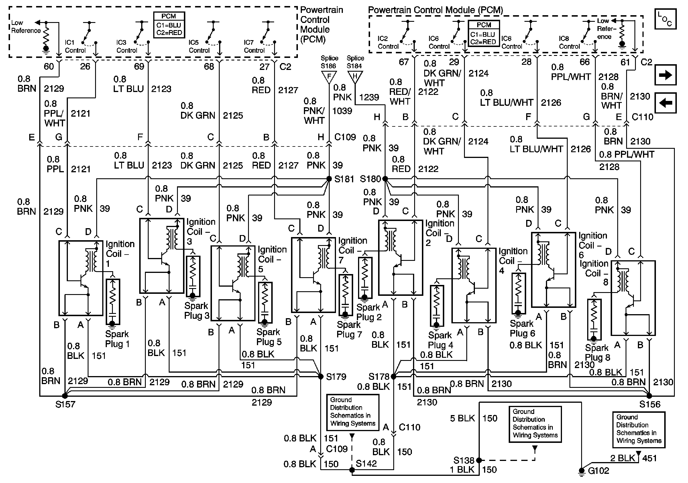
🢒 Ignition Coils
Ignition Coils
Ignition Coils
Master Electrical Component List
Camshaft Position (CMP) and Crankshaft Position (CKP) Sensors, Knock Sensors (KS) and Tachometer
Power Distribution for Ignition Coils and Fuel Injectors
Power Distribution for Ignition Coils and Fuel Injectors
Power Distribution for Ignition Coils and Fuel Injectors
S142, S178, S179, S405 and S409 (L18)
G102 and S138 (L18)
G102 and S138 (L18)