GM Service Manual Online
For 1990-2009 cars only
Makes
🢒
Chevrolet
🢒
2002
🢒
Chevrolet C-Series Medium Duty Truck B7
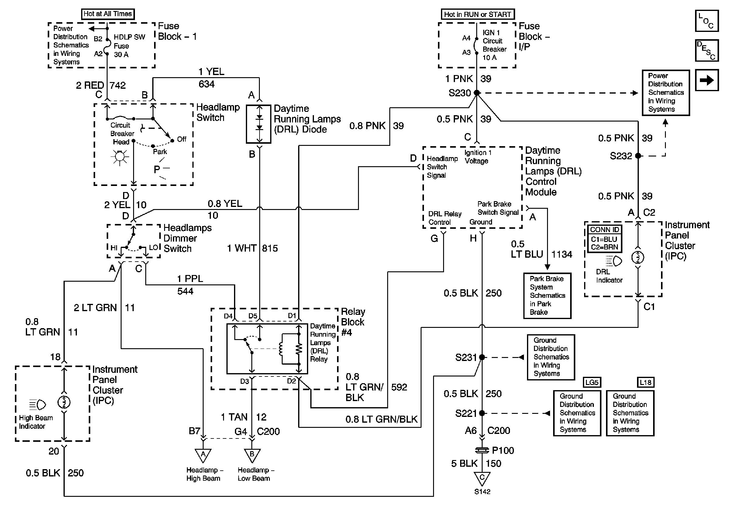
🢒 Circuit Power, Daytime Running Lamps (DRL) Controls
Circuit Power, Daytime Running Lamps (DRL) Controls
Circuit Power, Daytime Running Lamps (DRL) Controls
Master Electrical Component List
Exterior Lighting Systems Description and Operation
Headlamp, Park Brake Control, Ground Circuit
Headlamp, Park Brake Control, Ground Circuit
Headlamp, Park Brake Control, Ground Circuit
Headlamp, Park Brake Control, Ground Circuit
Battery and BRK, HORNS and STOP LP Circuit Breakers, HD LP SW, HORN/STOP and IGN SW 1 Fuses
IGN 1 Circuit Breaker, S225, S226, S230
S105, S261 and S231
G108, G207, G208 and S221 (LG5)
G207, G208 and S221 (L18)
Park Brake Schematics