GM Service Manual Online
For 1990-2009 cars only
Makes
🢒
Chevrolet
🢒
2002
🢒
Chevrolet C-Series Medium Duty Truck B7
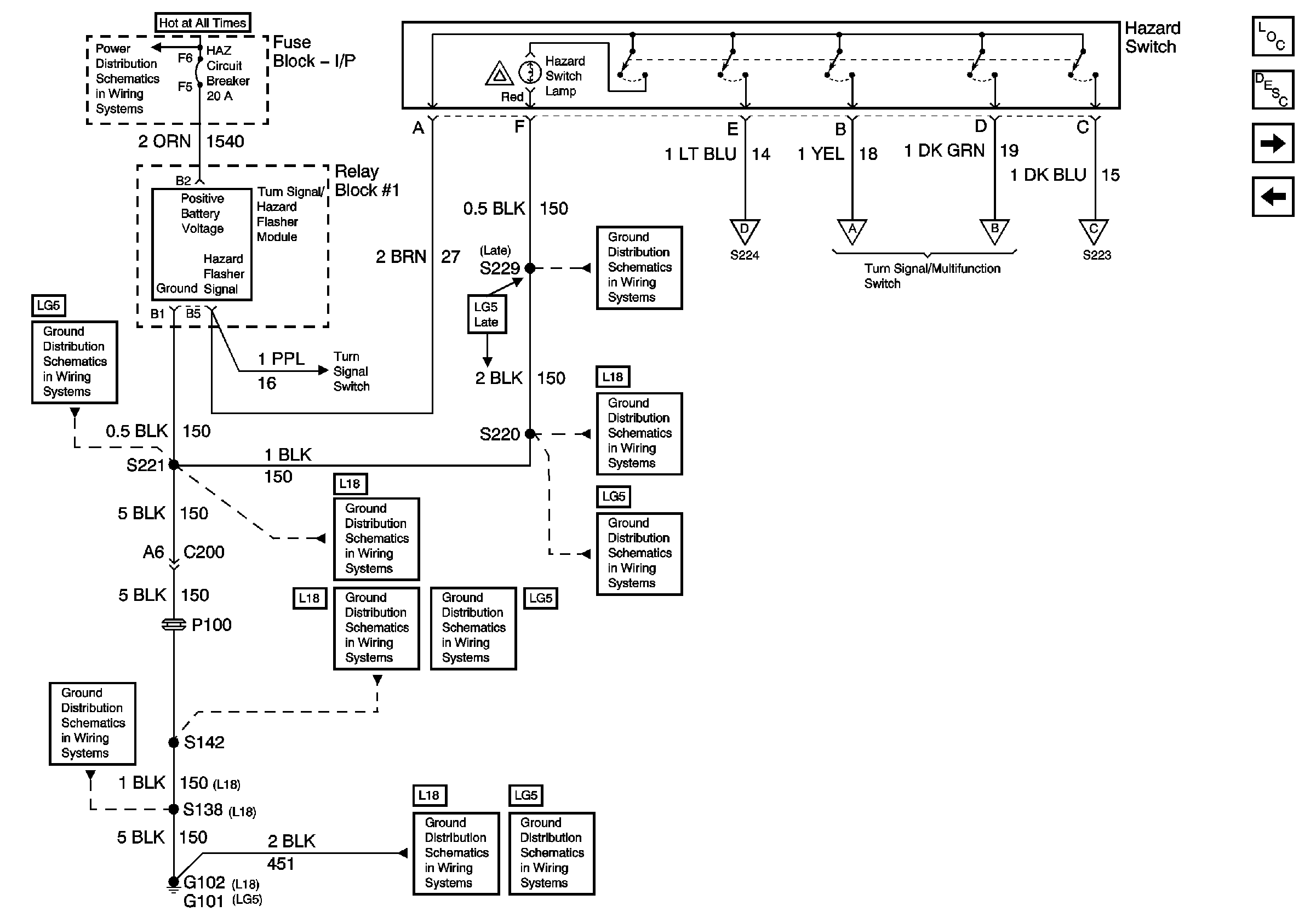
🢒 Hazard Lamps
Hazard Lamps
Hazard Lamps
Master Electrical Component List
Exterior Lighting Systems Description and Operation
Park Lamps
Turn Signals
Turn Signals
Turn Signals
Turn Signals
Turn Signals
HAZ, HORNS, PNL, STOP LP and TL/MKR Circuit Breakers
Turn Signals
S220, S229 (LG5 - Late)
G108 and S220 (L18)
S220, S229 (LG5 - Late)
G207, G208 and S221 (L18)
G108, G207, G208 and S221 (LG5)
S142, S178, S179, S405 and S409 (L18)
S142 and S241 (LG5)
G102 and S138 (L18)
G102 and S138 (L18)