GM Service Manual Online
For 1990-2009 cars only
Makes
🢒
Chevrolet
🢒
2002
🢒
Chevrolet C-Series Medium Duty Truck B7
🢒 Brake Warning System Schematics - L18 2of 2
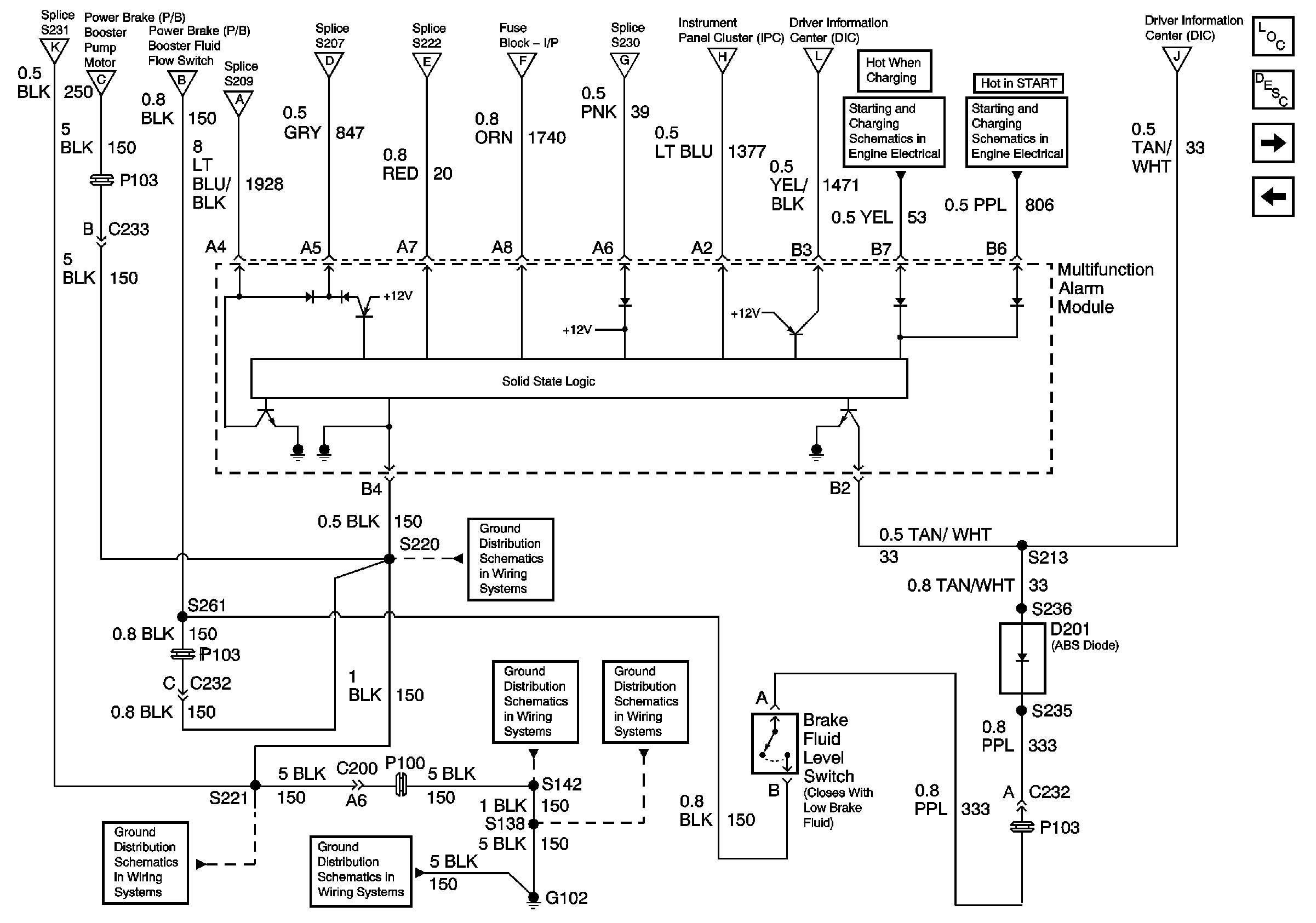
Brake Warning System Schematics - L18 2of 2
Brake Fluid Level Switch, D201 (ABS Diode), Electronic Brake Control Module (EBCM), Multifunction Alarm Module (L18)
Master Electrical Component List
Brake Warning System Description and Operation
Brake Warning System Schematics - LG5 1of 2
Brake Warning System Schematics - L18 1of 2
Brake Warning System Schematics - L18 1of 2
Starting and Charging Schematics - L18 Starting Circuit
Starting and Charging Schematics - L18 Charging Circuit
Brake Warning System Schematics - L18 1of 2
Brake Warning System Schematics - L18 1of 2
Brake Warning System Schematics - L18 1of 2
Brake Warning System Schematics - L18 1of 2
Brake Warning System Schematics - L18 1of 2
Brake Warning System Schematics - L18 1of 2
Brake Warning System Schematics - L18 1of 2
Brake Warning System Schematics - L18 1of 2
Brake Warning System Schematics - L18 1of 2
Brake Warning System Schematics - L18 1of 2
02Ground Distribution Schematics - G108, and S220 L18
Ground Distribution Schematics - S142, S178, S179, S405 and S409 L18
Ground Distribution Schematics - G102, and S138 L18
Ground Distribution Schematics - G207, G208, and S221 L18
Ground Distribution Schematics - G102, and S138 L18