GM Service Manual Online
For 1990-2009 cars only
Makes
🢒
Chevrolet
🢒
2002
🢒
Chevrolet C-Series Medium Duty Truck B7
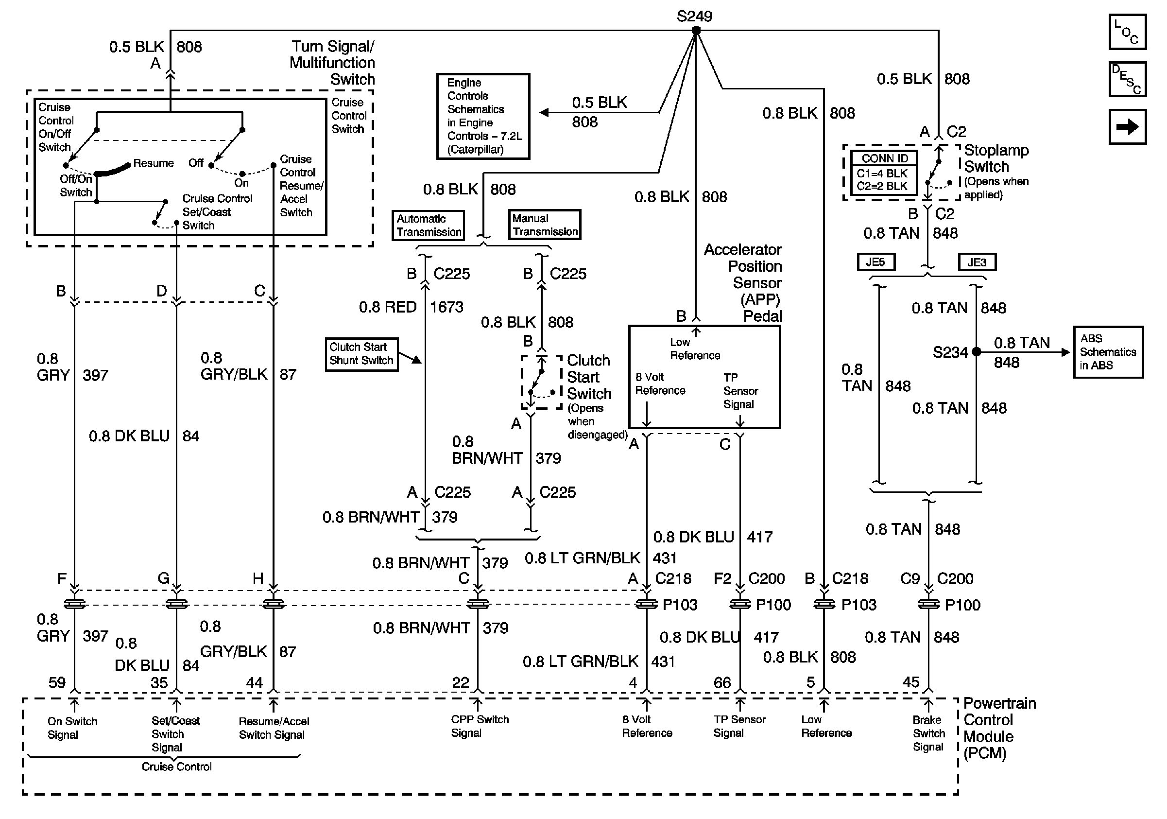
🢒 Cruise Control Schematics - LG5 1of 2
Cruise Control Schematics - LG5 1of 2
Cruise Control (LG5) (1 of 2)
Engine Controls Schematics - Accelerator Pedal Position (APP) Sensor, Clutch Pedal Position (CPP), Turn Signal/Multifunction, High Idle and Stoplamp Switches, EBCM and PCM
Master Electrical Component List
Cruise Control Description and Operation
Cruise Control Schematics - LG5 2 of 2
02 MD-B7 ABS Schematics - EBCM, ABS Indicator, FB-2, FB-I/P02 MD-B7 ABS SchemaABS Schematics - EBCM, ABS Indicator, FB-2, FB-I/P