GM Service Manual Online
For 1990-2009 cars only
Makes
🢒
Chevrolet
🢒
2002
🢒
Chevrolet C-Series Medium Duty Truck B7
🢒 Interior Lights Schematics
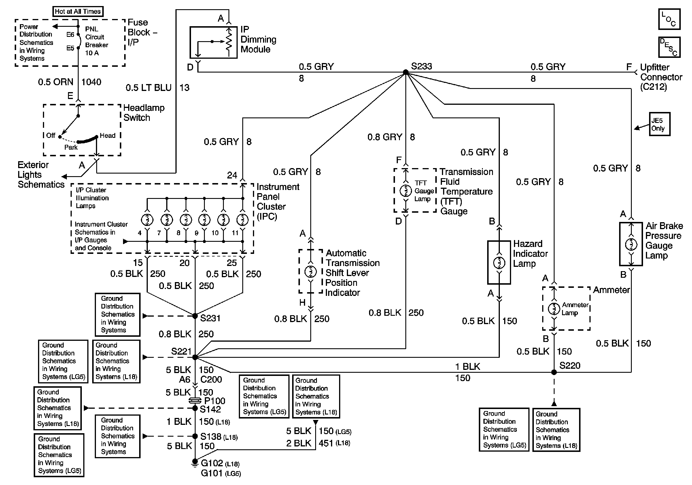
Interior Lights Schematics
Master Electrical Component List
Interior Lighting Systems Description and Operation
Power Distribution Schematics - HAZ, Horns, PNL, STOP LP and TL/MKR Circuit Breakers
Exterior Lights Schematics - Park Lamps
Instrument Cluster Schematics - IPC, High Beam, LT and RT Ind, I/P ILL
Ground Distribution Schematics - S105, S261, and S231
Ground Distribution Schematics - G108, G207, G208 and S221 LG5
Ground Distribution Schematics - G207, G208, and S221 L18
Ground Distribution Schematics - S142 and S241 LG5
Ground Distribution Schematics - S142, S178, S179, S405 and S409 L18
Ground Distribution Schematics - G102, and S138 L18
Ground Distribution Schematics - G101, S138, S405 and S409 L18
Ground Distribution Schematics - G102, and S138 L18
Ground Distribution Schematics - S220, S229 LG5
02Ground Distribution Schematics - G108, and S220 L18