GM Service Manual Online
For 1990-2009 cars only
Makes
🢒
Chevrolet
🢒
1999
🢒
Chevrolet C-Series Medium Duty Truck C6/C7/C8
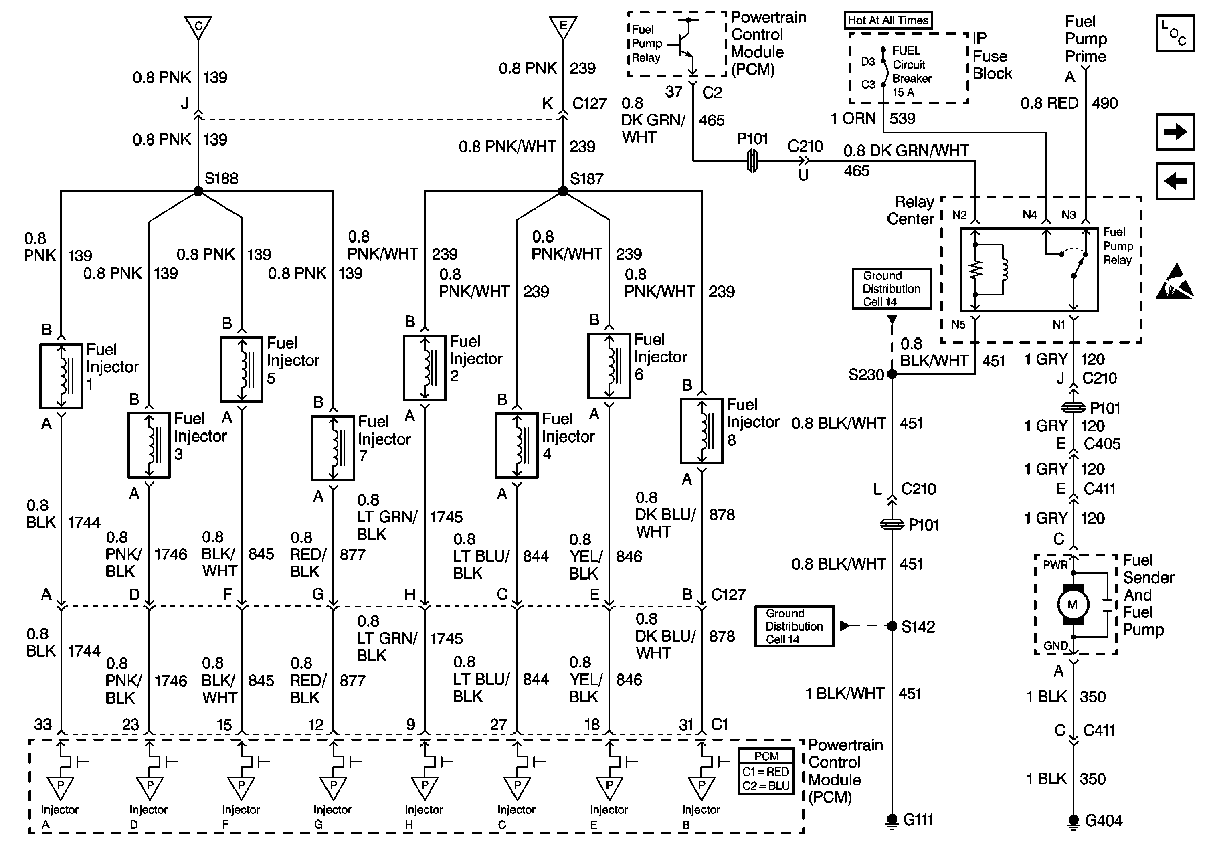
🢒 Cell 20: Multiport Fuel Injectors, Fuel Pump, Fuel Pump Relay
Cell 20: Multiport Fuel Injectors, Fuel Pump, Fuel Pump Relay
Cell 20: Multiport Fuel Injectors, Fuel Pump, Fuel Pump Relay
Engine Controls Components
Cell 20: Fuel Gauge, Fuel Pump Relay - Dual Tanks
Cell 20: Camshaft Position Sensor, Crankshaft Position Sensor
Handling ESD Sensitive Parts Notice