GM Service Manual Online
For 1990-2009 cars only
Makes
🢒
Chevrolet
🢒
1999
🢒
Chevrolet C-Series Medium Duty Truck C6/C7/C8
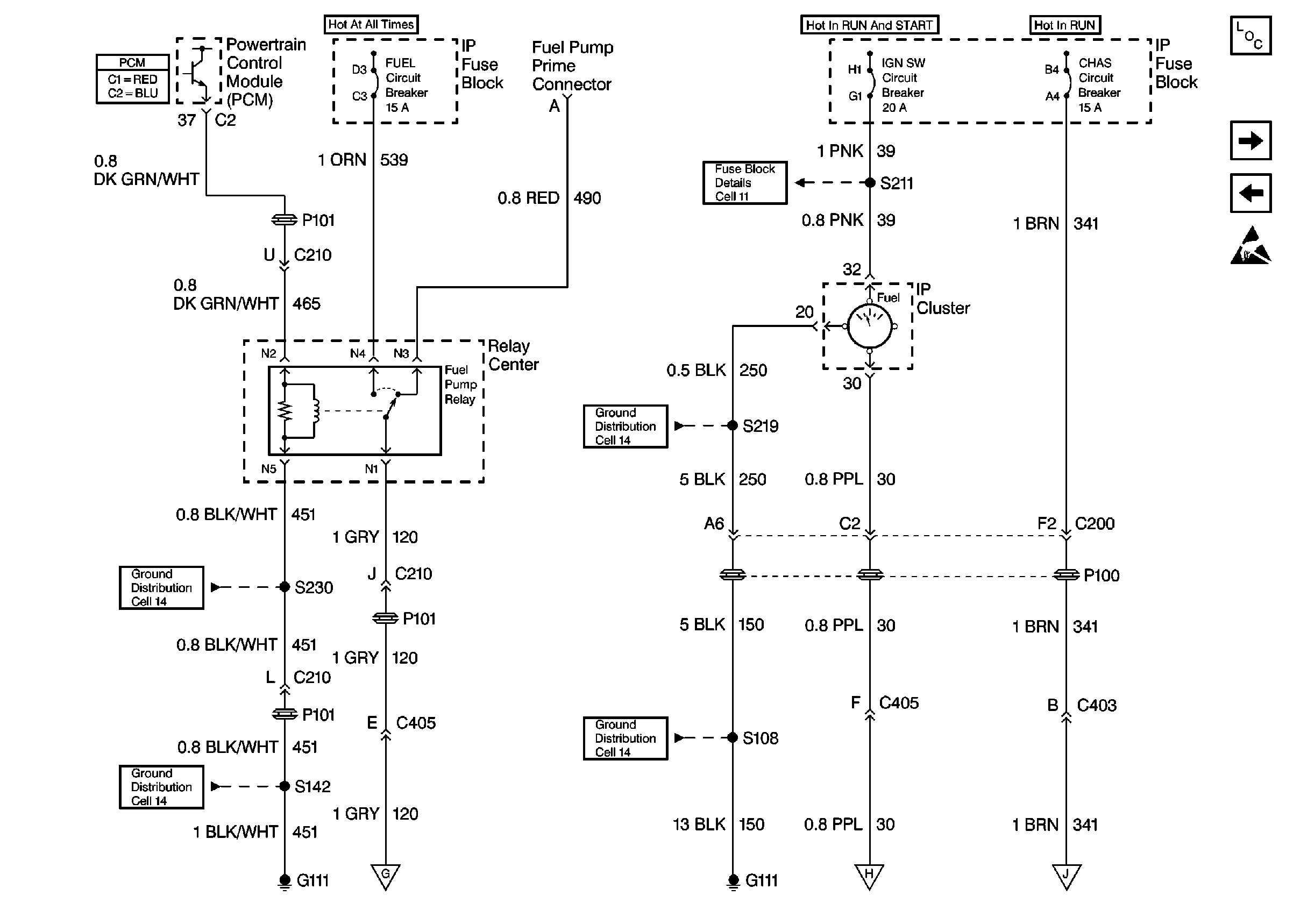
🢒 Cell 20: Fuel Gauge, Fuel Pump Relay - Dual Tanks
Cell 20: Fuel Gauge, Fuel Pump Relay - Dual Tanks
Cell 20: Fuel Gauge, Fuel Pump Relay -- Dual Tanks
Engine Controls Components
Cell 20: Dual Fuel Tanks, Fuel Sender and Balance Pump Control Module
Cell 20: Multiport Fuel Injectors, Fuel Pump, Fuel Pump Relay
Handling ESD Sensitive Parts Notice
Cell 20: Dual Fuel Tanks, Fuel Sender and Balance Pump Control Module
Cell 20: Dual Fuel Tanks, Fuel Sender and Balance Pump Control Module
Cell 20: Dual Fuel Tanks, Fuel Sender and Balance Pump Control Module