GM Service Manual Online
For 1990-2009 cars only
Makes
🢒
Chevrolet
🢒
1999
🢒
Chevrolet C-Series Medium Duty Truck C6/C7/C8
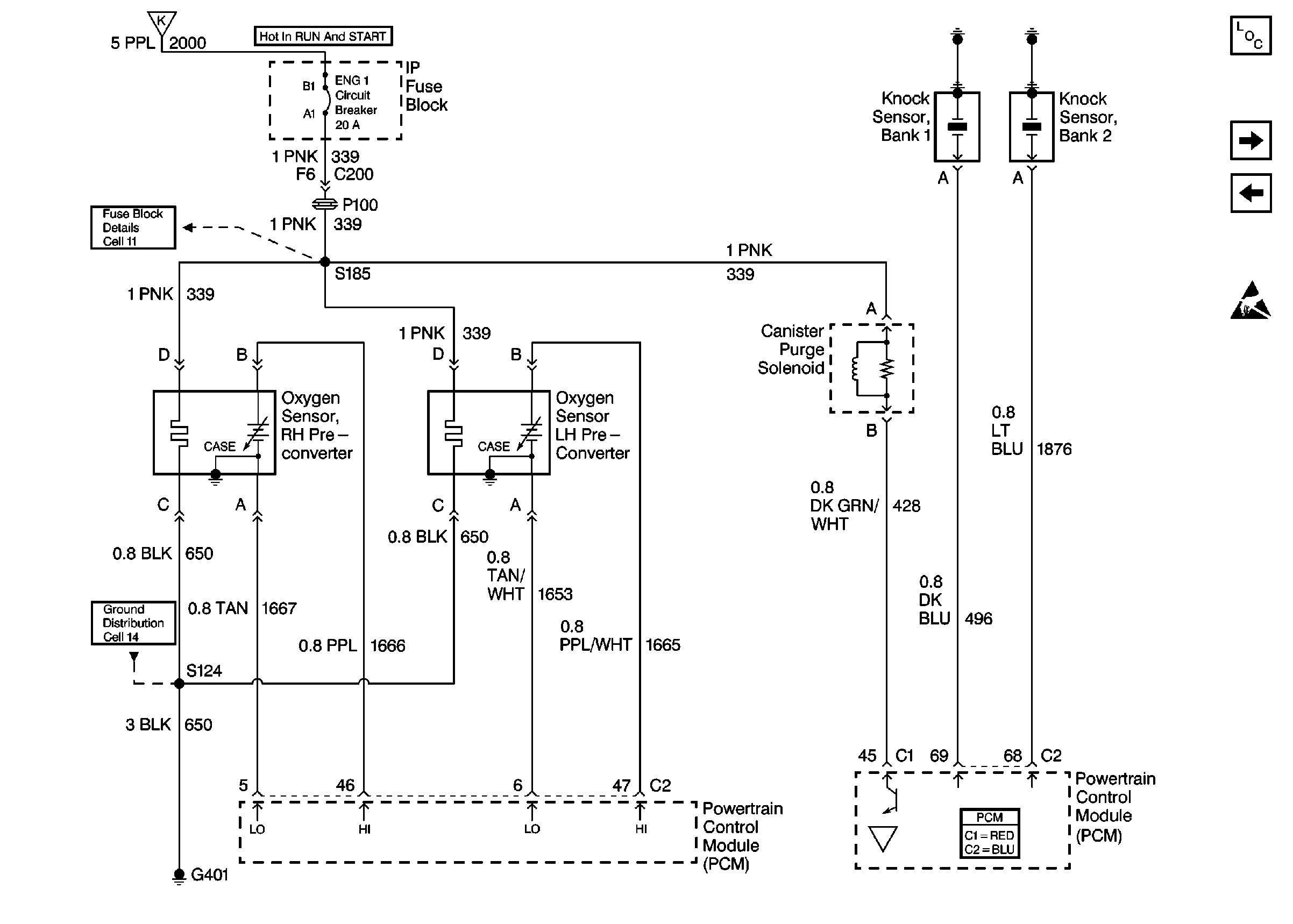
🢒 Cell 20: Oxygen Sensors, Knock Sensors, Canister Purge Solenoid
Cell 20: Oxygen Sensors, Knock Sensors, Canister Purge Solenoid
Cell 20: Oxygen Sensors, Knock Sensors, Canister Purge Solenoid
Engine Controls Components
Cell 20: Mass Air Flow Sensor, Clutch Pedal Position Switch, Starter RElay
Cell 20: Engine Sensors, Exhaust Gas Recirculation Valve
Handling ESD Sensitive Parts Notice