GM Service Manual Online
For 1990-2009 cars only
Makes
🢒
Chevrolet
🢒
1999
🢒
Chevrolet C-Series Medium Duty Truck C6/C7/C8
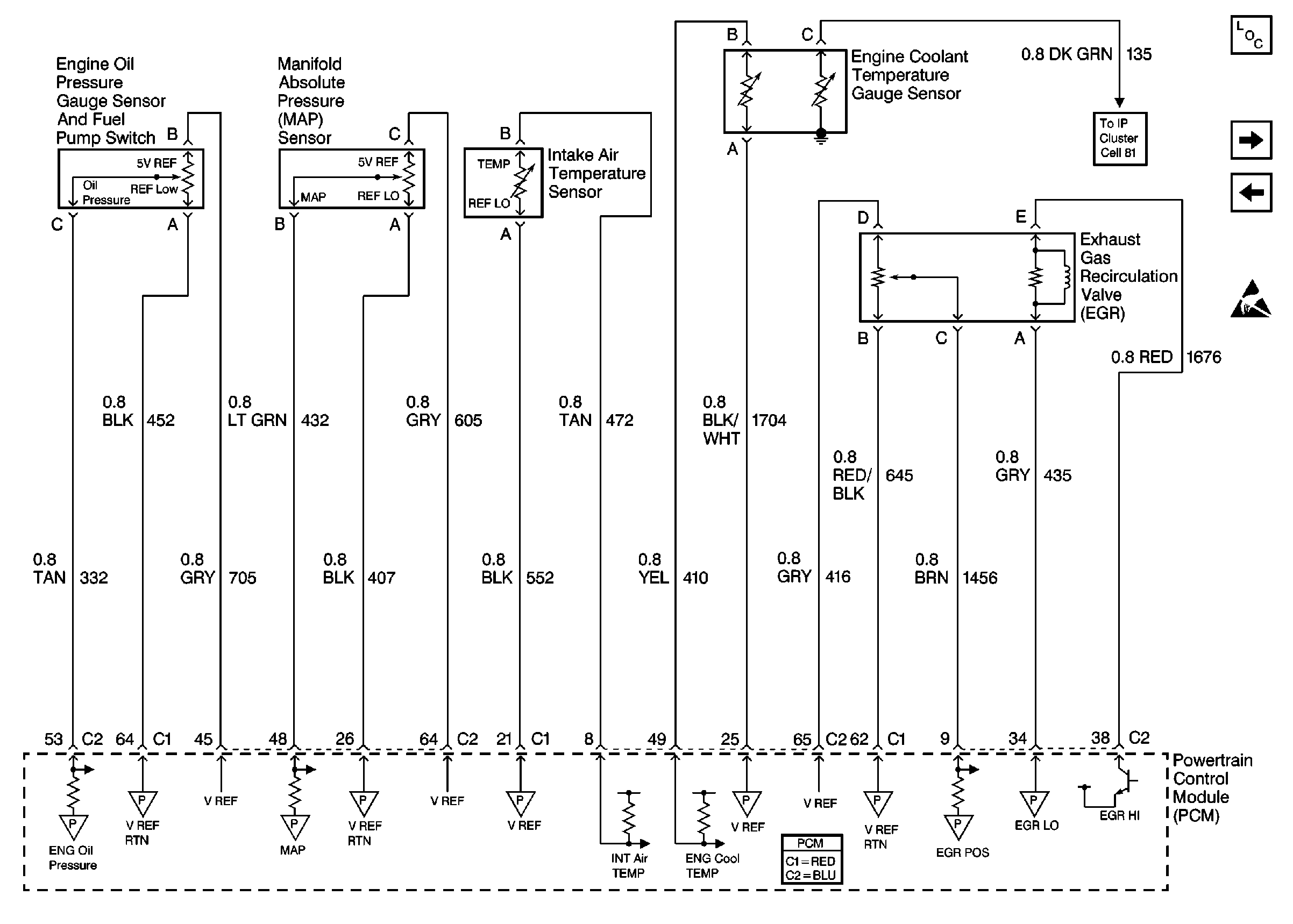
🢒 Cell 20: Engine Sensors, Exhaust Gas Recirculation Valve
Cell 20: Engine Sensors, Exhaust Gas Recirculation Valve
Cell 20: Engine Sensors, Exhaust Gas Recirculation Valve
Engine Controls Components
Cell 20: Oxygen Sensors, Knock Sensors, Canister Purge Solenoid
Cell 20: Throttle Stepper Motor, Electronic Throttle Actuator Control MOdule
Handling ESD Sensitive Parts Notice