GM Service Manual Online
For 1990-2009 cars only
Makes
🢒
Chevrolet
🢒
2000
🢒
Chevrolet C-Series Medium Duty Truck C6/C7/C8
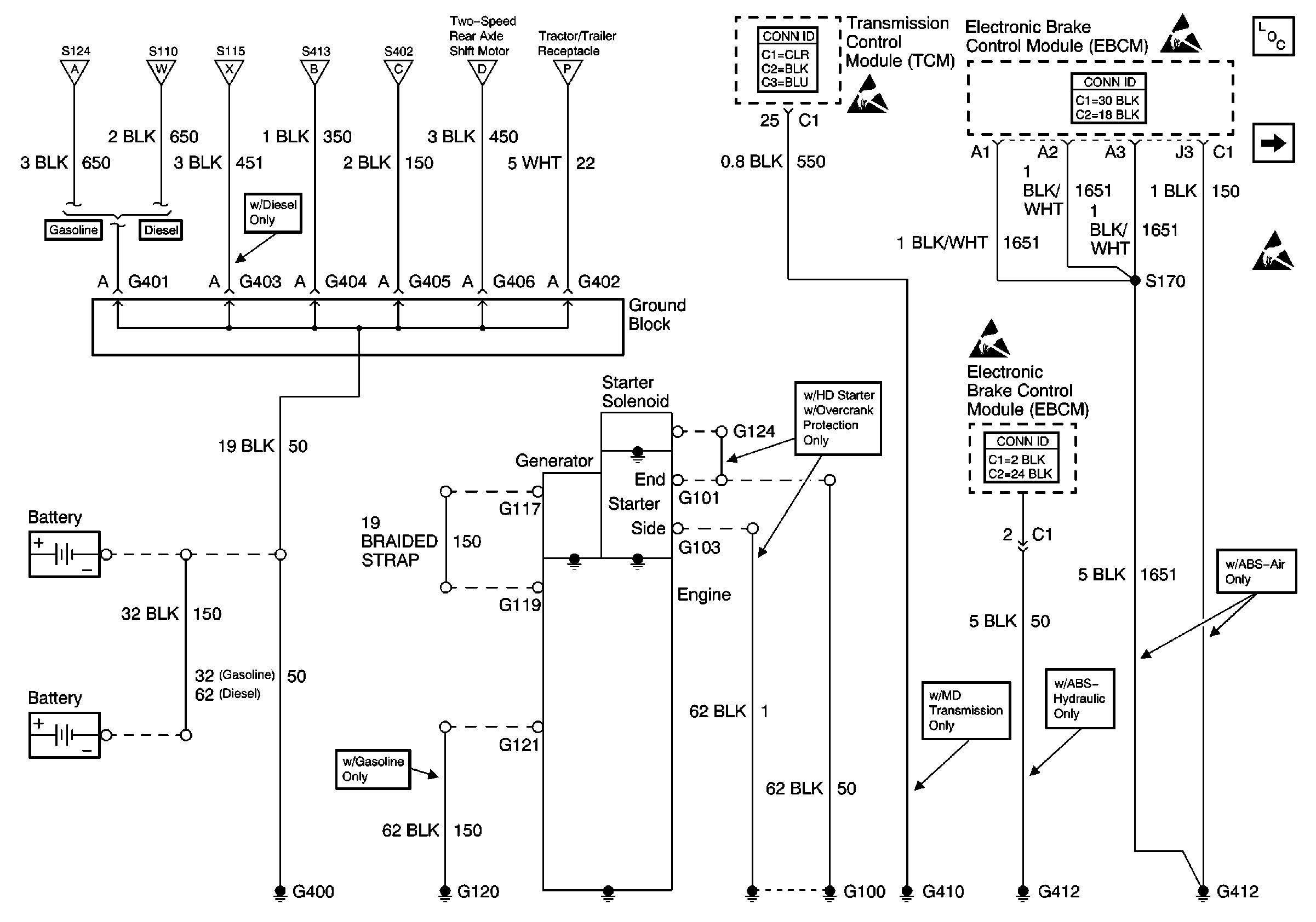
🢒 G100, G101, G103, G117, G119, G120, G121, G124, G400, G401, G402, G403,G404, G405, G406, G410, G412
G100, G101, G103, G117, G119, G120, G121, G124, G400, G401, G402, G403,G404, G405, G406, G410, G412
G100, G101, G103, G117, G119, G120, G121, G124, G400, G401, G402, G403, G404, G405, G406, G410, G412
Power and Grounding Components Ground Distribution
S402, S409, S413
Handling ESD Sensitive Parts Notice
Handling ESD Sensitive Parts Notice
Handling ESD Sensitive Parts Notice
S124, S141, S178, S144
S110, S112
S142 (Gasoline), S115 (Diesel), S230
S402, S409, S413
S402, S409, S413
S402, S409, S413
G111 (Gasoline), G101 (Diesel)
Air Antilock Brake System Connector End Views
Antilock Brake System Connector End Views