GM Service Manual Online
For 1990-2009 cars only
Makes
🢒
Chevrolet
🢒
2000
🢒
Chevrolet C-Series Medium Duty Truck C6/C7/C8
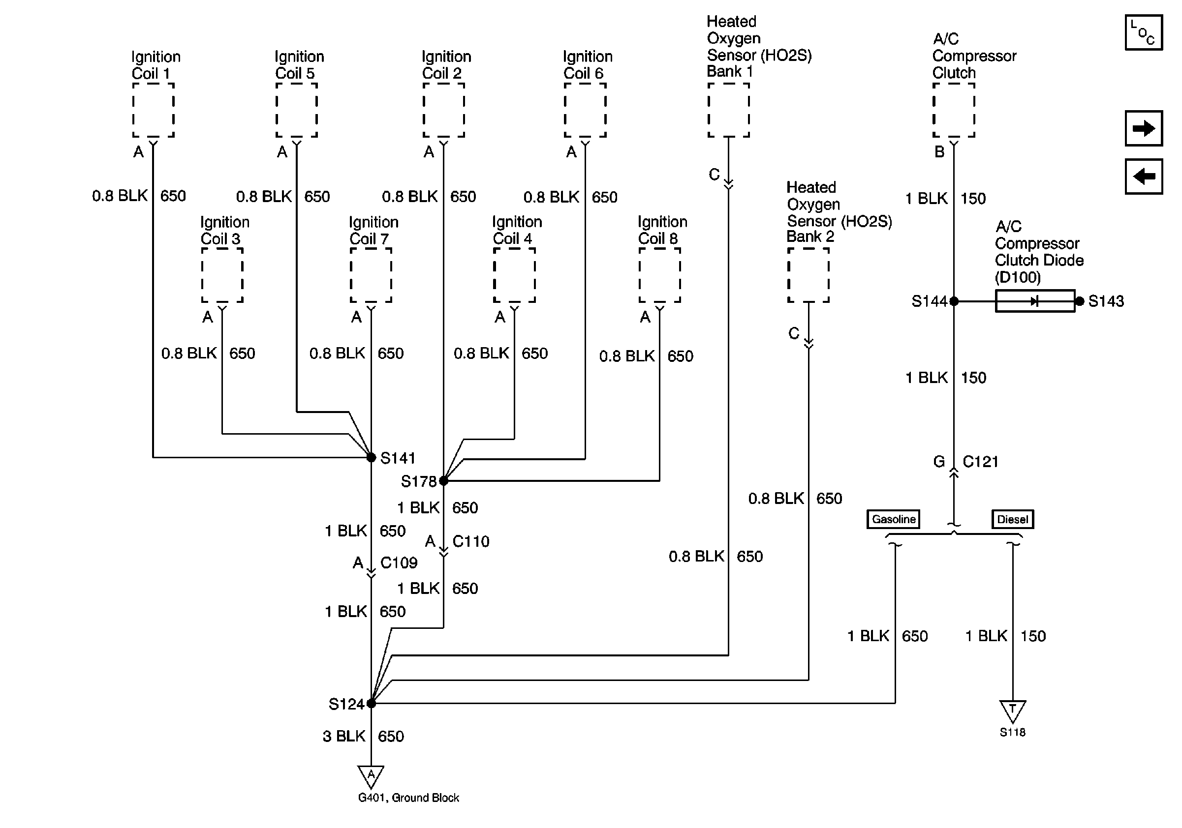
🢒 S124, S141, S178, S144
S124, S141, S178, S144
S124, S141, S178, S144
Power and Grounding Components Ground Distribution
S110, S112
G210, S204, S245
G100, G101, G103, G117, G119, G120, G121, G124, G400, G401, G402, G403,G404, G405, G406, G410, G412
S117, S118