GM Service Manual Online
For 1990-2009 cars only
Makes
🢒
Chevrolet
🢒
2000
🢒
Chevrolet C-Series Medium Duty Truck C6/C7/C8
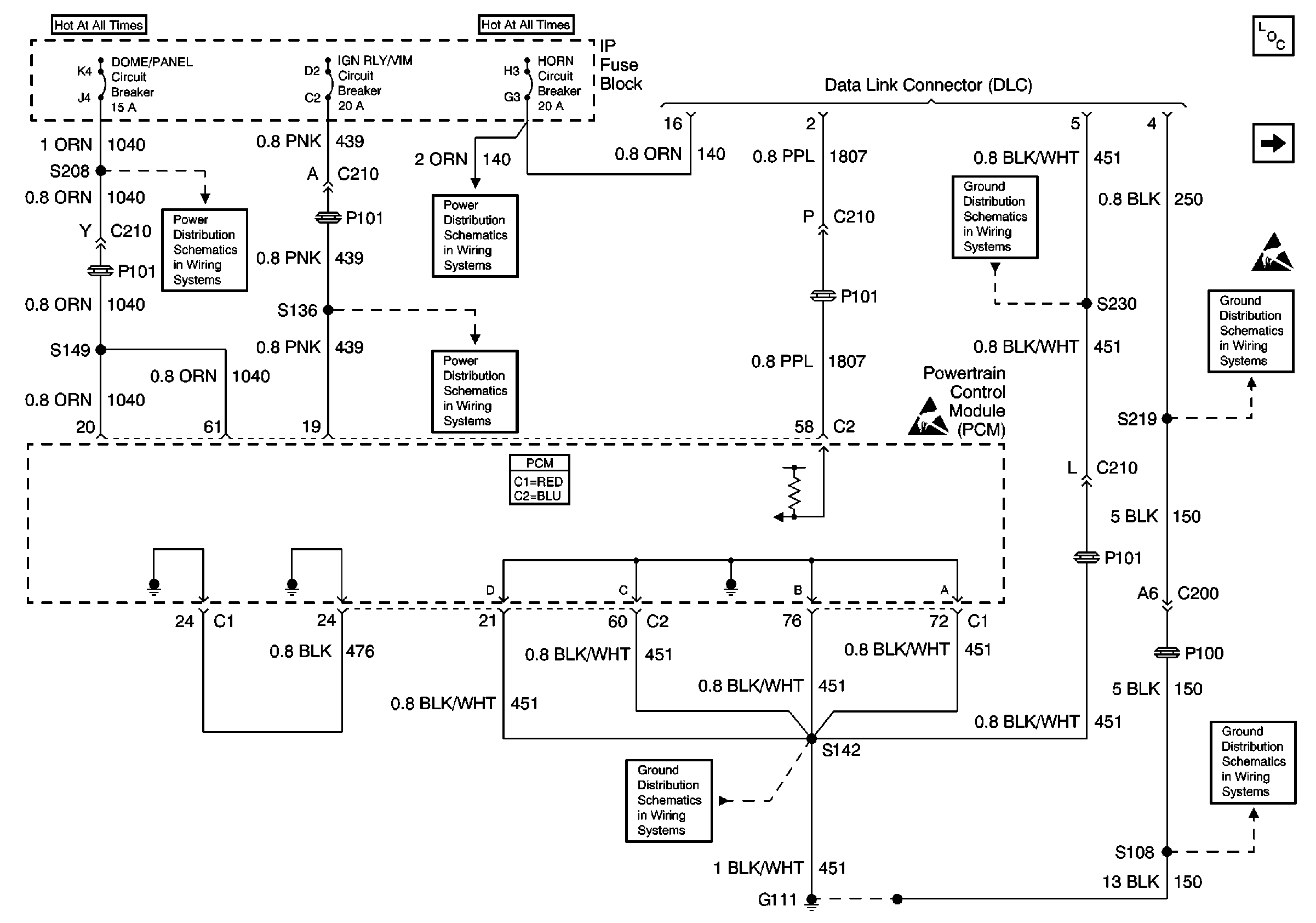
🢒 DLC, PCM Power and Ground
DLC, PCM Power and Ground
DLC, PCM Power and Ground
Engine Controls Components
Indicators
Handling ESD Sensitive Parts Notice
DOME/PANEL, PARK LP, MKR LP Circuit Breakers
BLOWER, HORN, CIG/AUX Circuit Breakers
STOP, TRN/HAZ, FUEL, IGN RLY/VIM Circuit Breakers
Powertrain Control Module Connector End Views
Handling ESD Sensitive Parts Notice
S142 (Gasoline), S115 (Diesel), S230
S142 (Gasoline), S115 (Diesel), S230
S216, S219
G111 (Gasoline), G101 (Diesel)