GM Service Manual Online
For 1990-2009 cars only
Makes
🢒
Chevrolet
🢒
2000
🢒
Chevrolet C-Series Medium Duty Truck C6/C7/C8
🢒 Ignition Coils, Bank 2
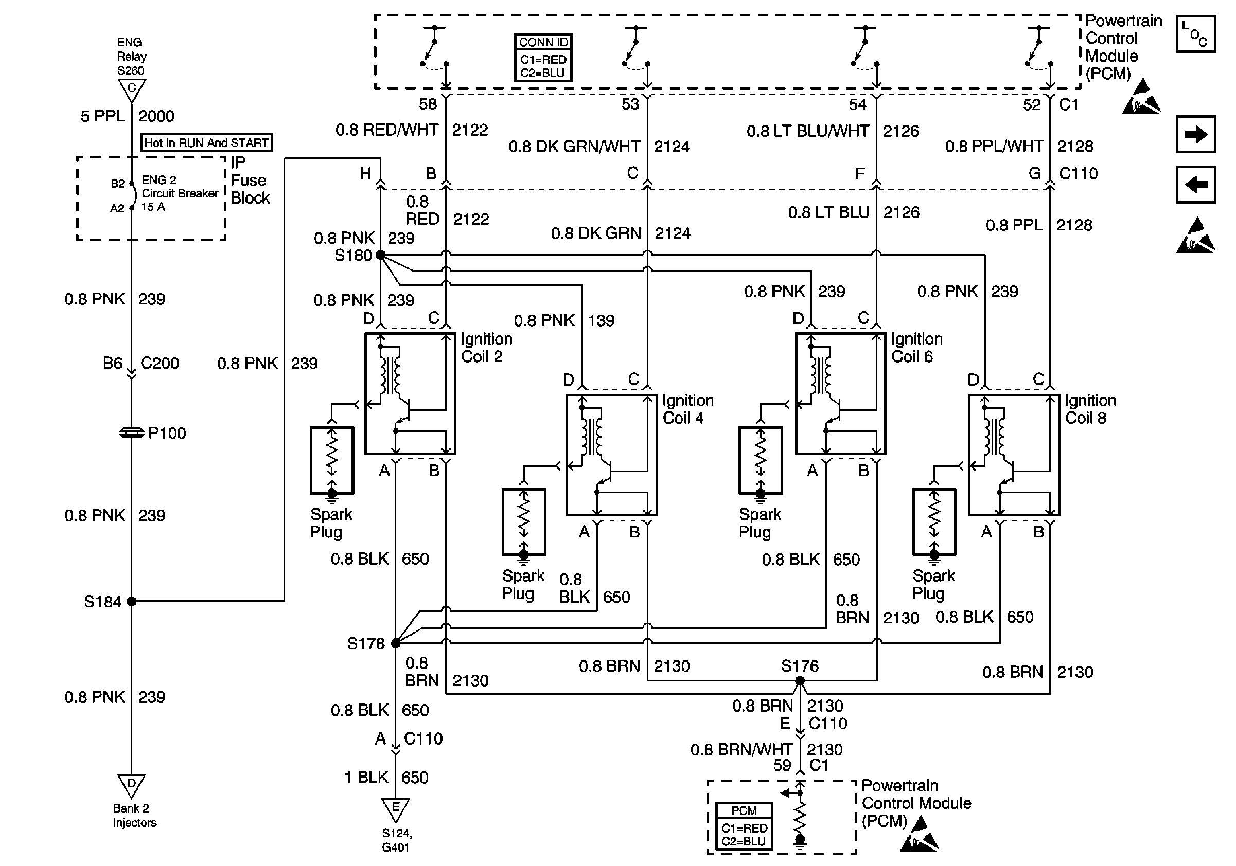
Ignition Coils, Bank 2
Ignition Coils, Bank 2
Engine Controls Components
CKP and CMP Sensors, KS and Tachometer
Ignition Coils, Bank 1
Handling ESD Sensitive Parts Notice
Powertrain Control Module Connector End Views
Ignition Coils, Bank 1
Handling ESD Sensitive Parts Notice
Fuel Injectors
Ignition Coils, Bank 1
Powertrain Control Module Connector End Views
Handling ESD Sensitive Parts Notice