GM Service Manual Online
For 1990-2009 cars only
Makes
🢒
Chevrolet
🢒
2000
🢒
Chevrolet C-Series Medium Duty Truck C6/C7/C8
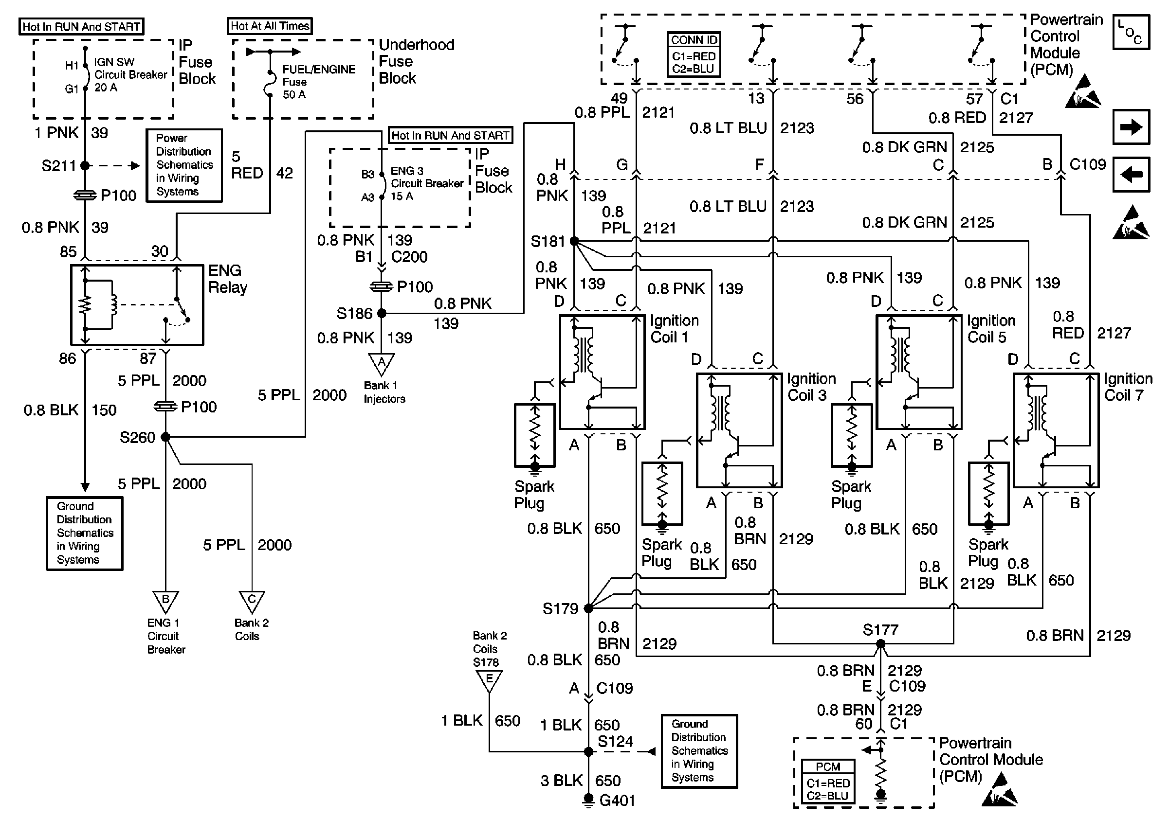
🢒 Ignition Coils, Bank 1
Ignition Coils, Bank 1
Ignition Coils, Bank 1
Engine Controls Components
Ignition Coils, Bank 2
Indicators
Handling ESD Sensitive Parts Notice
Powertrain Control Module Connector End Views
IGN SW Circuit Breaker (1 of 4)
Handling ESD Sensitive Parts Notice
Fuel Injectors
S117, S118
HO2S
Ignition Coils, Bank 2
Ignition Coils, Bank 2
S124, S141, S178, S144
Powertrain Control Module Connector End Views
Handling ESD Sensitive Parts Notice