GM Service Manual Online
For 1990-2009 cars only
Makes
🢒
Chevrolet
🢒
2000
🢒
Chevrolet C-Series Medium Duty Truck C6/C7/C8
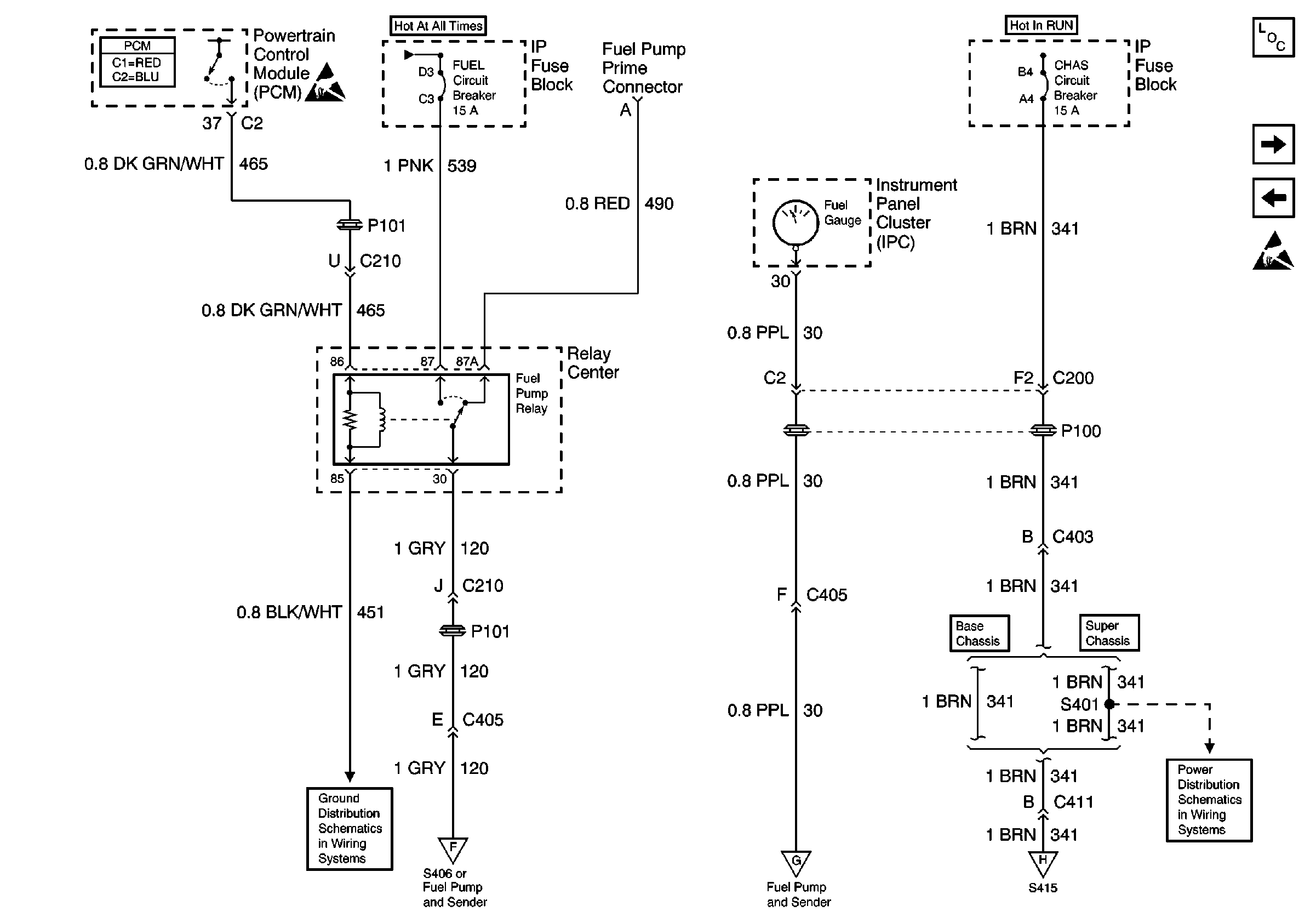
🢒 Fuel Enable and Fuel Gauge
Fuel Enable and Fuel Gauge
Fuel Enable and Fuel Gauge
Engine Controls Components
Fuel Pumps and Fuel Senders
CKP and CMP Sensors, KS and Tachometer
Handling ESD Sensitive Parts Notice
Instrument Panel Cluster, Convenience Center
Fuel Pumps and Fuel Senders
Fuel Pumps and Fuel Senders
Fuel Pumps and Fuel Senders
CHAS, AXLE Circuit Breakers