GM Service Manual Online
For 1990-2009 cars only
Makes
🢒
Chevrolet
🢒
2000
🢒
Chevrolet C-Series Medium Duty Truck C6/C7/C8
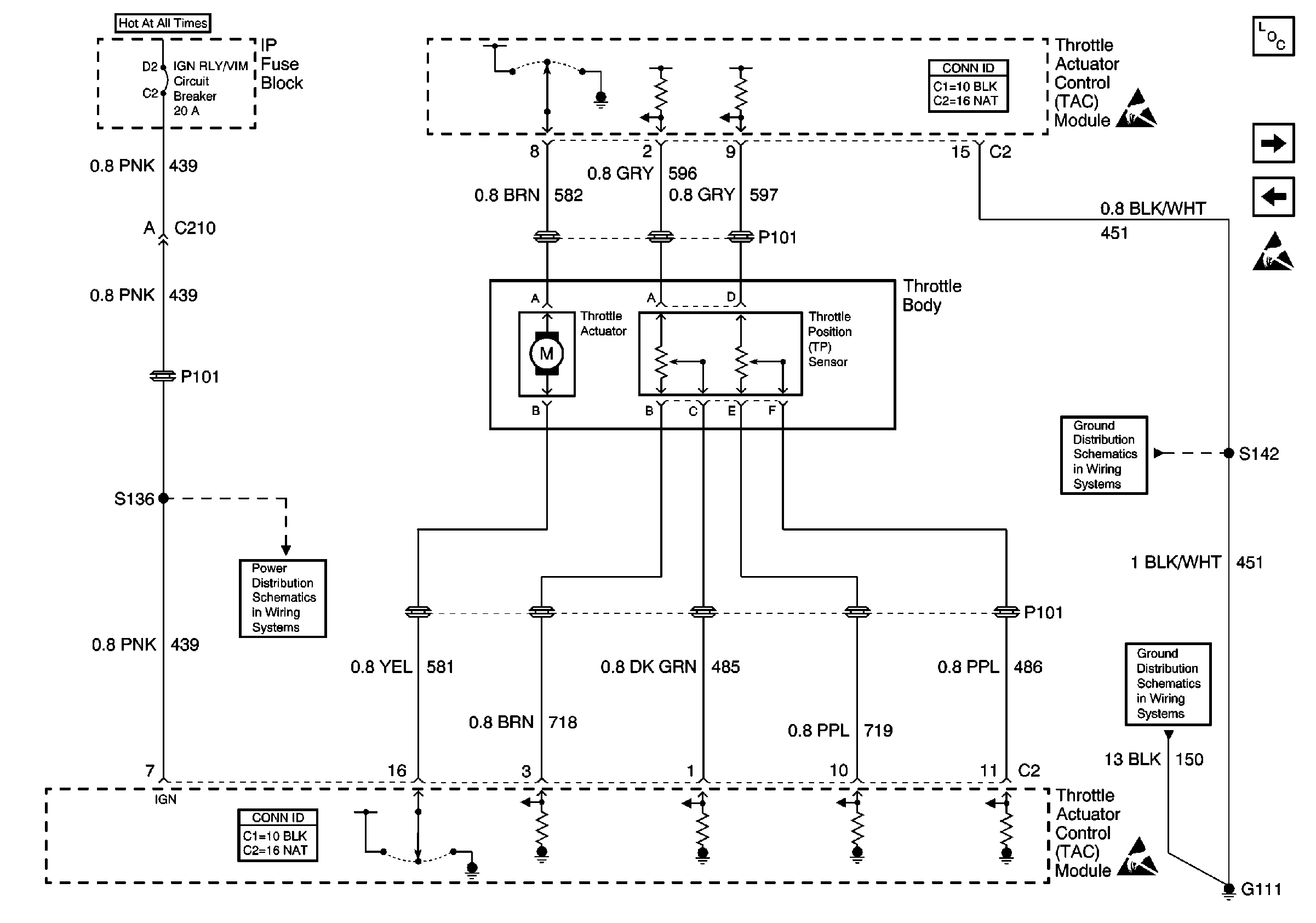
🢒 TAC Module
TAC Module
TAC Module
Engine Controls Components
APP Sensor and TAC Module
EGR and EVAP Valves
Handling ESD Sensitive Parts Notice
Engine Controls Connector End Views
Handling ESD Sensitive Parts Notice
S142 (Gasoline), S115 (Diesel), S230
STOP, TRN/HAZ, FUEL, IGN RLY/VIM Circuit Breakers
Engine Controls Connector End Views
Handling ESD Sensitive Parts Notice
G111 (Gasoline), G101 (Diesel)