GM Service Manual Online
For 1990-2009 cars only
Makes
🢒
Chevrolet
🢒
2000
🢒
Chevrolet C-Series Medium Duty Truck C6/C7/C8
🢒 Electric Operated-Motor and Relay
Electric Operated-Motor and Relay
Electric Operated-Motor and Relay
Rear Axle Components
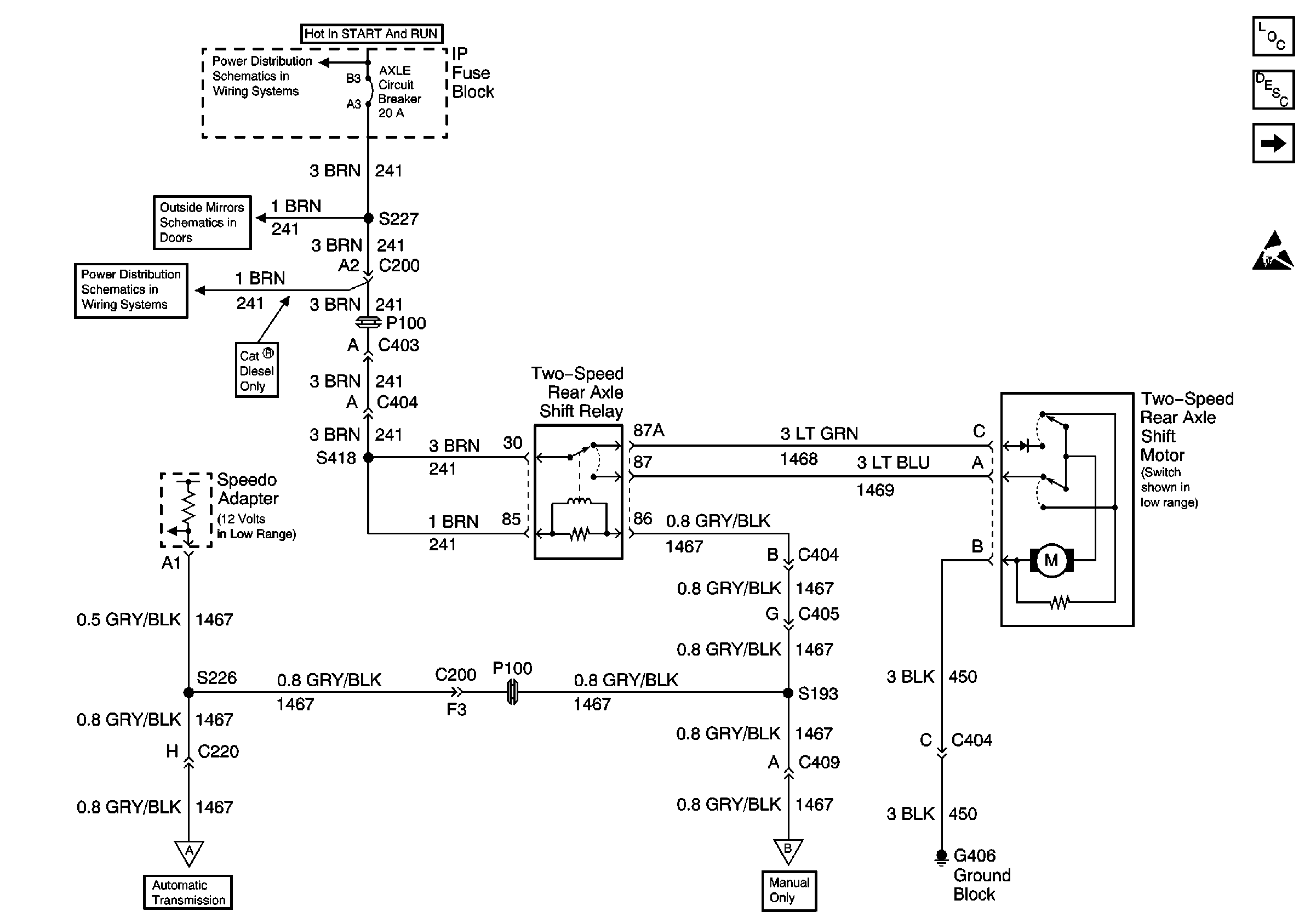
Two Speed Rear Axle Circuit Description
Electric Operated-Switches
Handling ESD Sensitive Parts Notice
CHAS, AXLE Circuit Breakers
Outside Mirror Schematics
CHAS, AXLE Circuit Breakers
Electric Operated-Switches
Electric Operated-Switches