GM Service Manual Online
For 1990-2009 cars only
Makes
🢒
Chevrolet
🢒
2004
🢒
Chevy C Cab/Chassis HD (GMT 400)
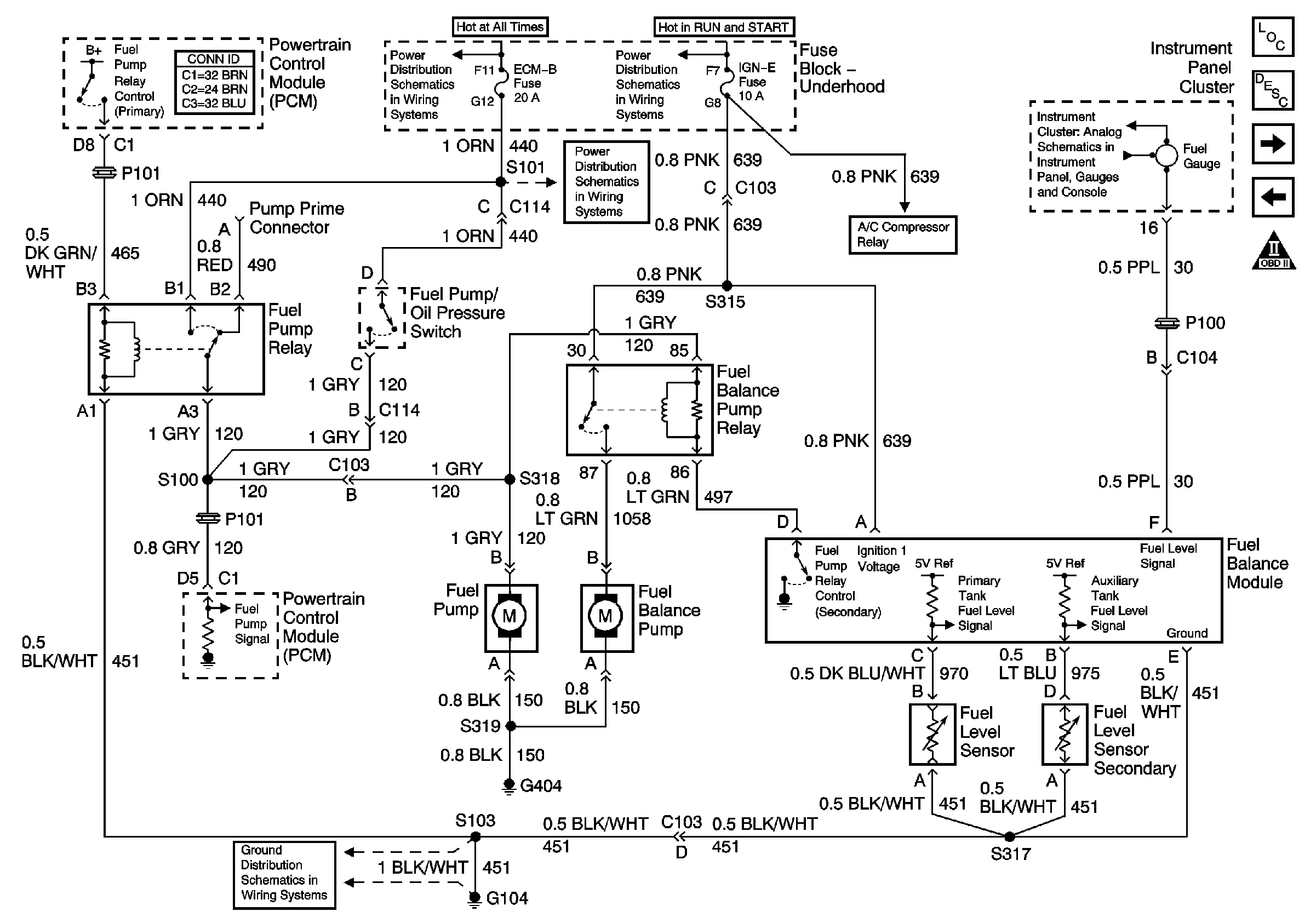
🢒 Fuel Pump Controls, Dual Tanks
Fuel Pump Controls, Dual Tanks
Fuel Pump Controls, Dual Tanks
Master Electrical Component List
Fuel Heater, Water-in-Fuel Sensor, and Fuel Temperature Sensor
Fuel Pump Controls, Single Tank
OBD II Symbol Description Notice
Battery and Underhood Fuse Block
ECM-B, Horn, and A/C Fuses
IGN A Fuse and Ignition Switch
Air Conditioning Compressor Control (L65)
Speedometer, Tachometer, and Fuel Gauge
G104, L65