GM Service Manual Online
For 1990-2009 cars only
Makes
🢒
Chevrolet
🢒
2004
🢒
Chevy C Cab/Chassis HD (GMT 400)
🢒 Air Conditioning Compressor Control (L65)
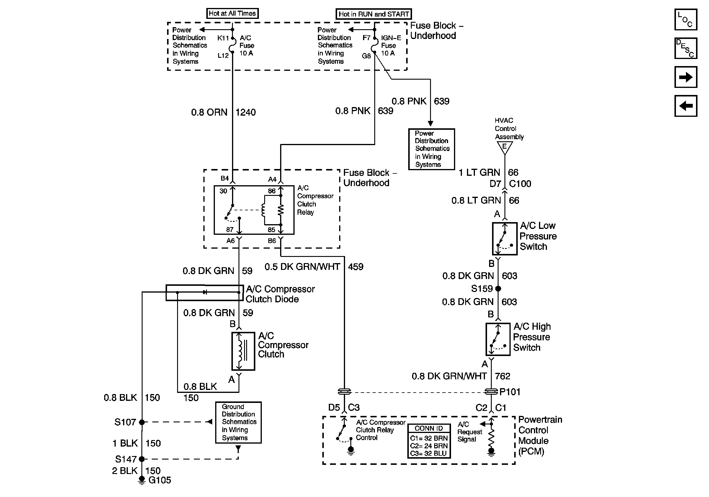
Air Conditioning Compressor Control (L65)
Air Conditioning Compressor Control (L65)
Master Electrical Component List
Air Temperature Description and Operation
Blower Control (without A/C)
Air Conditioning Compressor Control (L18)
Battery and Underhood Fuse Block
IGN A Fuse and Ignition Switch
IGN-E Fuse - L65
HVAC Control Module
G105 and G106 (L65 Except Frame Ground)