GM Service Manual Online
For 1990-2009 cars only
Makes
🢒
Chevrolet
🢒
2004
🢒
Chevy C Cab/Chassis HD (GMT 400)
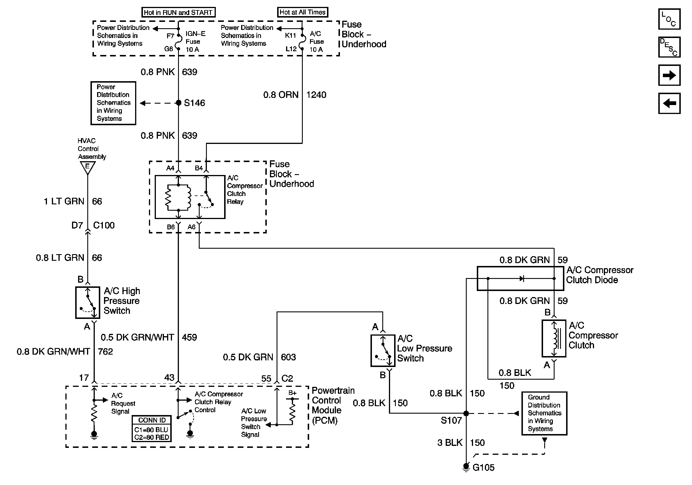
🢒 Air Conditioning Compressor Control (L18)
Air Conditioning Compressor Control (L18)
Air Conditioning Compressor Control (L18)
Master Electrical Component List
Air Temperature Description and Operation
Air Conditioning Compressor Control (L65)
Air Door Circuits
HVAC Control Module
ENG I and IGN-E Fuse - L18
IGN A Fuse and Ignition Switch
Battery and Underhood Fuse Block
G105, L18, 1 of 2, All Except Ignition Coils