GM Service Manual Online
For 1990-2009 cars only
Makes
🢒
Chevrolet
🢒
2004
🢒
Chevy C Cab/Chassis HD (GMT 400)
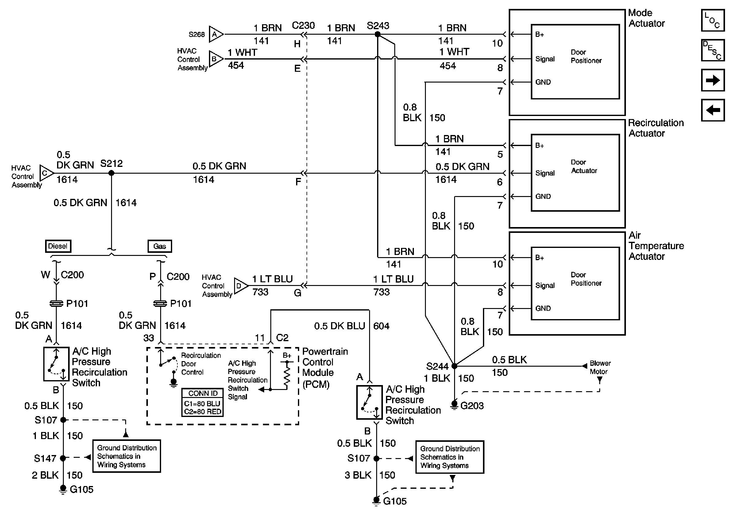
🢒 Air Door Circuits
Air Door Circuits
Air Door Circuits
Master Electrical Component List
Air Delivery Description and Operation
Air Conditioning Compressor Control (L18)
HVAC Control Module
Blower Control (without A/C)
G105, L18, 1 of 2, All Except Ignition Coils
G105 and G106 (L65 Except Frame Ground)
HVAC Control Module
HVAC Control Module
HVAC Control Module