GM Service Manual Online
For 1990-2009 cars only
Makes
🢒
Chevrolet
🢒
2004
🢒
Chevy C Cab/Chassis HD (GMT 400)
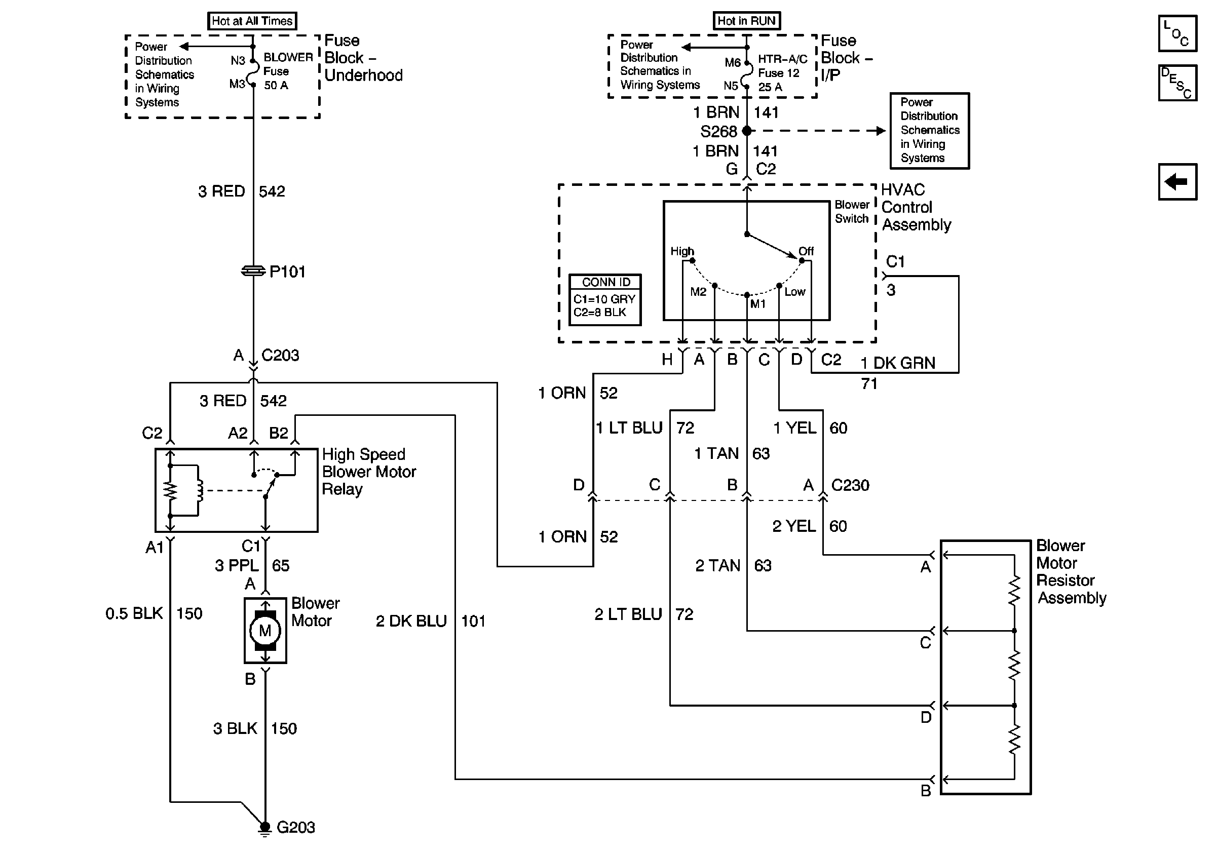
🢒 Blower Control (without A/C)
Blower Control (without A/C)
Blower Control (without A/C)
Battery and Underhood Fuse Block
ABS, Blower, Stop-Haz, and IGN B Fuses, and Ignition Switch
Brake, Cruise, SEO TP-2, and Htr-A/C Fuses
Master Electrical Component List
Air Delivery Description and Operation
Air Conditioning Compressor Control (L65)