GM Service Manual Online
For 1990-2009 cars only
Makes
🢒
Chevrolet
🢒
2004
🢒
Chevy C Cab/Chassis HD (GMT 400)
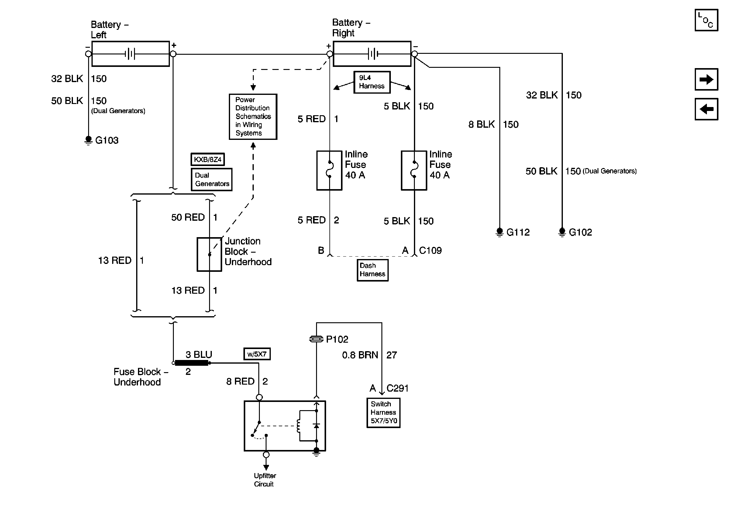
🢒 L65 Battery Configurations
L65 Battery Configurations
L65 Battery Configurations
Master Electrical Component List
Roof Lamp Wiring - 5G4
L18 Battery Configurations
Battery and Underhood Fuse Block
Auxiliary Power Supply - 9L4
Auxiliary Light Switch - 5Y0 and 5X7