GM Service Manual Online
For 1990-2009 cars only
Makes
🢒
Chevrolet
🢒
2004
🢒
Chevy C Cab/Chassis HD (GMT 400)
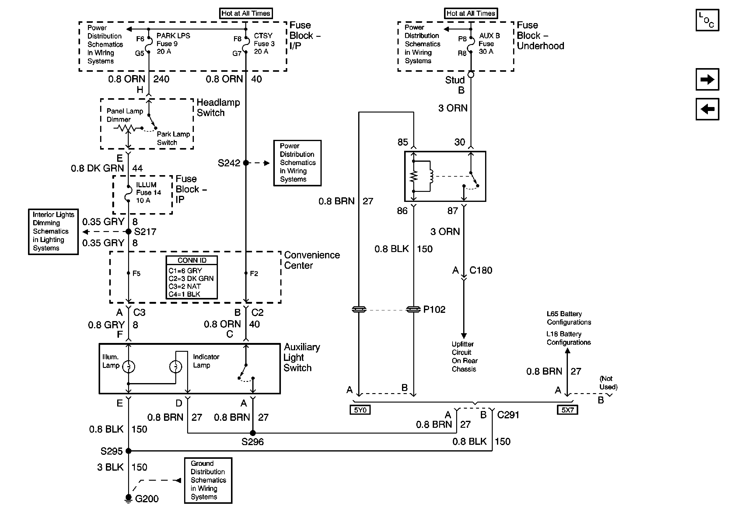
🢒 Auxiliary Light Switch - 5Y0 and 5X7
Auxiliary Light Switch - 5Y0 and 5X7
Auxiliary Light Switch -- 5Y0 and 5X7
Master Electrical Component List
Auxiliary Power Supply - 9L4
Roof Lamp Wiring - 5G4
Lighting and Battery Fuses
DRL-Fog, Security, and CTSY Fuses
Battery and Underhood Fuse Block
L65 Battery Configurations
L18 Battery Configurations
G200
Instrument Lamps Dimming Circuit