GM Service Manual Online
For 1990-2009 cars only
Makes
🢒
Chevrolet
🢒
2005
🢒
Chevy C Cab/Chassis HD (GMT 400)
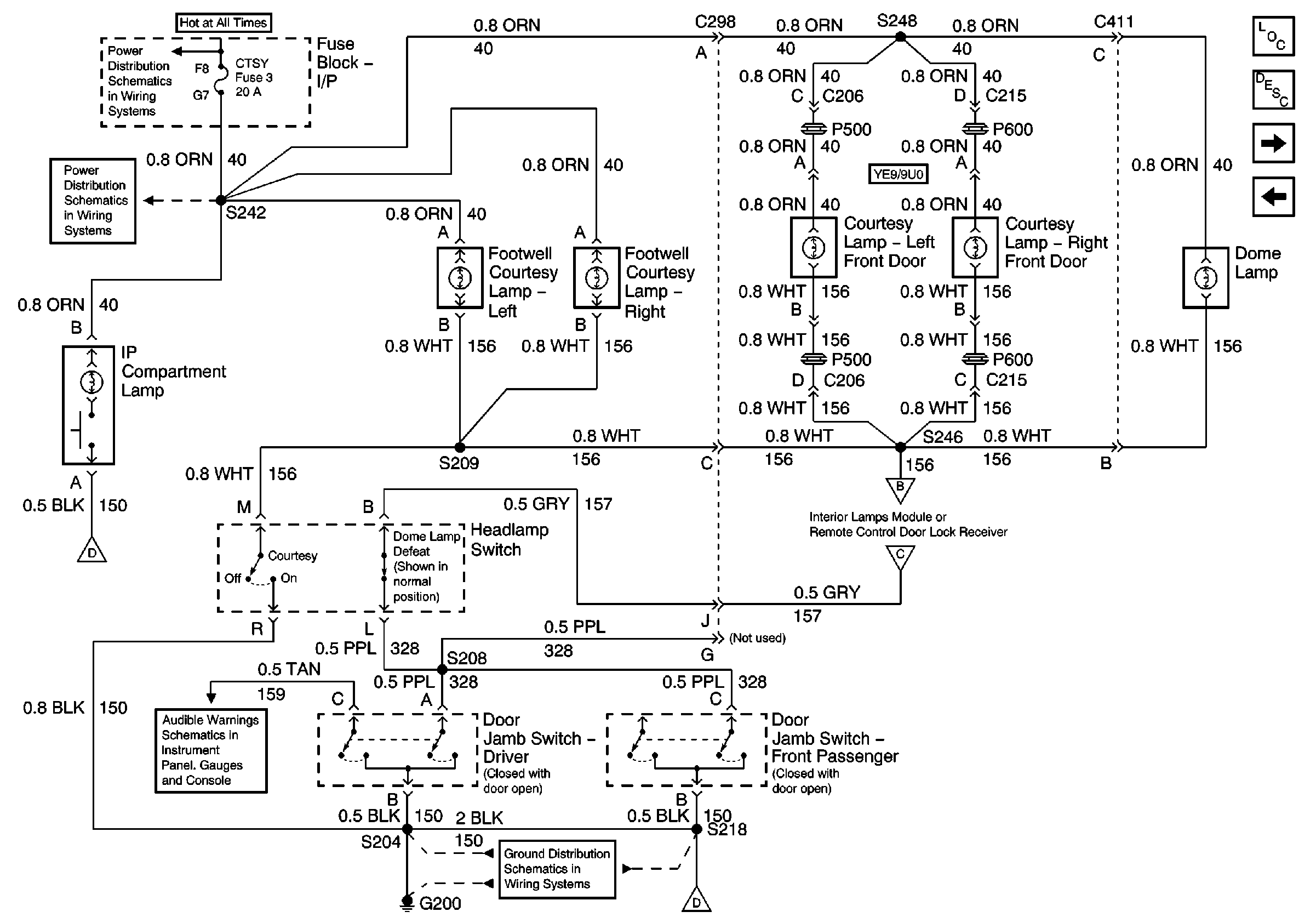
🢒 Courtesy Lamps, Dome Lamp, IP Compartment LampCircuits
Courtesy Lamps, Dome Lamp, IP Compartment LampCircuits
Courtesy Lamps, Dome Lamp, IP Compartment Lamp Circuits
Master Electrical Component List
Interior Lighting Systems Description and Operation
Ashtray Lamp, Power Window and Door Lock Controls Illumination
Control Module Power and Grounding Circuits
DRL-Fog, Security, and CTSY Fuses
Lighting and Battery Fuses
Control Module Power and Grounding Circuits
G200
Audiable Waring Schematics