GM Service Manual Online
For 1990-2009 cars only
Makes
🢒
Chevrolet
🢒
2005
🢒
Chevy C Cab/Chassis HD (GMT 400)
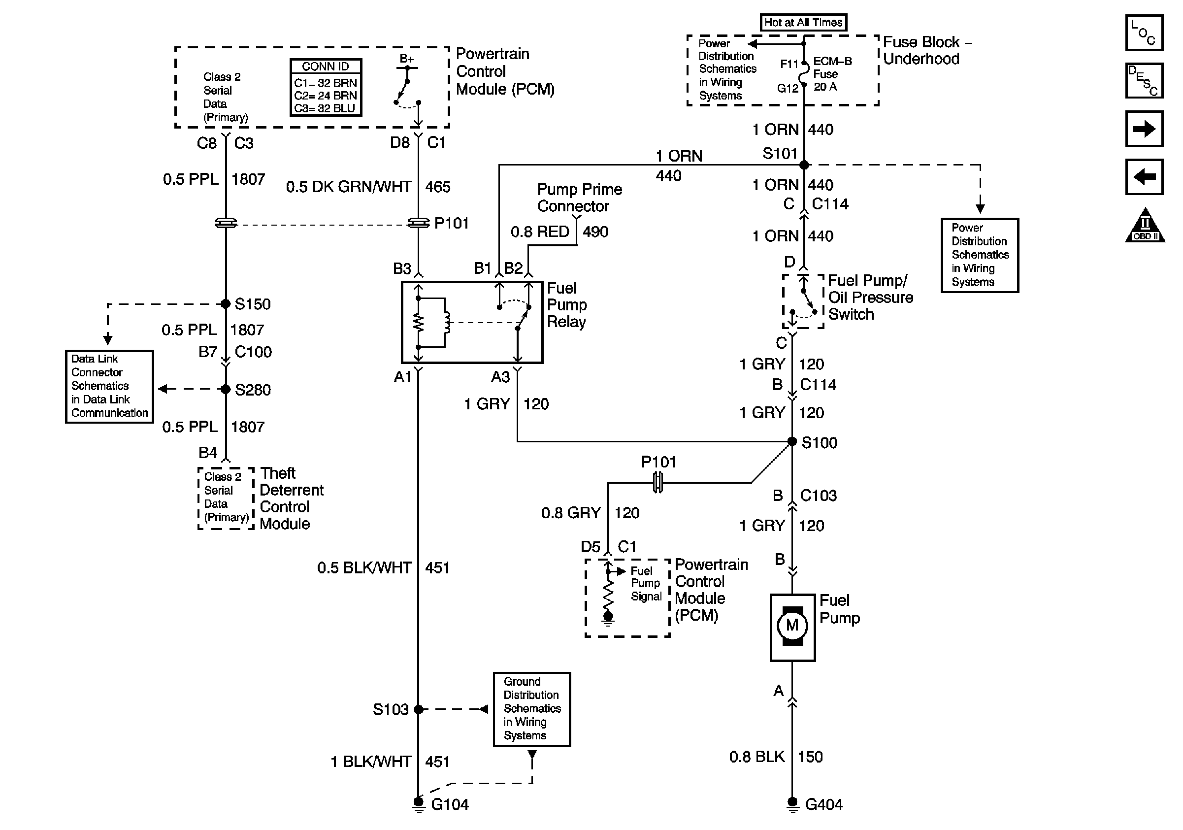
🢒 L65 Fuel Pump Controls - Single Tank
L65 Fuel Pump Controls - Single Tank
Fuel Pump Controls, Single Tank
Master Electrical Component List
L65 Fuel Pump Controls - Dual Tanks
L65 Glowplug Control Circuit
OBD II Symbol Description Notice
Battery and Underhood Fuse Block
ECM-B, Horn, and A/C Fuses
G104 (L65)
Datalink Connector Schematic