GM Service Manual Online
For 1990-2009 cars only
Makes
🢒
Chevrolet
🢒
2005
🢒
Chevy C Cab/Chassis HD (GMT 400)
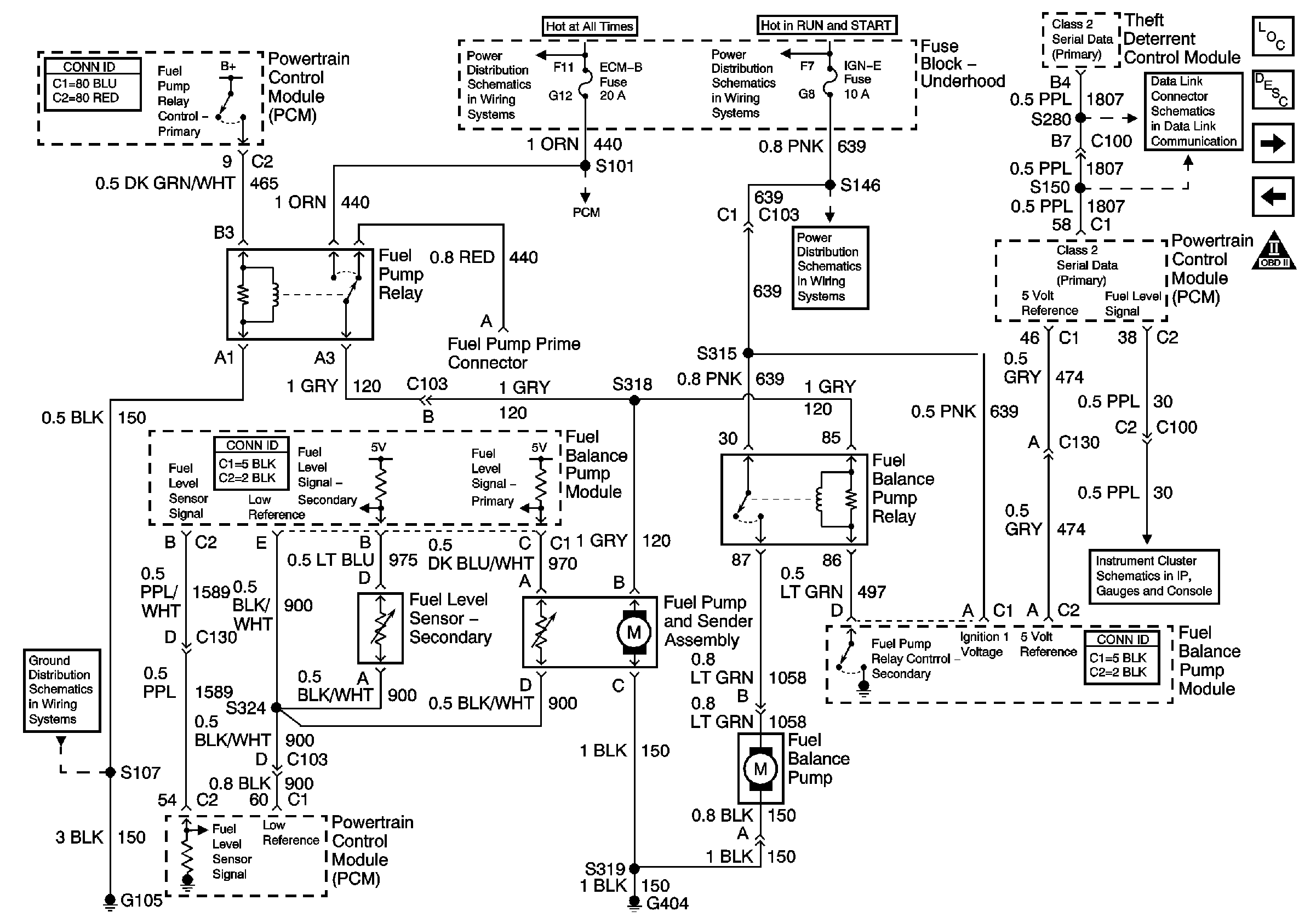
🢒 L18 Fuel Pump Controls - Dual Tanks
L18 Fuel Pump Controls - Dual Tanks
Fuel Pump Controls, Dual Tanks
Master Electrical Component List
Fuel System Description
L18 Fuel Injector Controls
L18 Fuel Pump Controls - Single Tank
OBD II Symbol Description Notice
Battery and Underhood Fuse Block
L18 PCM Power, Grounding, DLC, and MIL Control
IGN A Fuse and Ignition Switch
IGN-E and ENG I Fuses - Gas
Theft Deterrent System
Datalink Connector Schematic
Fuel Gauge, Tachometer, and Speedometer
G105, L18, All except Ignition Coils