GM Service Manual Online
For 1990-2009 cars only
Makes
🢒
Chevrolet
🢒
2005
🢒
Chevy C Cab/Chassis HD (GMT 400)
🢒 HVAC, Generator, and ABS Signal Circuits
HVAC, Generator, and ABS Signal Circuits
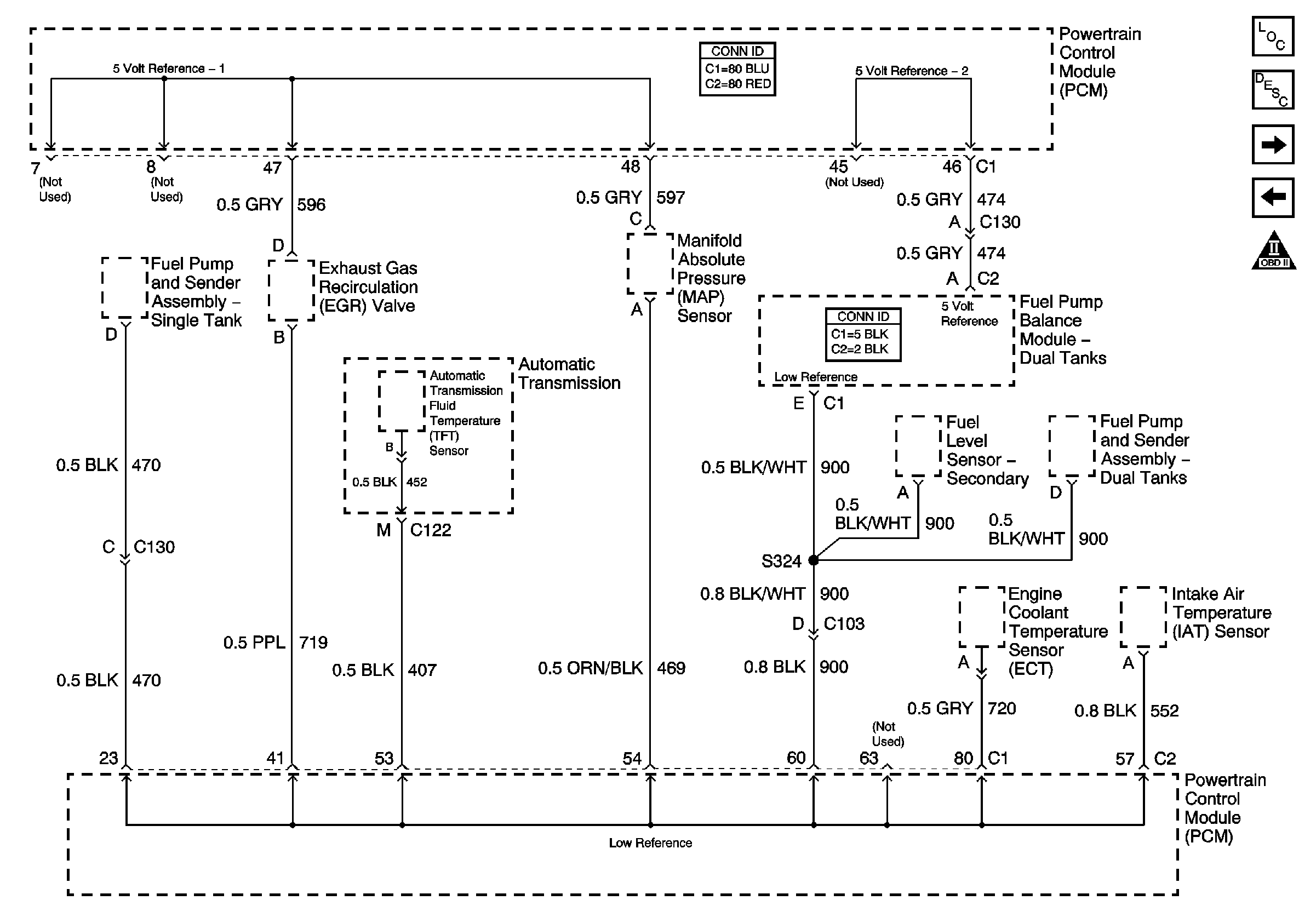
5 Volt and Low Reference Busses
Master Electrical Component List
Powertrain Control Module Description
L18 A/T TCC/Stop Lamp Switch, Shift Solenoids
L18 EVAP and EGR Circuits
OBD II Symbol Description Notice
Air Conditioning Compressor Control (L18)
L18 Charging
Datalink Connector Schematic
EBCM Power, Grounding, DLC, and Indicator Lamps
Oil Pres, Coolant Temp, and Volt Gauges, Check Gauges and Batt Lamp