GM Service Manual Online
For 1990-2009 cars only
Makes
🢒
Chevrolet
🢒
1996
🢒
Chevy C Pickup - 2WD
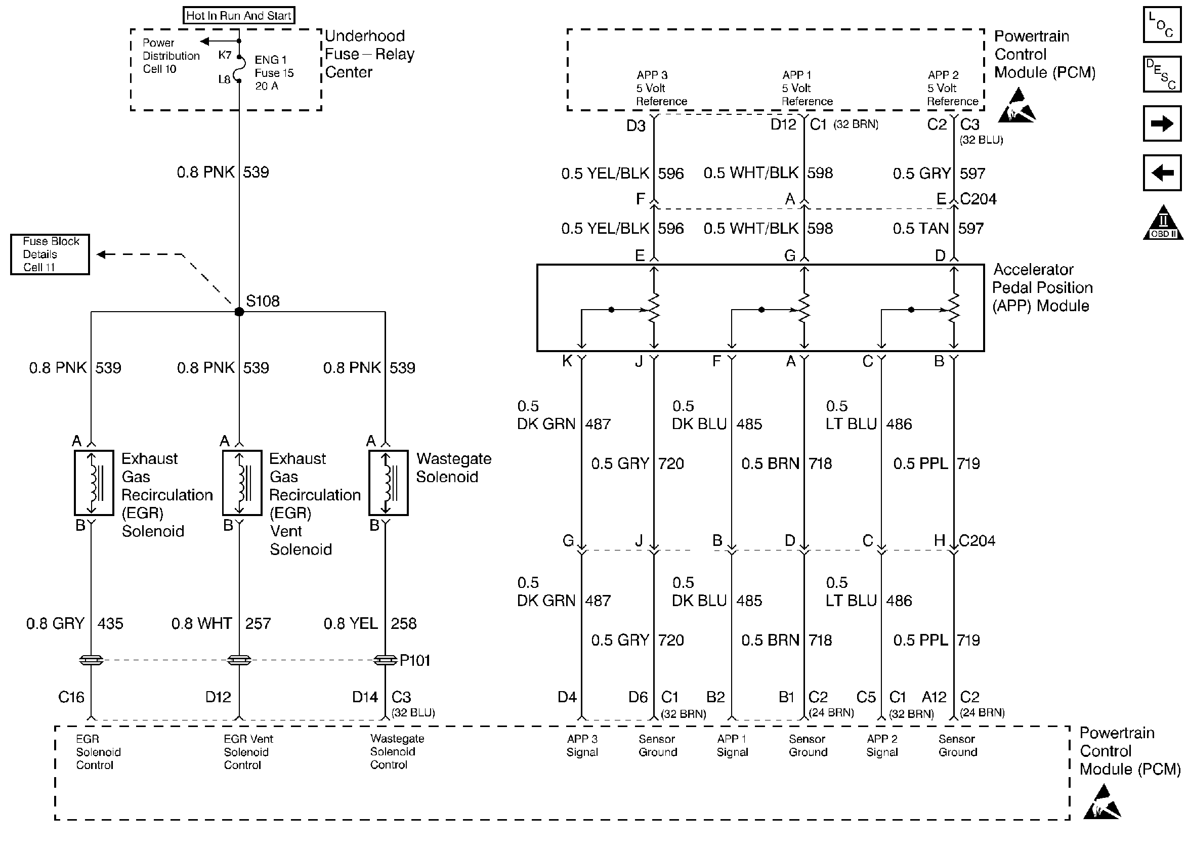
🢒 APP Module, Wastegte, EGR, and EGR Vent
APP Module, Wastegte, EGR, and EGR Vent
APP Module, Wastegte, EGR, and EGR Vent
Handling ESD Sensitive Parts Notice
Handling ESD Sensitive Parts Notice
Engine Controls Components
Information Sensors
Cruise Control and 4-Wheel Drive
EGR Control Pressure/BARO, IAT, ECT, and Boost Pressure Sensors
OBD II Symbol Description Notice