GM Service Manual Online
For 1990-2009 cars only
Makes
🢒
Chevrolet
🢒
1996
🢒
Chevy C Pickup - 2WD
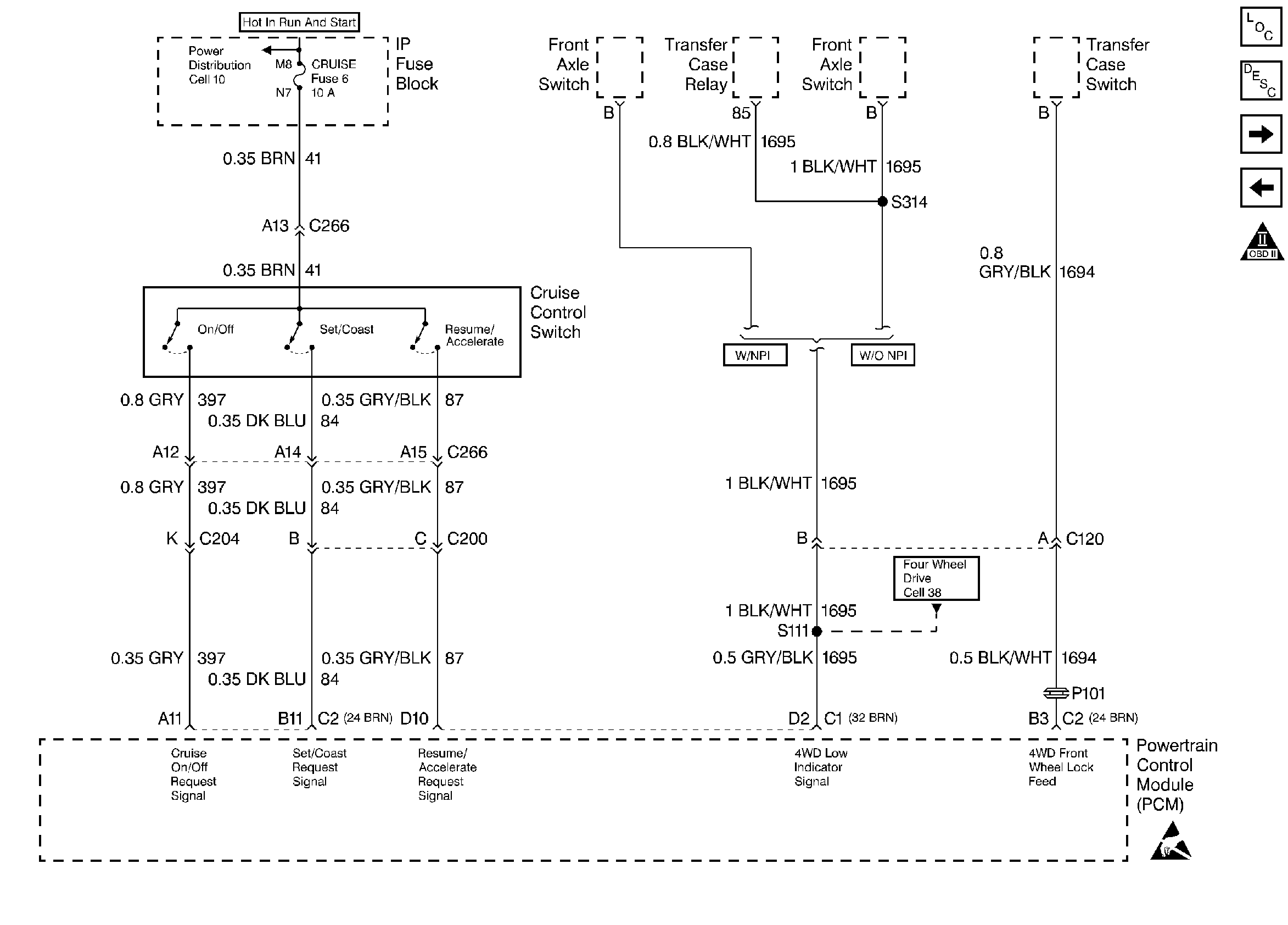
🢒 Cruise Control and 4-Wheel Drive
Cruise Control and 4-Wheel Drive
Cruise Control and 4-Wheel Drive
Handling ESD Sensitive Parts Notice
Engine Controls Components
Information Sensors
Transmission Vehicle Speed Sensor and Buffer
APP Module, Wastegte, EGR, and EGR Vent
OBD II Symbol Description Notice