GM Service Manual Online
For 1990-2009 cars only
Makes
🢒
Chevrolet
🢒
1998
🢒
Chevy C Pickup - 2WD
🢒
HVAC
🢒
HVAC Systems - Manual
🢒 HVAC Blower Control Schematics
Figure
1:
Cell 63 Front HVAC Blower W/ A/C
HVAC Blower Controls Circuit Description
HVAC Components
Rear Blower Controls Relays and Motors
Handling ESD Sensitive Parts Notice
Power Distribution Schematics
Power Distribution Schematics
Power Distribution Schematics
Power Distribution Schematics
Ground Distribution Schematics
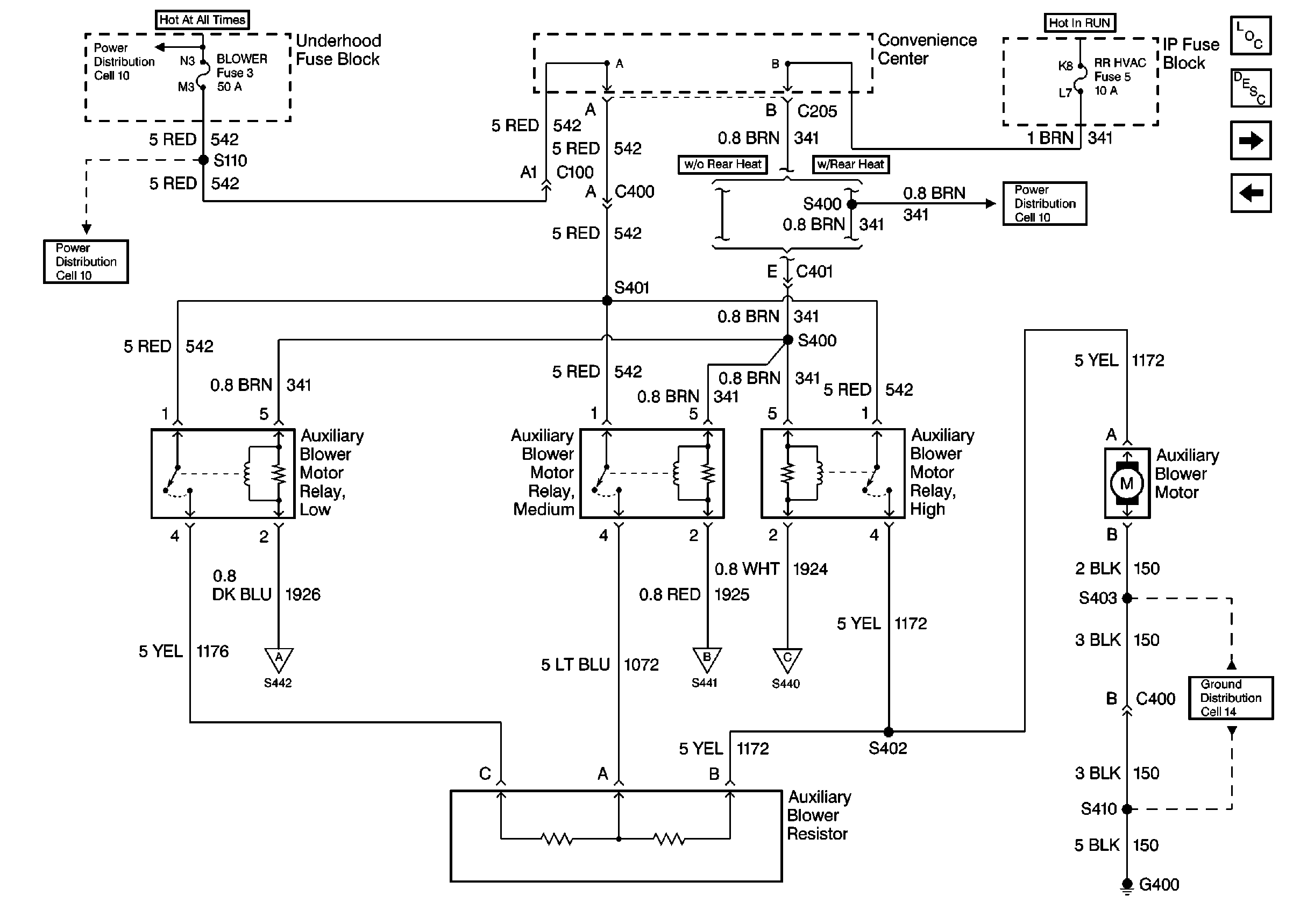
Figure
2:
Rear Blower Controls Relays and Motors
Power Distribution Schematics
Power Distribution Schematics
Ground Distribution Schematics
Power Distribution Schematics
HVAC Components
HVAC Blower Controls Circuit Description
Rear Blower Controls Switches
Cell 63 Front HVAC Blower W/ A/C
Rear Blower Controls Switches
Rear Blower Controls Switches
Rear Blower Controls Switches
Figure
3:
Rear Blower Controls Switches
Rear Blower Controls Relays and Motors
Rear Blower Controls Relays and Motors
Ground Distribution Schematics
HVAC Components
HVAC Blower Controls Circuit Description
Rear Blower Controls Relays and Motors
Rear Blower Controls Relays and Motors