GM Service Manual Online
For 1990-2009 cars only
Makes
🢒
Chevrolet
🢒
1998
🢒
Chevy C Pickup - 2WD
🢒
Body and Accessories
🢒
Lighting Systems
🢒 Headlights/Daytime Running Lights (DRL) Schematics
Figure
1:
Cell 102: DRL Module, DRL Relay
Headlights/Daytime Running Lights (DRL) Circuit Description
Cell 102: Headlamp and Panel Dimmer Switch, Headlamp Dimmer Switch
Ground Distribution Schematics
Ground Distribution Schematics
Cell 102: Headlamp and Panel Dimmer Switch, Headlamp Dimmer Switch
Cell 102: Headlamp and Panel Dimmer Switch, Headlamp Dimmer Switch
Handling ESD Sensitive Parts Notice
Handling ESD Sensitive Parts Notice
Handling ESD Sensitive Parts Notice
Lighting Systems Components
Instrument Cluster: Analog Schematics
Ground Distribution Schematics
Brake Warning System Schematics
Power Distribution Schematics
Power Distribution Schematics
Power Distribution Schematics
Figure
2:
Cell 102: Headlamp and Panel Dimmer Switch, Headlamp Dimmer Switch
Headlights/Daytime Running Lights (DRL) Circuit Description
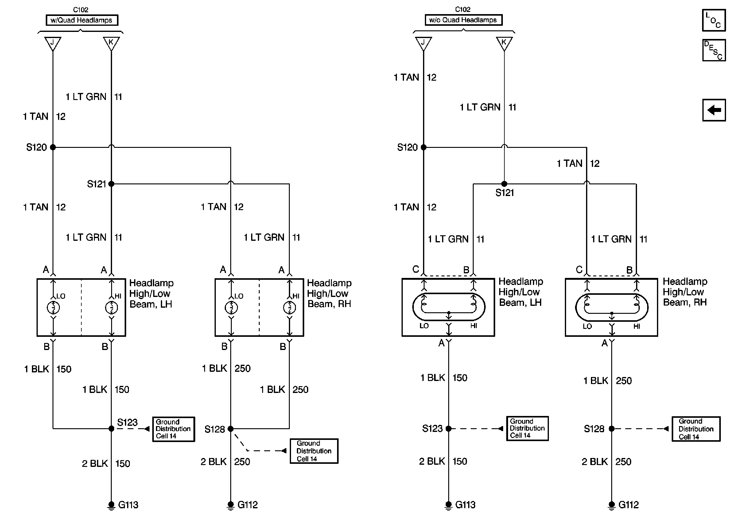
Cell 102: Quad Headlamps, Base Headlamps
Cell 102: DRL Module, DRL Relay
Cell 102: DRL Module, DRL Relay
Cell 102: Quad Headlamps, Base Headlamps
Cell 102: Quad Headlamps, Base Headlamps
Cell 102: DRL Module, DRL Relay
Cell 102: DRL Module, DRL Relay
Cell 102: DRL Module, DRL Relay
Lighting Systems Components
Power Distribution Schematics
Power Distribution Schematics
Ground Distribution Schematics
Figure
3:
Cell 102: Quad Headlamps, Base Headlamps
Cell 102: Headlamp and Panel Dimmer Switch, Headlamp Dimmer Switch
Ground Distribution Schematics
Ground Distribution Schematics
Cell 102: Headlamp and Panel Dimmer Switch, Headlamp Dimmer Switch
Ground Distribution Schematics
Cell 102: Headlamp and Panel Dimmer Switch, Headlamp Dimmer Switch
Lighting Systems Components
Headlights/Daytime Running Lights (DRL) Circuit Description
Ground Distribution Schematics