GM Service Manual Online
For 1990-2009 cars only
Makes
🢒
Chevrolet
🢒
1998
🢒
Chevy C Pickup - 2WD
🢒
Body and Accessories
🢒
Seats
🢒 Lumbar Support Schematics
Figure
1:
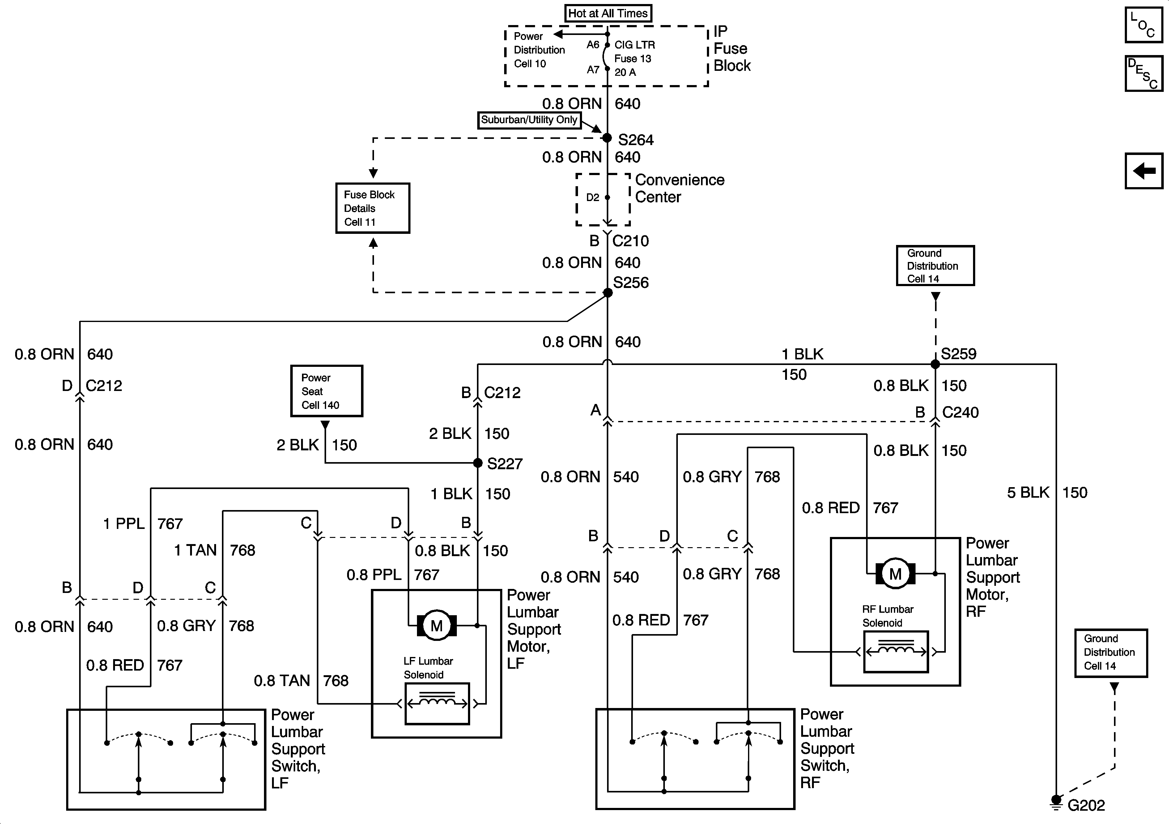
Cell 141: CIG LTR Fuse, Power Lumbar Seat Switches and Motors, G202 (Bench Seat)
Power Seats Circuit Description
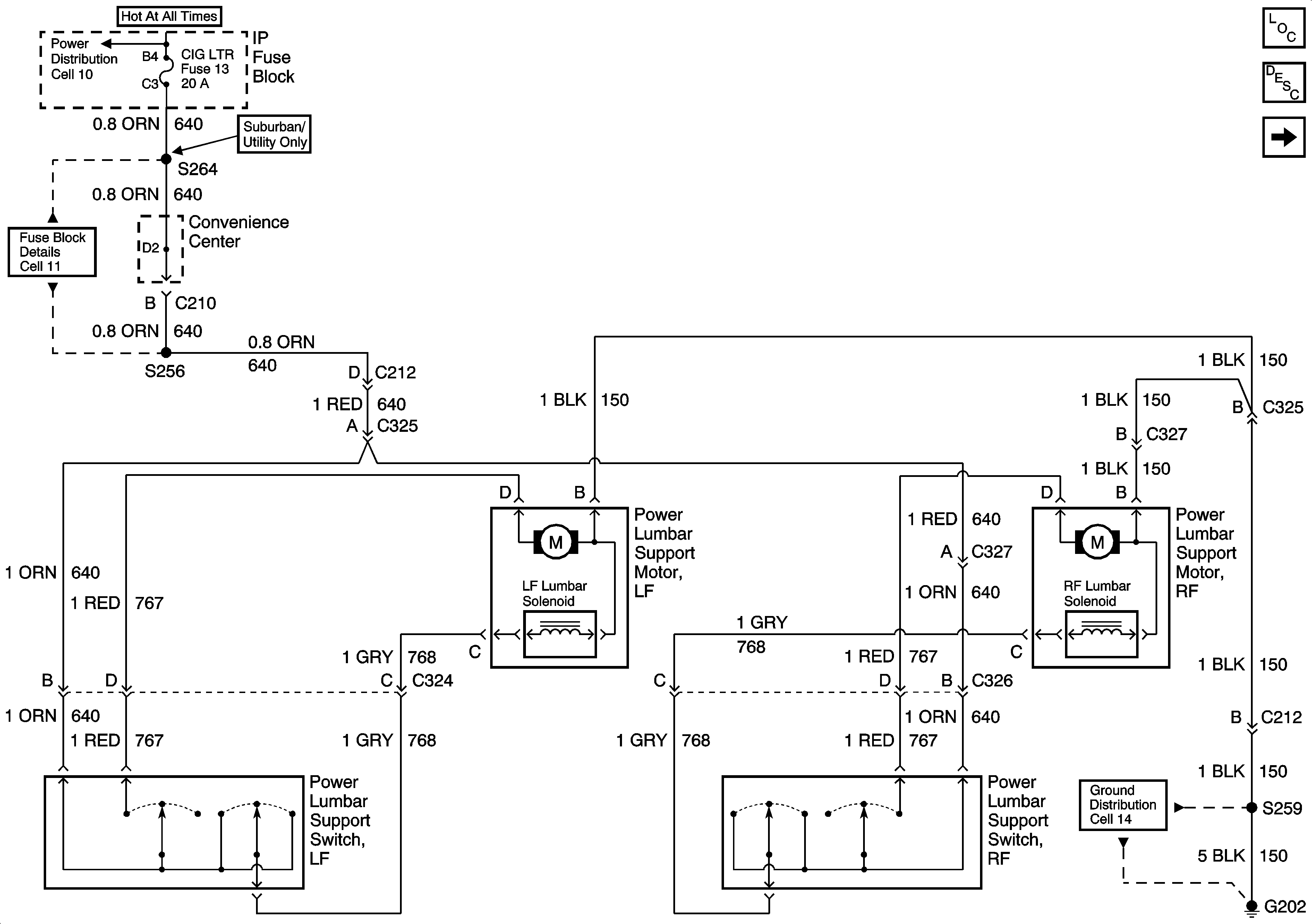
Cell 141: CIG LTR Fuse, Power Lumbar Seat Switches and Motors, G202(Split Bench)
Power Seat Systems Components
Power Distribution Schematics
Ground Distribution Schematics
Power Distribution Schematics
Figure
2:
Cell 141: CIG LTR Fuse, Power Lumbar Seat Switches and Motors, G202 (Split Bench)
Power Seat Systems Components
Power Seats Circuit Description
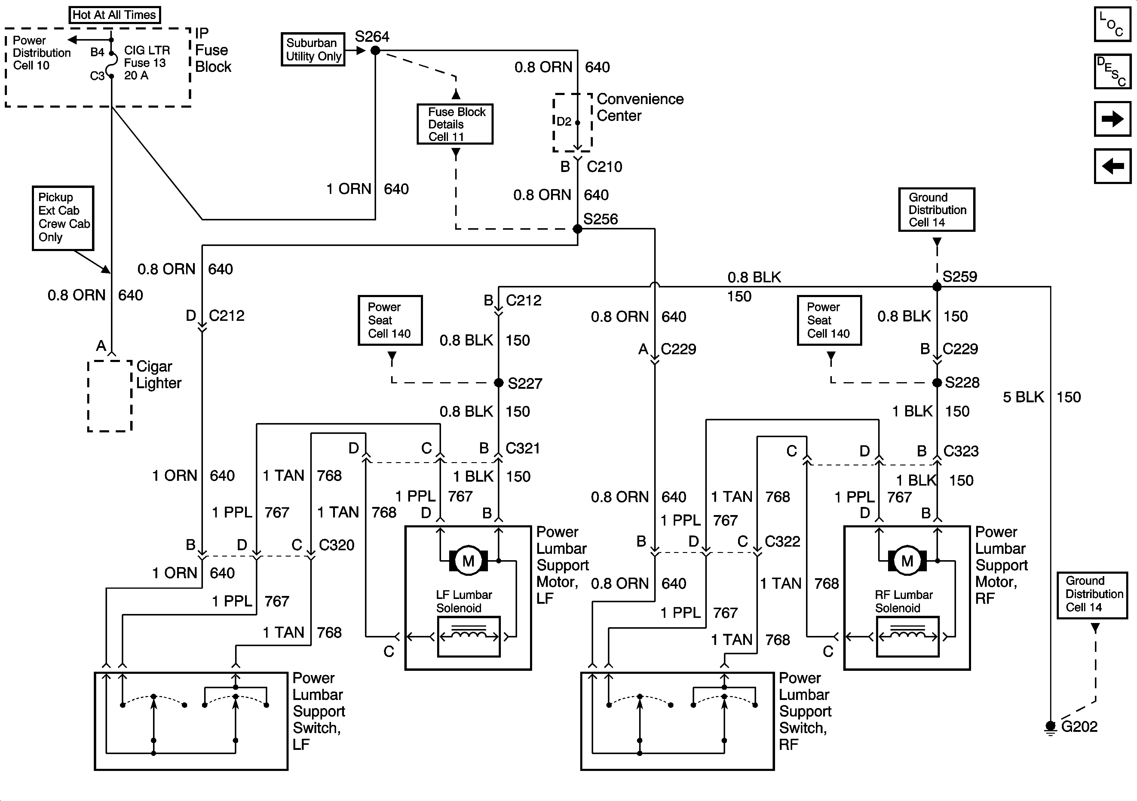
Cell 141: PWR-ACCY Circuit Breaker, Lumbar Support Switches and MotorsG202 (Bucket Seats)
Cell 141: CIG LTR Fuse, Power Lumbar Seat Switches and Motors, G202(Bench Seat)
Ground Distribution Schematics
Ground Distribution Schematics
Power Seats Schematics
Cell 11: CIG LTR Fuse
Power Distribution Schematics
Power Seats Schematics
Figure
3:
Cell 141: PWR-ACCY Circuit Breaker, Lumbar Support Switches and Motors G202 (Bucket Seats)
Power Seat Systems Components
Power Seats Circuit Description
Cell 141: CIG LTR Fuse, Power Lumbar Seat Switches and Motors, G202(Split Bench)
Cell 14: G202 (2 of 4)
Cell 14: G202 (1 of 4)
Cell 140: PWR-ACCY Circuit Breaker, Power Lumbar Seat Switches And MotorS, G202
Cell 11: CIG LTR Fuse
Cell 10: IGN A and CIG LTR Fuses, PWR ACCY Circuit Breaker