| Figure 1: |
Power, Ground, and DLC
|
| Figure 2: |
Ignition Controls
|
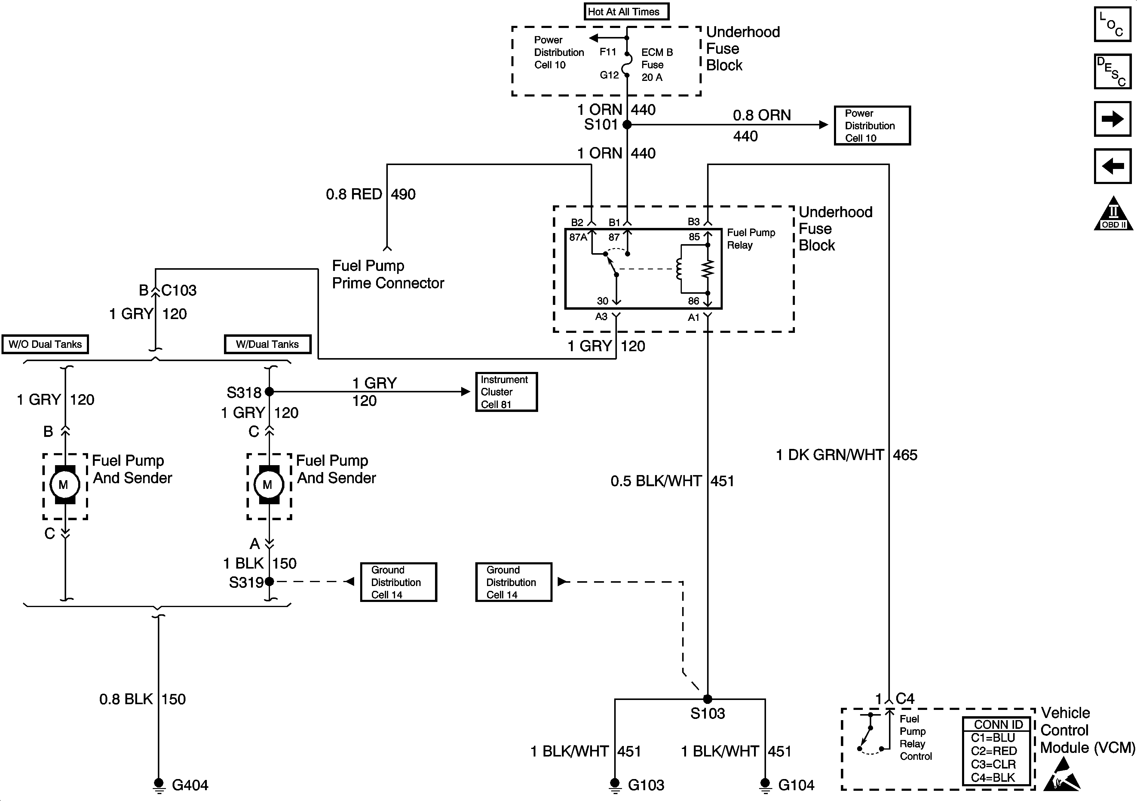
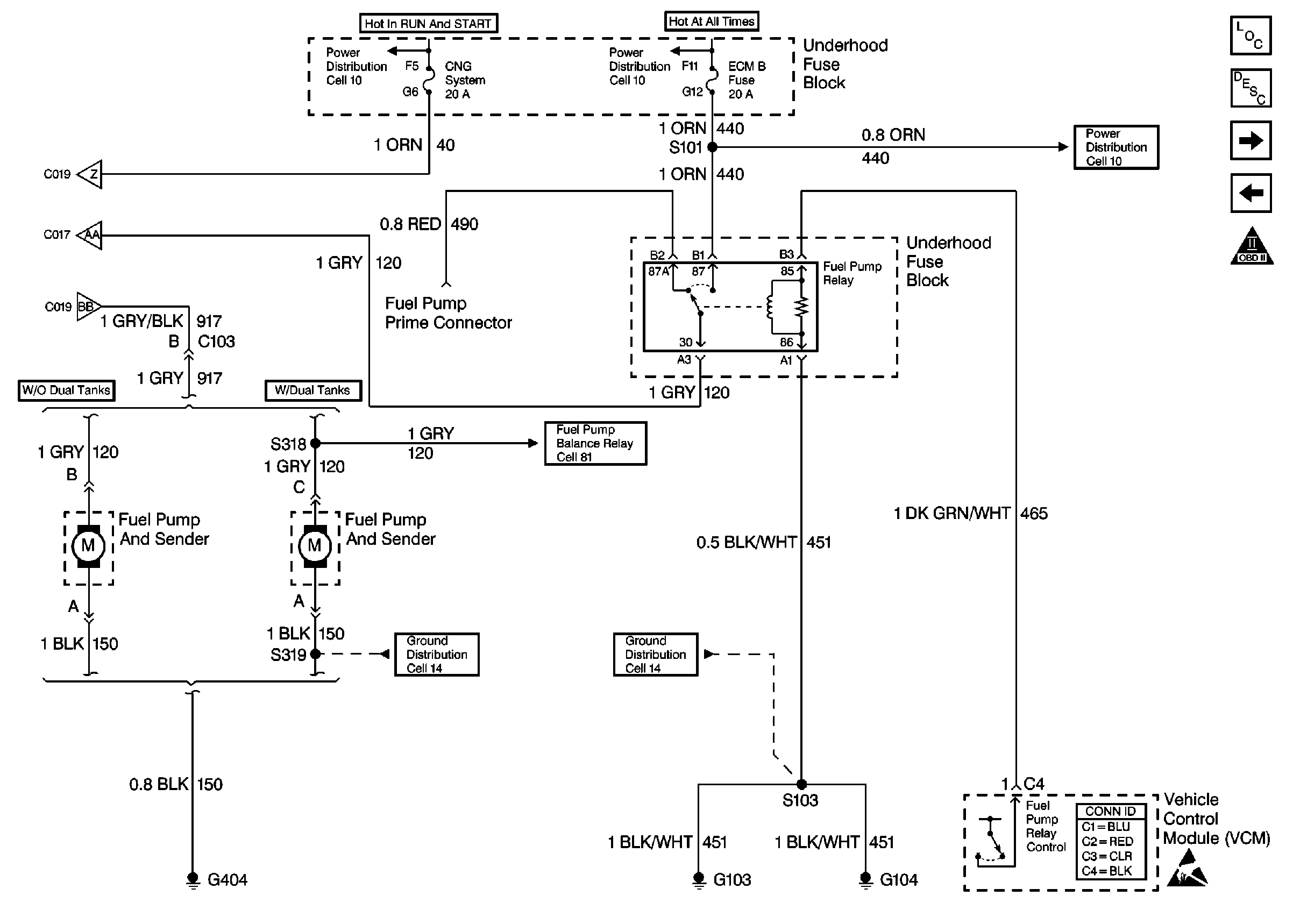
| Figure 3: |
Fuel Controls
|
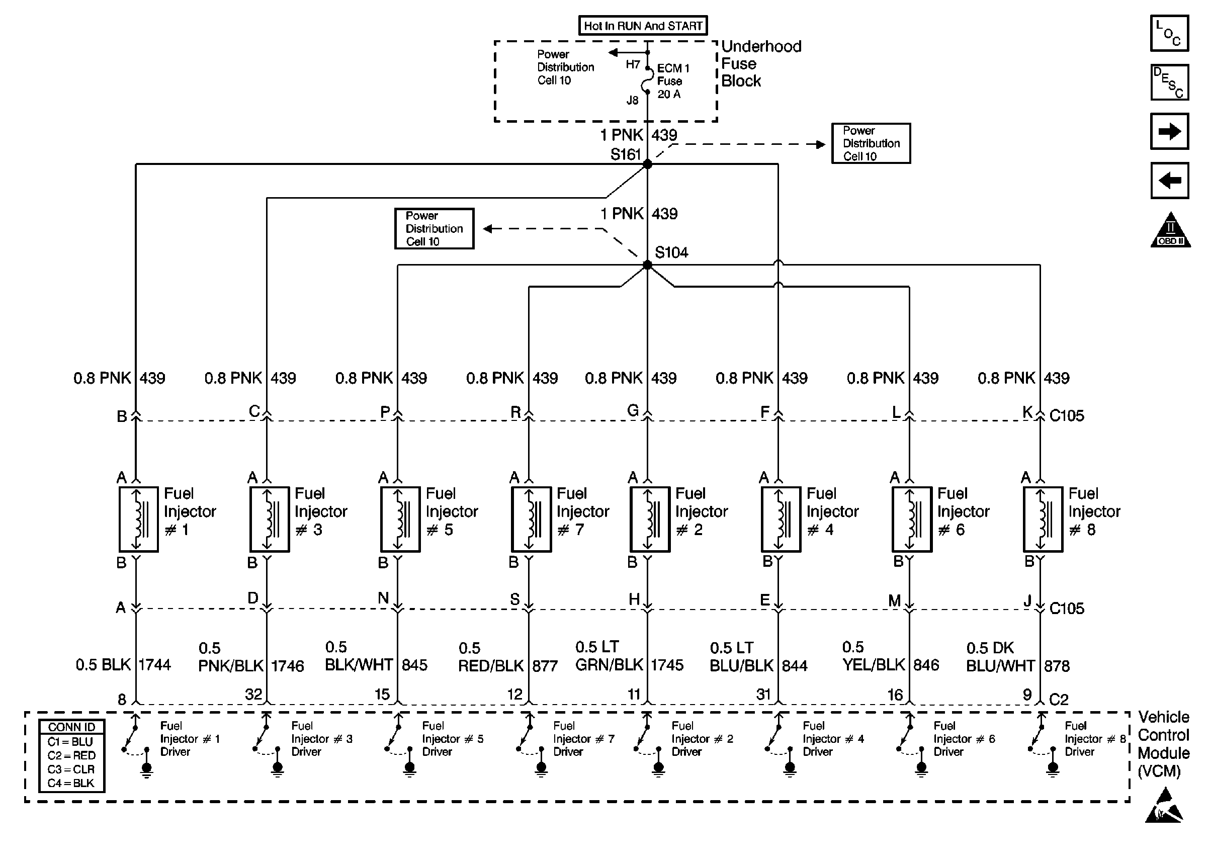
| Figure 4: |
Fuel Injector Controls
|
| Figure 5: |
Engine Sensors
|
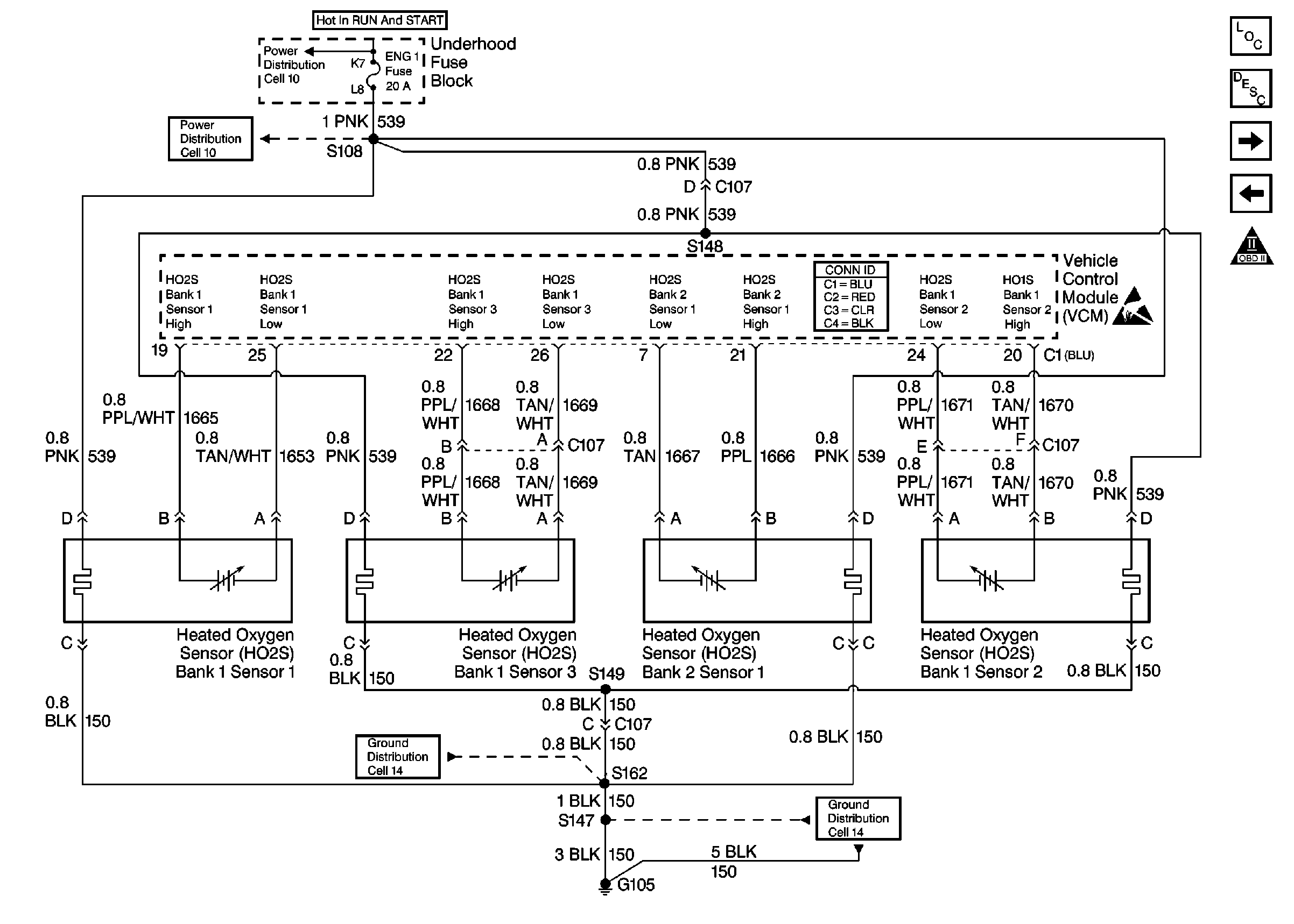
| Figure 6: |
Heated Oxygen Sensors
|
| Figure 7: |
HO2S Sensors 5.7L
|
| Figure 8: |
4WD, IAC, and Upshift Controls
|
| Figure 9: |
Air Pump Controls
|
| Figure 10: |
VSS and Cruise Controls
|
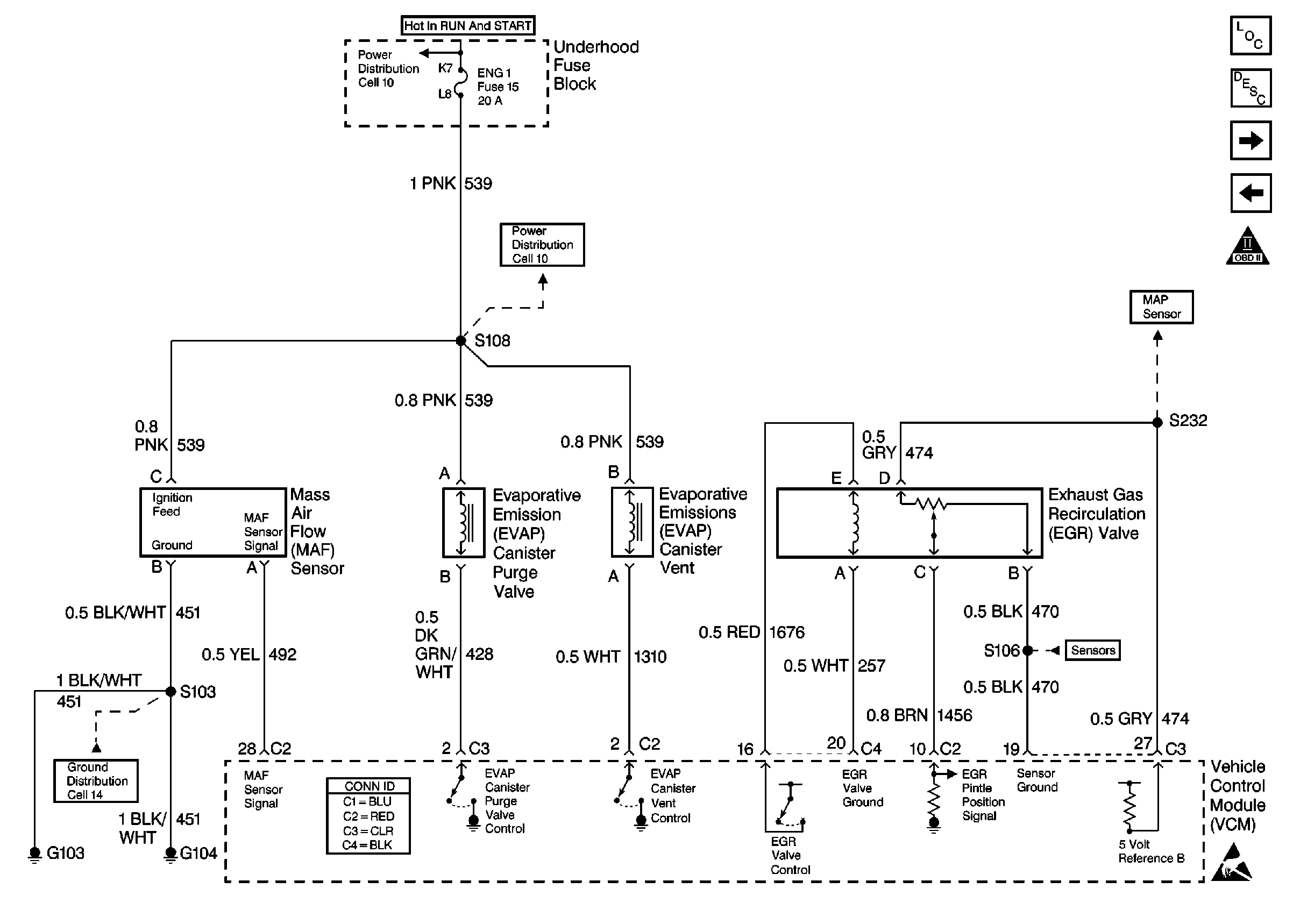
| Figure 11: |
Evaporative and EGR Controls
|
| Figure 12: |
Shift Solenoids (4l 60E)
|
| Figure 13: |
Shift Solenoids
|
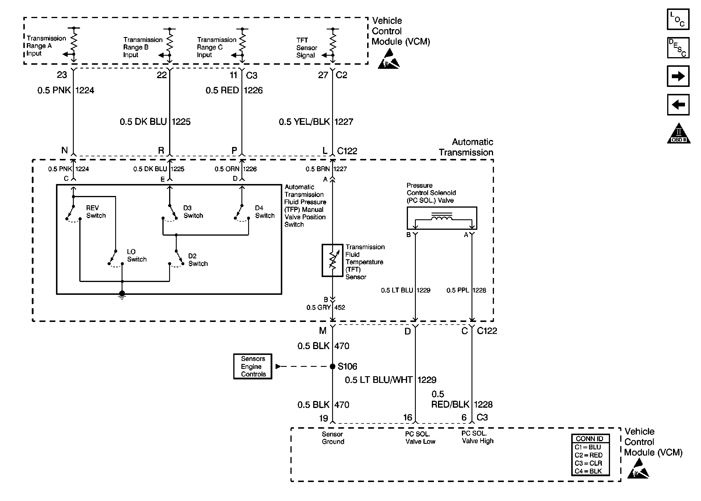
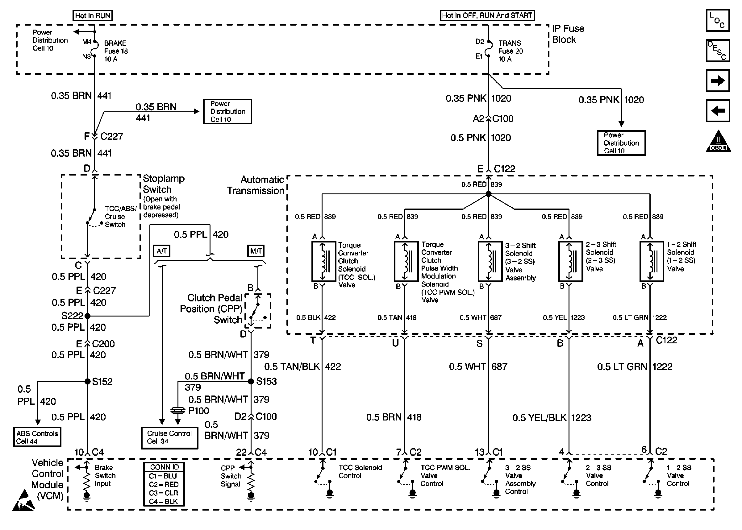
| Figure 14: |
Transmission Controls (4L 60E)
|
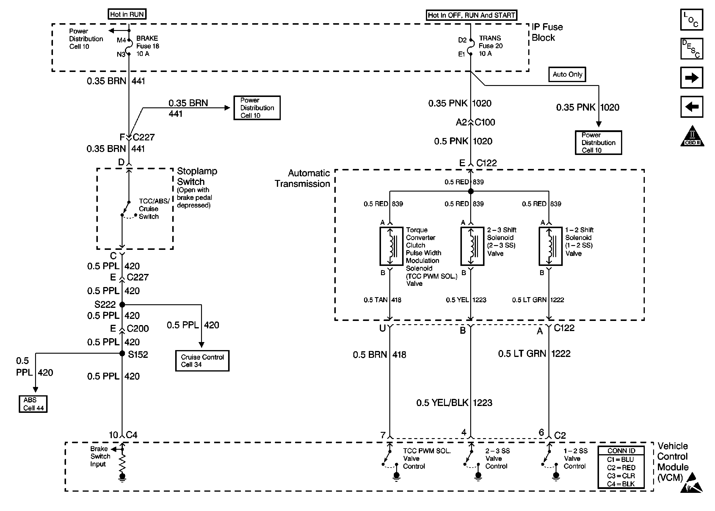
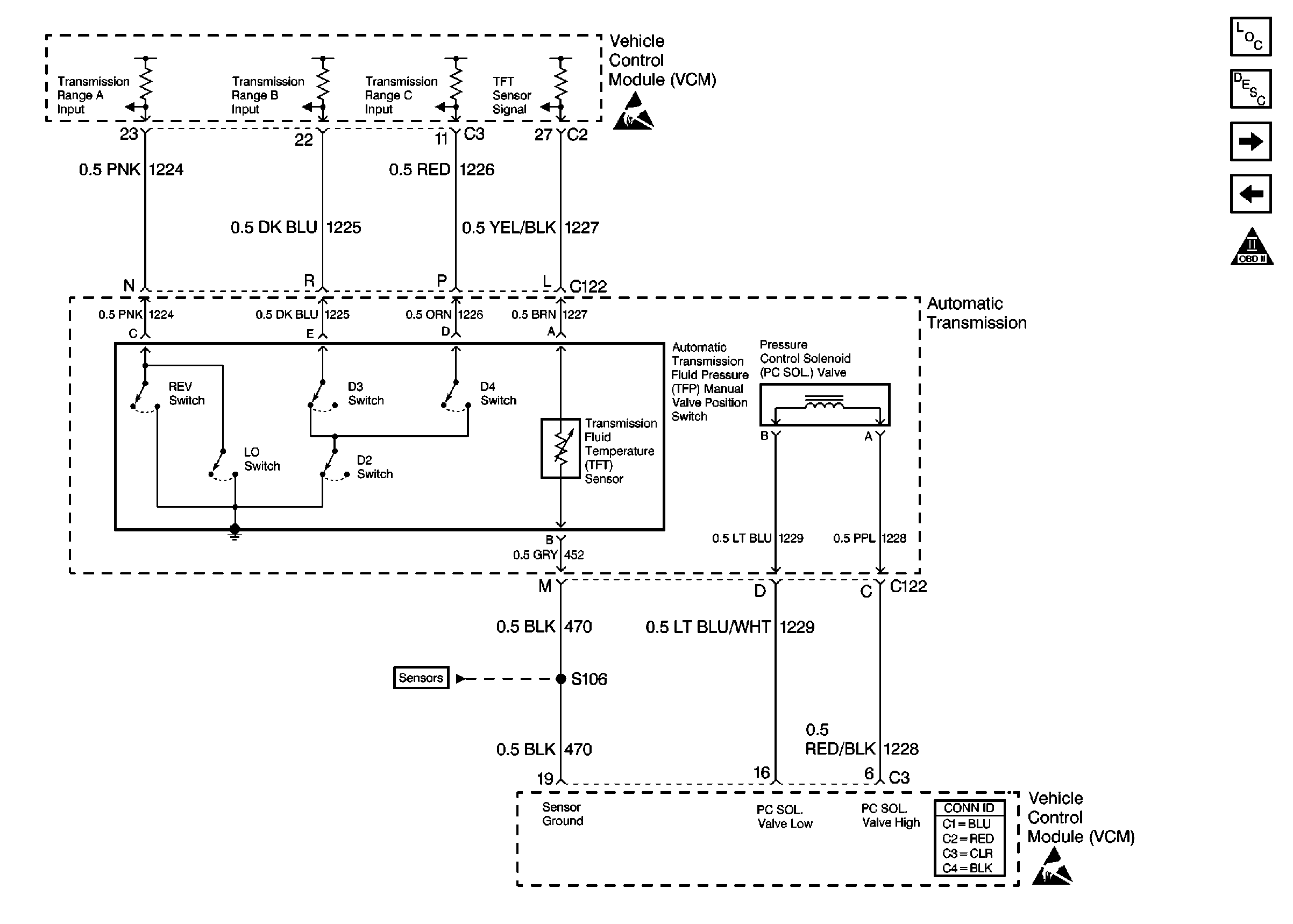
| Figure 15: |
Transmission Controls (4L 80E)
|
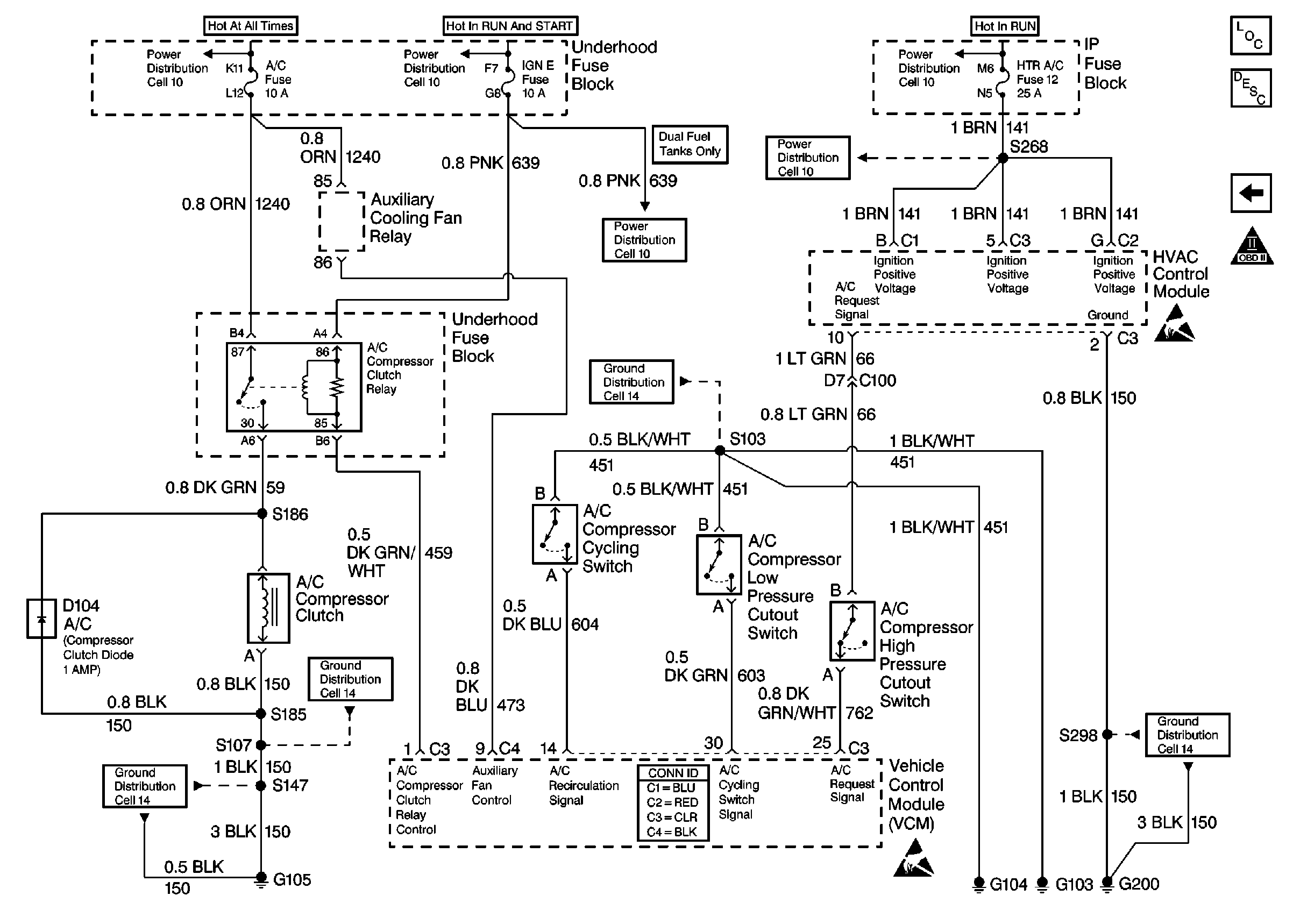
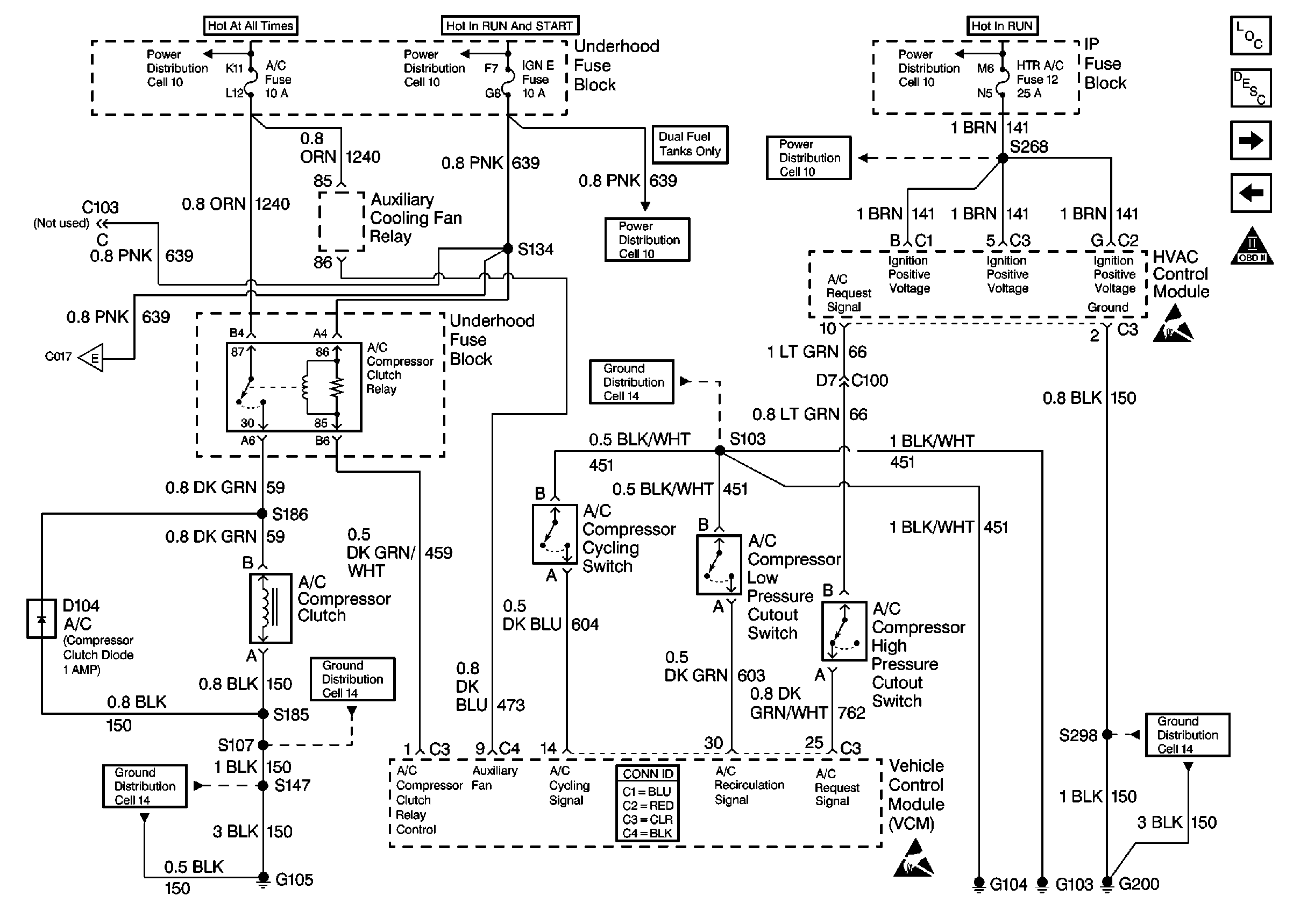
| Figure 16: |
A/C Controls
|