GM Service Manual Online
For 1990-2009 cars only

Keyless Entry Schematics Except Luxury

Figure 1:

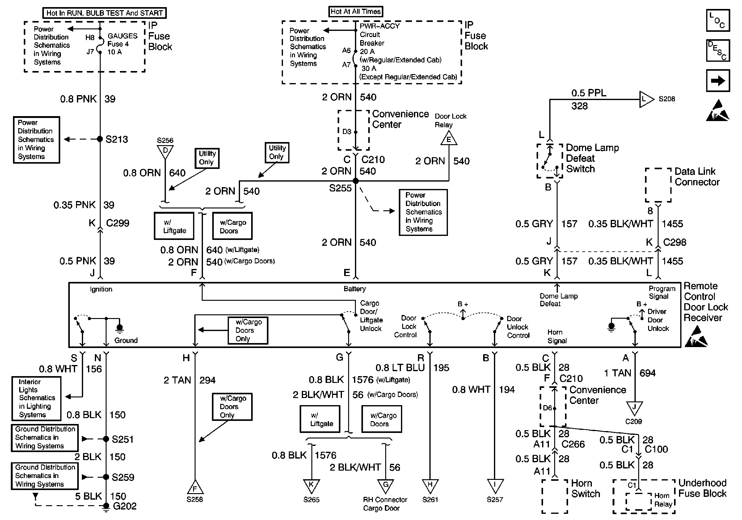
Remote Control Door Lock Receiver


Object Number: 544999  Size: FS
Keyless Entry Components
Keyless Entry System Circuit Description Except Luxury
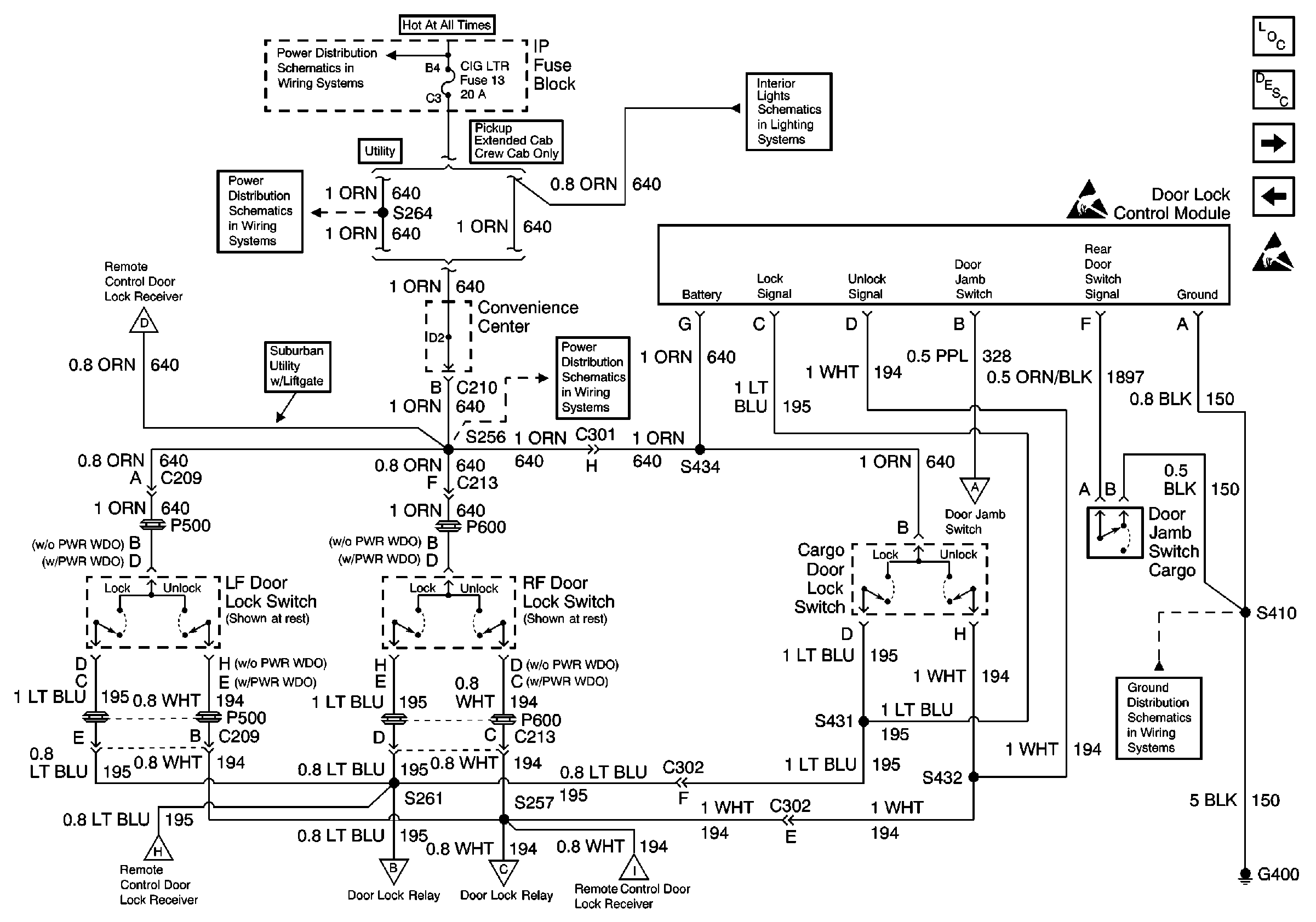
Door Lock Control Module and Door Lock Switches
Handling ESD Sensitive Parts Notice
GAUGES Fuse
GAUGES Fuse
AUX Fuse and PWR-ACCY Circuit Breaker
AUX Fuse and PWR-ACCY Circuit Breaker
CTSY Fuse 3, Door Jamb Switches
G202 (2 of 4)
G202 (2 of 4)
Door Lock Control Module and Door Lock Switches
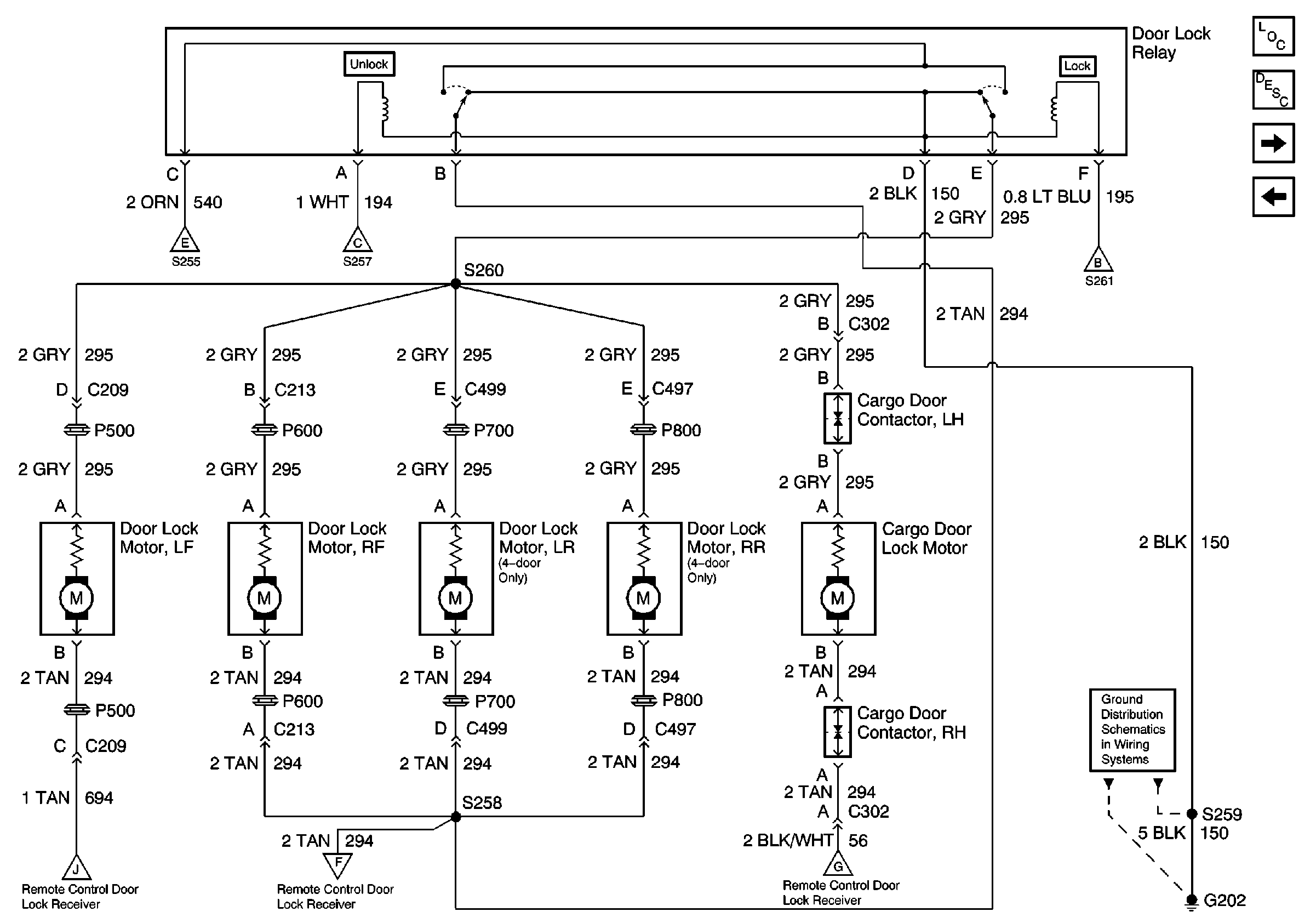
Door Lock Relay and Door Lock Motors
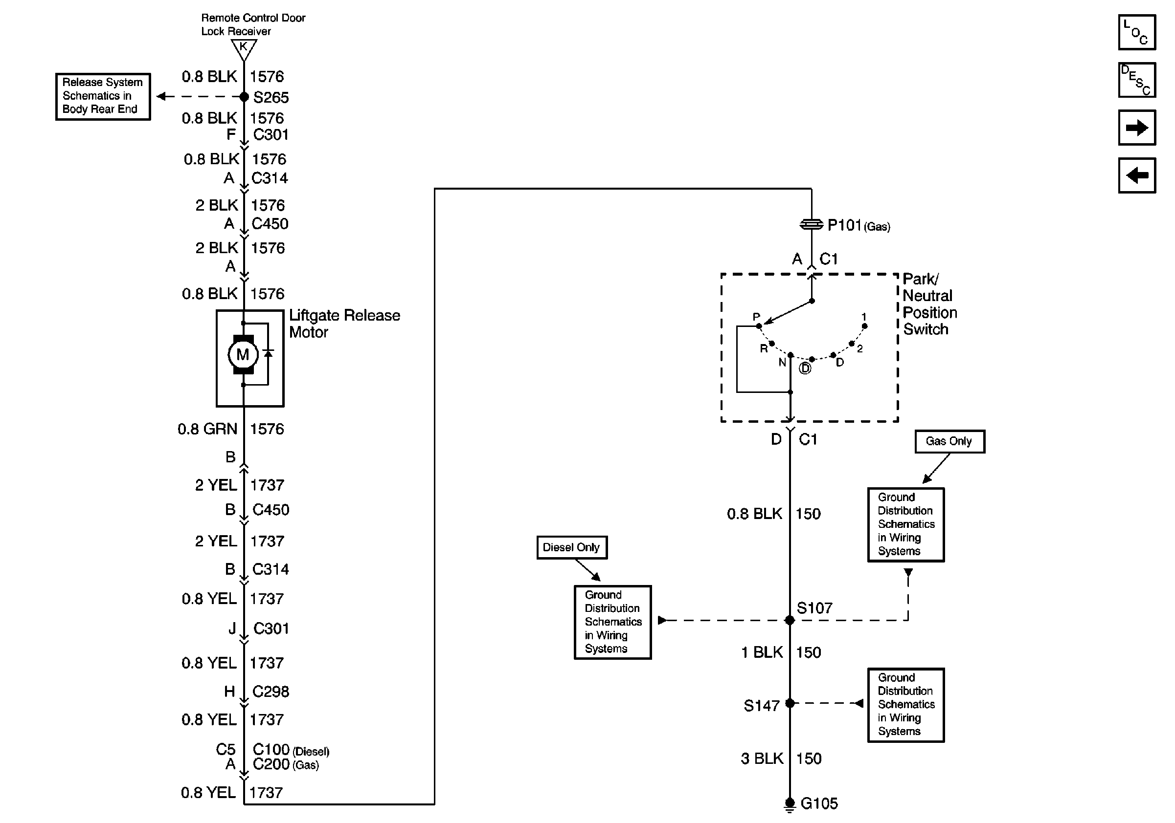
Liftgate Release Motor
Door Lock Control Module and Door Lock Switches
Door Lock Control Module and Door Lock Switches
Door Lock Relay and Door Lock Motors
Door Lock Control Module and Door Lock Switches
Door Jamb Switches
Door Lock Relay and Door Lock Motors
Figure 2:

Door Lock Control Module and Door Lock Switches


Object Number: 564363  Size: FS
Keyless Entry Components
Keyless Entry System Circuit Description Except Luxury
Door Lock Relay and Door Lock Motors
Remote Control Door Lock Receiver
Handling ESD Sensitive Parts Notice
CIG LTR Fuse
CIG LTR Fuse
CIG LTR Fuse
CIG LTR Fuse
G400
Remote Control Door Lock Receiver
Remote Control Door Lock Receiver
Remote Control Door Lock Receiver
Remote Control Door Lock Receiver
Remote Control Door Lock Receiver
Figure 3:

Door Lock Relay and Door Lock Motors


Object Number: 564380  Size: FS
G202 (2 of 4)
Remote Control Door Lock Receiver
Remote Control Door Lock Receiver
Remote Control Door Lock Receiver
Door Lock Control Module and Door Lock Switches
Remote Control Door Lock Receiver
Door Lock Control Module and Door Lock Switches
Figure 4:

Door Jamb Switches


Object Number: 564387  Size: FS
Keyless Entry Components
Keyless Entry System Circuit Description Except Luxury
Remote Control Door Lock Receiver
Remote Control Door Lock Receiver
G200 (1 of 4)
G200 (2 of 4)
Figure 5:

Liftgate Release Motor


Object Number: 564398  Size: FS
Keyless Entry Components
Keyless Entry System Circuit Description Except Luxury
Door Lock Switches and Relay
Door Jamb Switches
Remote Control Door Lock Receiver
G105 (1 of 2)
G105 (1 of 2)
G105 (1 of 2)

Keyless Entry Schematics Luxury

Figure 1:

Door Lock Switches and Relay


Object Number: 564401  Size: FS
Keyless Entry Components
Keyless Entry System Circuit Description Luxury
BCM, Door Lock Motors and Cargo Door Lock Relay
Liftgate Release Motor
Handling ESD Sensitive Parts Notice
CIG LTR Fuse
CIG LTR Fuse
AUX Fuse and PWR-ACCY Circuit Breaker
ECM-B, HORN and A/C COMP Fuses
Luxury
G202 (2 of 4)
BCM, Door Lock Motors and Cargo Door Lock Relay
BCM, Door Lock Motors and Cargo Door Lock Relay
BCM, Door Lock Motors and Cargo Door Lock Relay
BCM, Door Lock Motors and Cargo Door Lock Relay
BCM, Door Lock Motors and Cargo Door Lock Relay
BCM, Door Lock Motors and Cargo Door Lock Relay
BCM, Door Lock Motors and Cargo Door Lock Relay
BCM, Door Lock Motors and Cargo Door Lock Relay
BCM, Door Lock Motors and Cargo Door Lock Relay
Figure 2:

BCM, Door Lock Motors and Cargo Door Lock Relay


Object Number: 564407  Size: FS
Keyless Entry Components
Keyless Entry System Circuit Description Luxury
Door Lock Switches and Relay
Handling ESD Sensitive Parts Notice
Handling ESD Sensitive Parts Notice
Handling ESD Sensitive Parts Notice
Horns
Radio Speakers, Front View
Door Lock Switches and Relay
Door Lock Switches and Relay
Door Lock Switches and Relay
Door Lock Switches and Relay
Door Lock Switches and Relay
Door Lock Switches and Relay
Door Lock Switches and Relay
Door Lock Switches and Relay
Door Lock Switches and Relay