GM Service Manual Online
For 1990-2009 cars only
Makes
🢒
Chevrolet
🢒
2000
🢒
Chevy C Pickup - 2WD
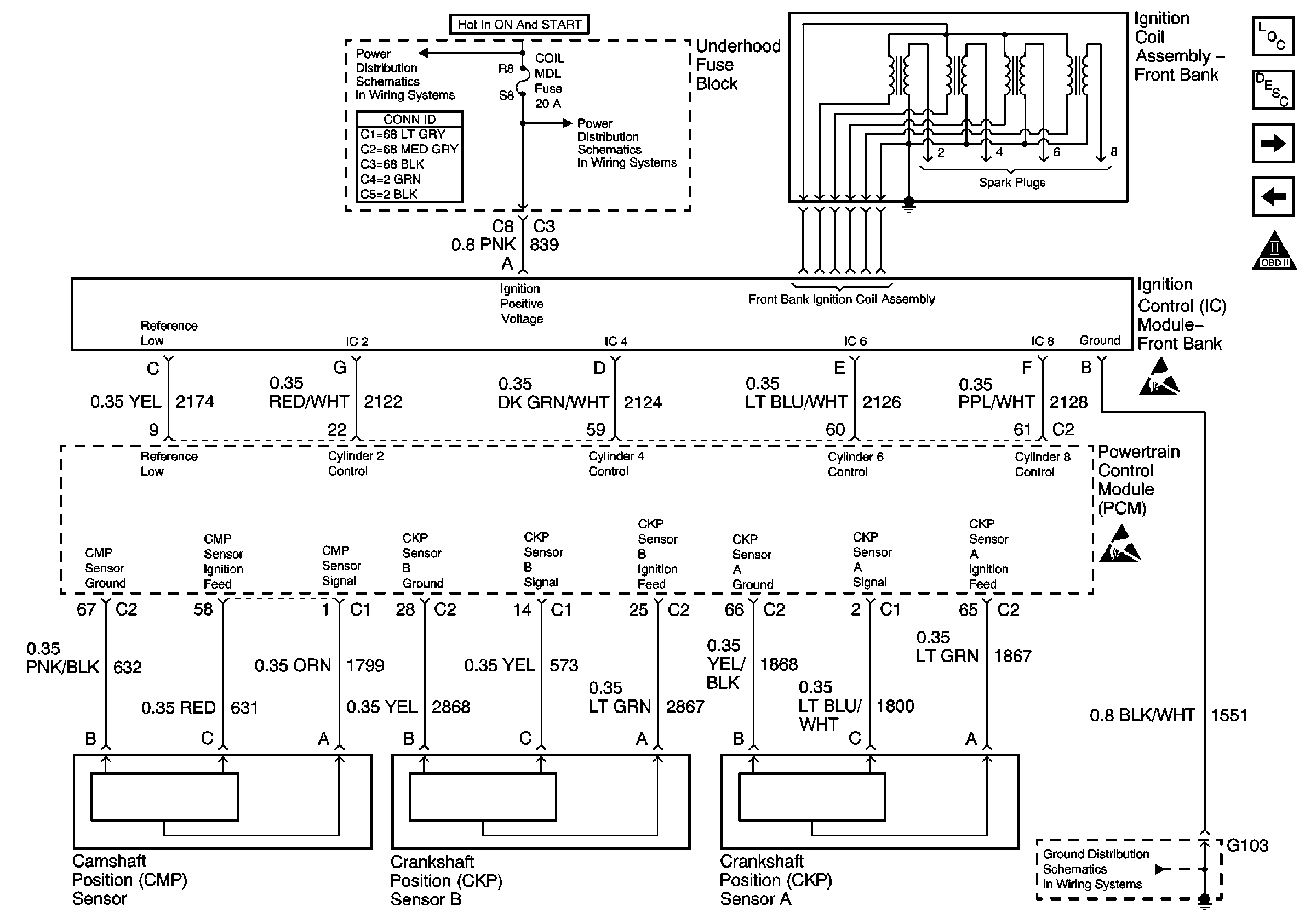
🢒 Ignition Control Module - Front Bank
Ignition Control Module - Front Bank
Ignition Control Module -- Front Bank
Engine Controls Components
Powertrain Control Module (PCM)
Ignition Control Module - Rear Bank
DLC and MIL
OBD II Symbol Description Notice
Handling ESD Sensitive Parts Notice
Handling ESD Sensitive Parts Notice
G102 - G110
Power and Grounding Connector End Views Fuse Blocks and Ignition Switch
OXY SEN, CR CONT, MDL COIL, TRANS Fuses
OXY SEN, CR CONT, MDL COIL, TRANS Fuses