GM Service Manual Online
For 1990-2009 cars only
Makes
🢒
Chevrolet
🢒
2000
🢒
Chevy C Pickup - 2WD
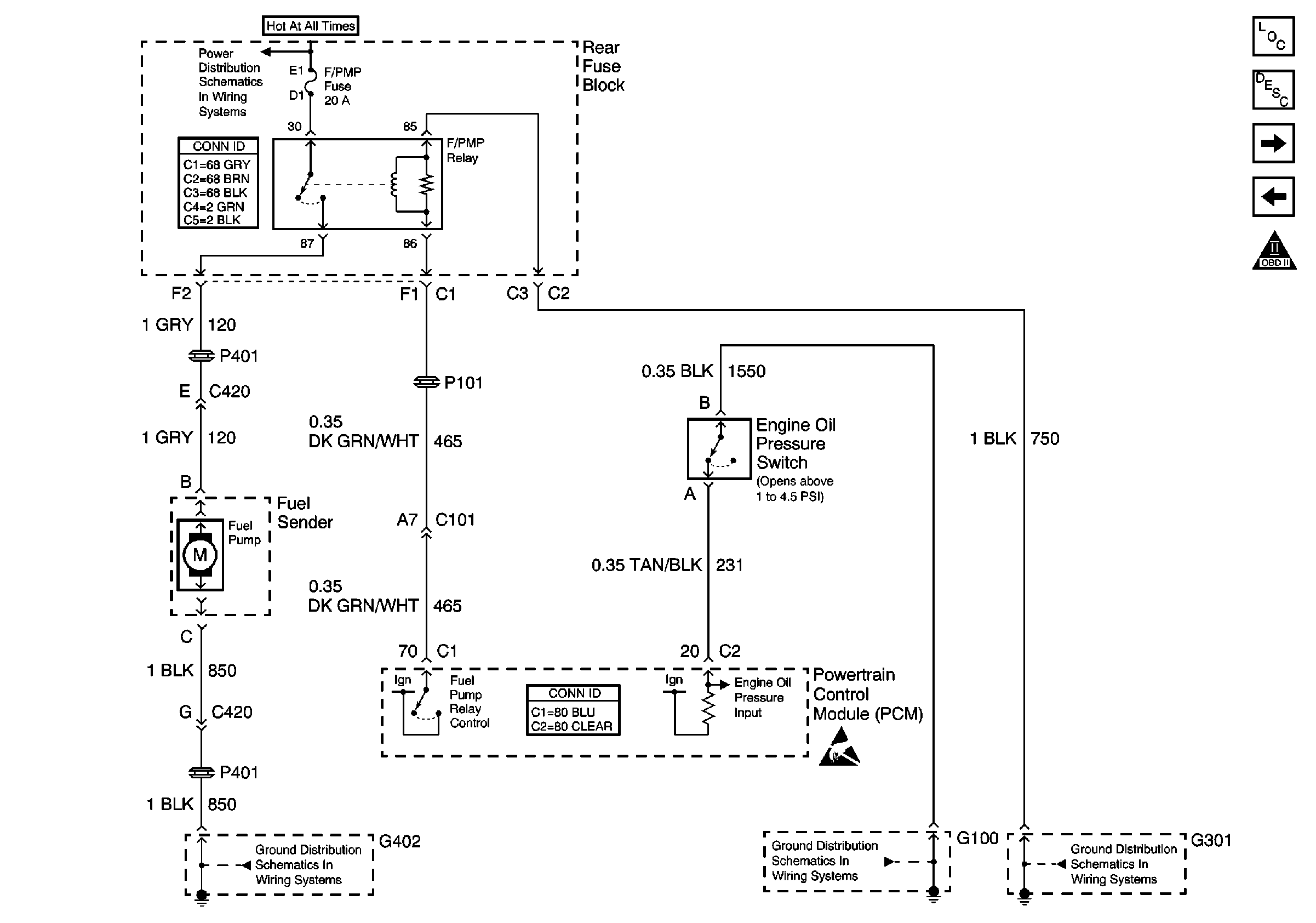
🢒 Fuel Control
Fuel Control
Fuel Control
Engine Controls Components
Powertrain Control Module (PCM)
Fuel Injectors
Ignition Control Module - Rear Bank
OBD II Symbol Description Notice
G301
G100
Handling ESD Sensitive Parts Notice
Powertrain Control Module Connector End Views
G402 - Backup Lamps
Power and Grounding Connector End Views Fuse Blocks and Ignition Switch
Rear Fuse Block Battery Voltage