GM Service Manual Online
For 1990-2009 cars only
Makes
🢒
Chevrolet
🢒
2000
🢒
Chevy C Pickup - 2WD
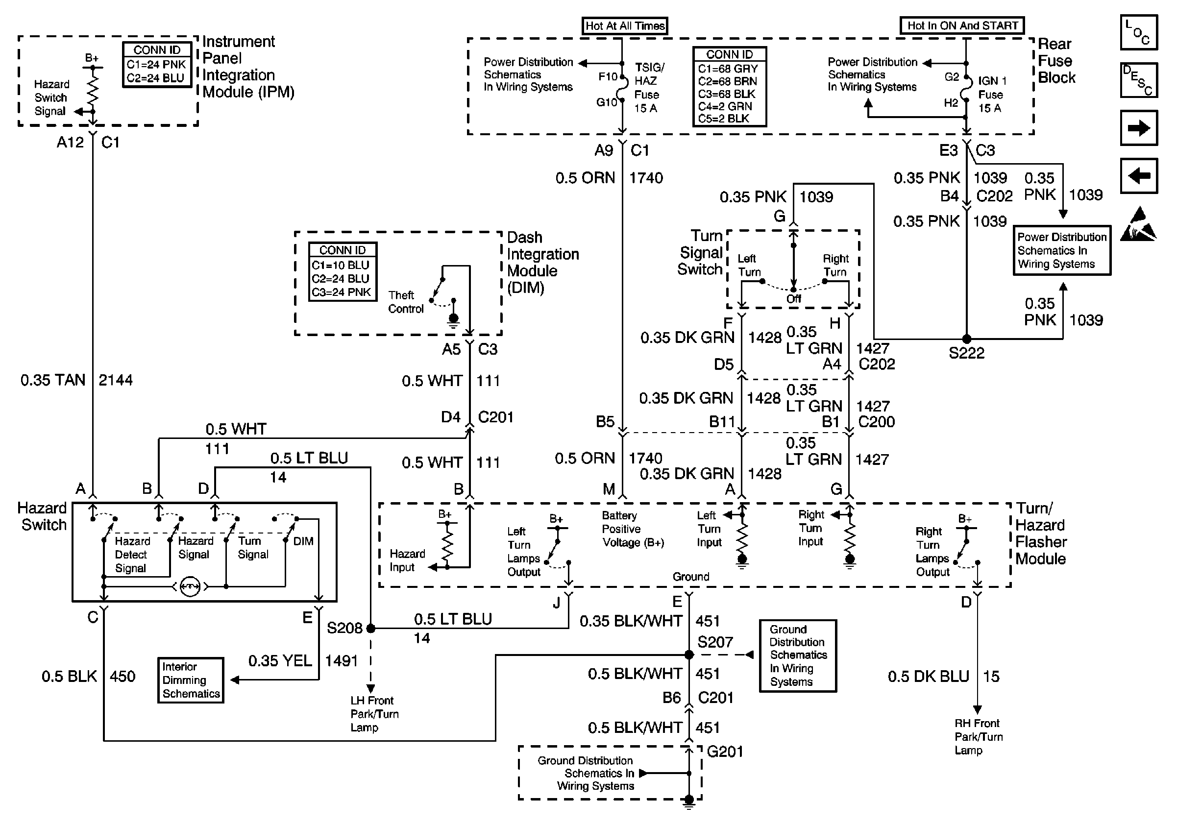
🢒 Turn/Hazard Flasher Module, Hazard Switch
Turn/Hazard Flasher Module, Hazard Switch
Turn/Hazard Flasher Module, Hazard Switch
Lighting Systems Components
Exterior Lights Circuit Description
RH Tail Lamp
Headlamp Switch, Park Lamp Relay
Handling ESD Sensitive Parts Notice
SIR, VENT SOL, and IGN 1 Fuses
RR BLO, RRDR MDL, HVAC BLO, STOP LP, IGN SW, and TSIG/HAZ Fuses
Instrument Panel Dimming
Front Park/Turn and Side Marker Lamps
G201 - Steering Column CKT 451
G201 - Steering Column CKT 451
Front Park/Turn and Side Marker Lamps
SIR, VENT SOL, and IGN 1 Fuses