GM Service Manual Online
For 1990-2009 cars only
Makes
🢒
Chevrolet
🢒
2000
🢒
Chevy C Pickup - 2WD
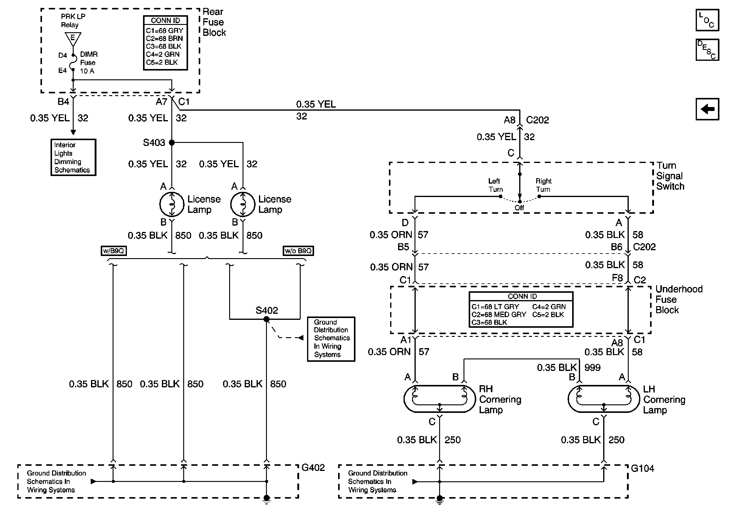
🢒 License and Cornering Lamps
License and Cornering Lamps
License and Cornering Lamps
Lighting Systems Components
Exterior Lights Circuit Description
Front Park/Turn and Side Marker Lamps
Dimming Control
Headlamp Switch, Park Lamp Relay
G402 - Backup Lamps
G402 - Backup Lamps
G104 - Lamps and Other Items